Часовой пояс: UTC + 3 часа [ Летнее время ]




Начать новую тему Ответить на тему
 Страница 1 из 1  [ Сообщений: 9 ] 
Автор Сообщение
 Заголовок сообщения: Кто производит данную арматуру
Непрочитанное сообщениеДобавлено: 09 ноя 2015, 12:07 
Не в сети

Зарегистрирован: 09 ноя 2015, 11:42
Сообщения: 4
Благодарил (а): 0 раз.
Поблагодарили: 0 раз.
Заслуженная репутация: 0
 Ответить с цитатой Ответить на тему 
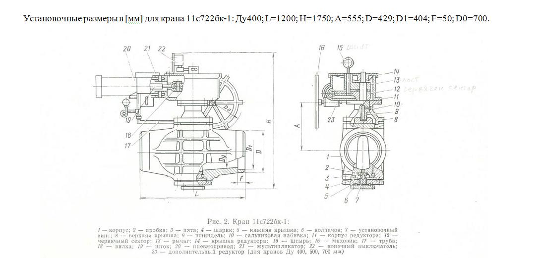
Хотел бы узнать, кто на данный момент производит такую арматуру:
- обозначение: 11с722бк-1 (Пробковой кран для природного газа с мультипликатором для смазки и пневмо приводом)


Кто производит данную арматуру / 1.JPG
59.54 КБ, Просмотров: 12976
Вернуться к началу
  Ответить с цитатой Ответить на тему  Профиль   Рейтинг: 0  
Непрочитанное сообщениеДобавлено: 09 ноя 2015, 12:31 
Не в сети

Зарегистрирован: 04 дек 2012, 12:31
Сообщения: 443
Откуда: Тула
Благодарил (а): 4 раз.
Поблагодарили: 21 раз.
Заслуженная репутация: 9
Бравый Арматурщик
 Ответить с цитатой Ответить на тему 
Алексин

_________________
Да... На Руси, слава Богу... дураков лет на 100 припасено...
Кто производит данную арматуру - Изображение
Кто производит данную арматуру - Изображение


Вернуться к началу
  Ответить с цитатой Ответить на тему  Профиль   Рейтинг: 0  
Непрочитанное сообщениеДобавлено: 09 ноя 2015, 12:44 
Не в сети

Зарегистрирован: 09 ноя 2015, 11:42
Сообщения: 4
Благодарил (а): 0 раз.
Поблагодарили: 0 раз.
Заслуженная репутация: 0
 Ответить с цитатой Ответить на тему 
Да раньше ее делали там, но на данный момент в «Алексинском заводе тяжёлой промышленной арматуры» (http://www.aztpa.ru/) не производят такого типа арматуры. Мне ответили от туда, что могут предложить только шаровую арматуру. Возможно ее уже нигде не делают?


Вернуться к началу
  Ответить с цитатой Ответить на тему  Профиль   Рейтинг: 0  
Непрочитанное сообщениеДобавлено: 09 ноя 2015, 12:49 
Не в сети

Зарегистрирован: 04 дек 2012, 12:31
Сообщения: 443
Откуда: Тула
Благодарил (а): 4 раз.
Поблагодарили: 21 раз.
Заслуженная репутация: 9
Бравый Арматурщик
 Ответить с цитатой Ответить на тему 
Sergey Krustev писал(а):

Да раньше ее делали там, но на данный момент в «Алексинском заводе тяжёлой промышленной арматуры» (http://www.aztpa.ru/) не производят такого типа арматуры. Мне ответили от туда, что могут предложить только шаровую арматуру. Возможно ее уже нигде не делают?

Возможно делают "БЗТПА" ну или на неликвидах и складских остатках.
Вопрос в другом, куда это добро ставить, возможно что в проекте стоят старые данные, и с заказчиком возможно пересогласовать. Либо поставлять ту продукцию о которой я писал выше. Далее уже решать вам.
Я в подобных случаях делаю по след принципу, делаю запрос на заводе, получаю ответ (не производим и не планируем начинать) далее к заказчику с ней, и предлагаю альтернативные варианты.

_________________
Да... На Руси, слава Богу... дураков лет на 100 припасено...
Кто производит данную арматуру - Изображение
Кто производит данную арматуру - Изображение


Вернуться к началу
  Ответить с цитатой Ответить на тему  Профиль   Рейтинг: 0  
Непрочитанное сообщениеДобавлено: 09 ноя 2015, 13:10 
Не в сети

Зарегистрирован: 09 ноя 2015, 11:42
Сообщения: 4
Благодарил (а): 0 раз.
Поблагодарили: 0 раз.
Заслуженная репутация: 0
 Ответить с цитатой Ответить на тему 
Илья71 писал(а):

Sergey Krustev писал(а):

Да раньше ее делали там, но на данный момент в «Алексинском заводе тяжёлой промышленной арматуры» (http://www.aztpa.ru/) не производят такого типа арматуры. Мне ответили от туда, что могут предложить только шаровую арматуру. Возможно ее уже нигде не делают?

Возможно делают "БЗТПА" ну или на неликвидах и складских остатках.
Вопрос в другом, куда это добро ставить, возможно что в проекте стоят старые данные, и с заказчиком возможно пересогласовать. Либо поставлять ту продукцию о которой я писал выше. Далее уже решать вам.
Я в подобных случаях делаю по след принципу, делаю запрос на заводе, получаю ответ (не производим и не планируем начинать) далее к заказчику с ней, и предлагаю альтернативные варианты.


Попробую связаться с ними и если там их тоже не делают пойду по схеме аналога и обсуждения с заказчиком. Спасибо Вам за то, что отделили время и помогли!


Вернуться к началу
  Ответить с цитатой Ответить на тему  Профиль   Рейтинг: 0  
Непрочитанное сообщениеДобавлено: 09 ноя 2015, 15:44 
Не в сети

Зарегистрирован: 18 мар 2014, 10:38
Сообщения: 80
Благодарил (а): 0 раз.
Поблагодарили: 1 раз.
Заслуженная репутация: 1
 Ответить с цитатой Ответить на тему 
Sergey Krustev писал(а):

Илья71 писал(а):

Sergey Krustev писал(а):

Да раньше ее делали там, но на данный момент в «Алексинском заводе тяжёлой промышленной арматуры» (http://www.aztpa.ru/) не производят такого типа арматуры. Мне ответили от туда, что могут предложить только шаровую арматуру. Возможно ее уже нигде не делают?

Возможно делают "БЗТПА" ну или на неликвидах и складских остатках.
Вопрос в другом, куда это добро ставить, возможно что в проекте стоят старые данные, и с заказчиком возможно пересогласовать. Либо поставлять ту продукцию о которой я писал выше. Далее уже решать вам.
Я в подобных случаях делаю по след принципу, делаю запрос на заводе, получаю ответ (не производим и не планируем начинать) далее к заказчику с ней, и предлагаю альтернативные варианты.


Попробую связаться с ними и если там их тоже не делают пойду по схеме аналога и обсуждения с заказчиком. Спасибо Вам за то, что отделили время и помогли!

производитель нужен РФ ?? китай пройдет?


Вернуться к началу
  Ответить с цитатой Ответить на тему  Профиль   Рейтинг: 0  
Непрочитанное сообщениеДобавлено: 09 ноя 2015, 15:53 
Не в сети

Зарегистрирован: 09 ноя 2015, 11:42
Сообщения: 4
Благодарил (а): 0 раз.
Поблагодарили: 0 раз.
Заслуженная репутация: 0
 Ответить с цитатой Ответить на тему 
Монтаж
Производитель должен быть РФ


Вернуться к началу
  Ответить с цитатой Ответить на тему  Профиль   Рейтинг: 0  
Непрочитанное сообщениеДобавлено: 11 ноя 2015, 14:26 
Не в сети

Зарегистрирован: 11 ноя 2015, 14:15
Сообщения: 1
Благодарил (а): 0 раз.
Поблагодарили: 0 раз.
Заслуженная репутация: 0
 Ответить с цитатой Ответить на тему 
Мы с можем производеть. Пожаулуста посматрите наш сайт http://www.vastas.com


Вернуться к началу
  Ответить с цитатой Ответить на тему  Профиль   Рейтинг: 0  
Непрочитанное сообщениеДобавлено: 18 ноя 2015, 09:14 
Не в сети

Зарегистрирован: 09 сен 2015, 10:44
Сообщения: 11
Благодарил (а): 0 раз.
Поблагодарили: 0 раз.
Заслуженная репутация: 0
 Ответить с цитатой Ответить на тему 
Доброго времени суток друзья!
Подскажите кто производит следующую позицию: Кран шаровой стальной 10с37п ДУ200 РУ1.6МПа надземная установка/полный проход/фланцевое присоединение.
Описание: Класс герметичности: А; Строительная длина: 628 мм; Вес: 97 кг; Материал корпуса: сталь; Обязательное наличие защитного покрытия: ПФ-115;ТУ-3712-003-89334171-2012.


Вернуться к началу
  Ответить с цитатой Ответить на тему  Профиль   Рейтинг: 0  
Показать сообщения за:  Поле сортировки  
Начать новую тему Ответить на тему  Страница 1 из 1  [ Сообщений: 9 ] 

Быстрый ответ
Вы не можете оставлять комментарии и ответы, пожалуйста ЗАРЕГИСТРИРУЙТЕСЬ для возможности полноценного доступа к форумам этой ветки

Часовой пояс: UTC + 3 часа [ Летнее время ]


Кто сейчас на конференции

Сейчас этот форум просматривают: нет зарегистрированных пользователей и гости: 8


Вы не можете начинать темы
Вы не можете отвечать на сообщения
Вы не можете редактировать свои сообщения
Вы не можете удалять свои сообщения
Вы не можете добавлять вложения

Перейти: 
Powered by phpBB © 2000, 2002, 2005, 2007 phpBB Group [ Time : 3.295s | 56 Queries | GZIP : Off ]

@Mail.ru
Администрация портала не несёт ответственности за достоверность размещённой в сообщениях форума информации.