Часовой пояс: UTC + 3 часа [ Летнее время ]




Начать новую тему Ответить на тему
 Страница 10 из 34  [ Сообщений: 1697 ]  На страницу Пред.  1 ... 7, 8, 9, 10, 11, 12, 13 ... 34  След.
Автор Сообщение
Непрочитанное сообщениеДобавлено: 25 окт 2013, 14:34 
Не в сети
Аватара пользователя

Зарегистрирован: 02 дек 2010, 14:02
Сообщения: 701
Откуда: г. Чехов
Благодарил (а): 8 раз.
Поблагодарили: 149 раз.
Заслуженная репутация: 12
Бравый Арматурщик
 Ответить с цитатой Ответить на тему 
Уважаемые коллеги!
Приглашаем Вас посетить наш стенд на выставке "PCVEXPO-2013" в МВЦ "Крокус Экспо". На стенде будут представлены два типовых изделия из номенклатуры нашего предприятия - задвижка 883-300-ЭМП и главный предохранительный клапан 1203-125/175-0. Вы сможете пообщаться с представителями отдела продаж арматуры и конструкторского отдела, а также получить ответы на любые вопросы, связанные с продукцией нашего завода. Ждем Вас на стенде В341!

_________________
ЧЗЭМ - качество проверенное временем!

"Энергомаш (Чехов)-ЧЗЭМ" - on-line консультации по арматуре - Изображение


Вернуться к началу
  Ответить с цитатой Ответить на тему  Профиль   Рейтинг: 0  
Непрочитанное сообщениеДобавлено: 28 окт 2013, 17:21 
Не в сети

Зарегистрирован: 17 июл 2013, 19:08
Сообщения: 32
Благодарил (а): 11 раз.
Поблагодарили: 0 раз.
Заслуженная репутация: 0
 Ответить с цитатой Ответить на тему 
Здравствуйте!
У нас на предприятии находится в эксплуатации задвижка 884-250-Э (80-х г.г. выпуска).
Запорный орган состоит из обоймы, тарелок и распорного клина (рис. 3 руководства 881-100-ЦЗ РЭ).
Наши руководители предлагают применить конструкцию запорного органа с тарелкодержателями (рис. 5 руководства 881-100-ЦЗ РЭ).
Возможна ли такая замена? Если возможна, то какие детали необходимо менять (желательно с номерами чертежей).
Также необходимы номера чертежей деталей существующего запорного органа.
Заранее благодарен.

e-mail: grinvich2000@inbox.ru


Вернуться к началу
  Ответить с цитатой Ответить на тему  Профиль   Рейтинг: 0  
Непрочитанное сообщениеДобавлено: 31 окт 2013, 00:55 
Не в сети

Зарегистрирован: 17 июн 2013, 21:56
Сообщения: 3222
Благодарил (а): 354 раз.
Поблагодарили: 451 раз.
Заслуженная репутация: 22
Общепризнанный Арматурщик
 Ответить с цитатой Ответить на тему 
ЧЗЭМ
Хочу заметить, что "Таблица соответствия старых, новых и модернизированных изделий производства ОАО "ЧЗЭМ" (помещена в Справочнике Армторга) может иной раз ввести в заблуждение.Так, для вентиля трёхходового В-500, затем 829-10-0, затем 829-10-0 УЗ,ТЗ в графе "В настоящее время выпускается" стоит "1093-10-0 УЗ,ТЗ".Но ведь конструкция их настолько различна,что о соответствии говорить не приходится, это всего-навсего замена, на которую не все согласятся. Надо как-то "отрихтовать" информацию.А то я уже встретил на паре питерских сайтов "829-10-0(1093-10-0)" с характеристиками В-500 и рисунком "выпускаемого в настоящее время" изделия.


Вернуться к началу
  Ответить с цитатой Ответить на тему  Профиль   Рейтинг: 0  
Непрочитанное сообщениеДобавлено: 05 ноя 2013, 10:52 
Аватара пользователя
E-mail: 6818080@mail.ru
Телефон: 8(499)681-80-80
Организация: ООО"Специнструмент"
 Ответить с цитатой Ответить на тему 
Интересуют :
1) Шток к вентилю 589-10-3 ЧЗЭМ запорно-ручной арматуры - 30 штук
2)Шток к вентилю 999-20-2Б ЧЗЭМ запорно-ручной арматуры - 30 шт
2)Шток к вентилю 999-20-2Б ЧЗЭМ запорно-регулирующей арматуры - 10 шт.

Буду благодаоен за оперативный ответ.


Вернуться к началу
  Ответить с цитатой Ответить на тему   
Непрочитанное сообщениеДобавлено: 06 ноя 2013, 11:26 
Не в сети
Аватара пользователя

Зарегистрирован: 02 дек 2010, 14:02
Сообщения: 701
Откуда: г. Чехов
Благодарил (а): 8 раз.
Поблагодарили: 149 раз.
Заслуженная репутация: 12
Бравый Арматурщик
 Ответить с цитатой Ответить на тему 
Вяткин Олег Владимирович писал(а):

Интересуют :
1) Шток к вентилю 589-10-3 ЧЗЭМ запорно-ручной арматуры - 30 штук
2)Шток к вентилю 999-20-2Б ЧЗЭМ запорно-ручной арматуры - 30 шт
2)Шток к вентилю 999-20-2Б ЧЗЭМ запорно-регулирующей арматуры - 10 шт.
Буду благодаоен за оперативный ответ.

Добрый день!
Пожалуйста, обратитесь по данному вопросу в отдел продаж, начальник отдела - Воронцов Сергей Александрович, телефон (495) 543-72-92 доб. 38-79.

_________________
ЧЗЭМ - качество проверенное временем!

"Энергомаш (Чехов)-ЧЗЭМ" - on-line консультации по арматуре - Изображение


Вернуться к началу
  Ответить с цитатой Ответить на тему  Профиль   Рейтинг: 0  
Непрочитанное сообщениеДобавлено: 06 ноя 2013, 11:32 
Не в сети
Аватара пользователя

Зарегистрирован: 02 дек 2010, 14:02
Сообщения: 701
Откуда: г. Чехов
Благодарил (а): 8 раз.
Поблагодарили: 149 раз.
Заслуженная репутация: 12
Бравый Арматурщик
 Ответить с цитатой Ответить на тему 
Скориков Ю.И. писал(а):

ЧЗЭМ
Хочу заметить, что "Таблица соответствия старых, новых и модернизированных изделий производства ОАО "ЧЗЭМ" (помещена в Справочнике Армторга) может иной раз ввести в заблуждение.Так, для вентиля трёхходового В-500, затем 829-10-0, затем 829-10-0 УЗ,ТЗ в графе "В настоящее время выпускается" стоит "1093-10-0 УЗ,ТЗ".Но ведь конструкция их настолько различна,что о соответствии говорить не приходится, это всего-навсего замена, на которую не все согласятся. Надо как-то "отрихтовать" информацию.А то я уже встретил на паре питерских сайтов "829-10-0(1093-10-0)" с характеристиками В-500 и рисунком "выпускаемого в настоящее время" изделия.

Добрый день!
Во многом Вы правы, но иногда полные аналоги по конструкции старых изделий подобрать невозможно. Вы всегда можете напрямую обратиться на завод, мы поднимем старые чертежи и подберем аналоги.

_________________
ЧЗЭМ - качество проверенное временем!

"Энергомаш (Чехов)-ЧЗЭМ" - on-line консультации по арматуре - Изображение


Вернуться к началу
  Ответить с цитатой Ответить на тему  Профиль   Рейтинг: 0  
Непрочитанное сообщениеДобавлено: 06 ноя 2013, 11:51 
Не в сети
Аватара пользователя

Зарегистрирован: 02 дек 2010, 14:02
Сообщения: 701
Откуда: г. Чехов
Благодарил (а): 8 раз.
Поблагодарили: 149 раз.
Заслуженная репутация: 12
Бравый Арматурщик
 Ответить с цитатой Ответить на тему 
konstruktor писал(а):

Здравствуйте!
У нас на предприятии находится в эксплуатации задвижка 884-250-Э (80-х г.г. выпуска).
Запорный орган состоит из обоймы, тарелок и распорного клина (рис. 3 руководства 881-100-ЦЗ РЭ).
Наши руководители предлагают применить конструкцию запорного органа с тарелкодержателями (рис. 5 руководства 881-100-ЦЗ РЭ).
Возможна ли такая замена? Если возможна, то какие детали необходимо менять (желательно с номерами чертежей).
Также необходимы номера чертежей деталей существующего запорного органа.
Заранее благодарен.
e-mail: grinvich2000@inbox.ru

Добрый день!
Прямая замена невозможна. Для того, чтобы переработать конструкцию данного затвора нам необходимо Ваше официальное письмо на имя Главного конструктора Задойного Владимира Анатольевича факс (496) 727-23-17 или (496) 727-23-97

_________________
ЧЗЭМ - качество проверенное временем!

"Энергомаш (Чехов)-ЧЗЭМ" - on-line консультации по арматуре - Изображение


Вернуться к началу
  Ответить с цитатой Ответить на тему  Профиль   Рейтинг: 0  
Непрочитанное сообщениеДобавлено: 06 ноя 2013, 11:55 
Не в сети
Аватара пользователя

Зарегистрирован: 02 дек 2010, 14:02
Сообщения: 701
Откуда: г. Чехов
Благодарил (а): 8 раз.
Поблагодарили: 149 раз.
Заслуженная репутация: 12
Бравый Арматурщик
 Ответить с цитатой Ответить на тему 
Уважаемые коллеги!
Спасибо Всем посетившим стенд нашего завода на выставке PCVEXPO-2013. Было приятно видеть знакомые лица, а также познакомиться с новыми людьми. Надеемся на долговременное плодотворное сотрудничество!


"Энергомаш (Чехов)-ЧЗЭМ" - on-line консультации по арматуре / ex.jpg
972.92 КБ, Просмотров: 78472

_________________
ЧЗЭМ - качество проверенное временем!

"Энергомаш (Чехов)-ЧЗЭМ" - on-line консультации по арматуре - Изображение
Вернуться к началу
  Ответить с цитатой Ответить на тему  Профиль   Рейтинг: 0  
Непрочитанное сообщениеДобавлено: 06 ноя 2013, 21:07 
Аватара пользователя
 Ответить с цитатой Ответить на тему 
подскажите, пожалуйста, № чертежа колеса зубчатого (шестерни) редуктора электропривода 797-Э-О задвижки 883-300-Э


Вернуться к началу
  Ответить с цитатой Ответить на тему   
Непрочитанное сообщениеДобавлено: 07 ноя 2013, 07:51 
Не в сети
Аватара пользователя

Зарегистрирован: 02 дек 2010, 14:02
Сообщения: 701
Откуда: г. Чехов
Благодарил (а): 8 раз.
Поблагодарили: 149 раз.
Заслуженная репутация: 12
Бравый Арматурщик
 Ответить с цитатой Ответить на тему 
гость писал(а):

подскажите, пожалуйста, № чертежа колеса зубчатого (шестерни) редуктора электропривода 797-Э-О задвижки 883-300-Э

Доброе утро!
В электроприводе 797-Э-0 используется колесо червячное чертеж 767-Э-39 и червяк чертеж 767-Э-2А-01.

_________________
ЧЗЭМ - качество проверенное временем!

"Энергомаш (Чехов)-ЧЗЭМ" - on-line консультации по арматуре - Изображение


Вернуться к началу
  Ответить с цитатой Ответить на тему  Профиль   Рейтинг: 0  
Непрочитанное сообщениеДобавлено: 08 ноя 2013, 10:38 
Аватара пользователя
 Ответить с цитатой Ответить на тему 
ЧЗЭМ писал(а):

гость писал(а):

подскажите, пожалуйста, № чертежа колеса зубчатого (шестерни) редуктора электропривода 797-Э-О задвижки 883-300-Э

Доброе утро!
В электроприводе 797-Э-0 используется колесо червячное чертеж 767-Э-39 и червяк чертеж 767-Э-2А-01.

Большое спасибо! Можно также узнать №№ чертежей колеса червячного и червяка для электропривода 795-Э-0 задвижки 882-250-Э и шестерни колонкового привода 825-Э-0?


Вернуться к началу
  Ответить с цитатой Ответить на тему   
Непрочитанное сообщениеДобавлено: 08 ноя 2013, 11:00 
Не в сети
Аватара пользователя

Зарегистрирован: 02 дек 2010, 14:02
Сообщения: 701
Откуда: г. Чехов
Благодарил (а): 8 раз.
Поблагодарили: 149 раз.
Заслуженная репутация: 12
Бравый Арматурщик
 Ответить с цитатой Ответить на тему 
гость писал(а):

Большое спасибо! Можно также узнать №№ чертежей колеса червячного и червяка для электропривода 795-Э-0 задвижки 882-250-Э и шестерни колонкового привода 825-Э-0?

Для электропривода 795-Э-0 колесо червячное черт. 825-Э-35, червяк черт. 825-Э-3-01; для электропривода 825-Э-0 колесо червячное черт. 825-Э-4в, червяк черт. 825-Э-3.

_________________
ЧЗЭМ - качество проверенное временем!

"Энергомаш (Чехов)-ЧЗЭМ" - on-line консультации по арматуре - Изображение


Вернуться к началу
  Ответить с цитатой Ответить на тему  Профиль   Рейтинг: 0  
Непрочитанное сообщениеДобавлено: 08 ноя 2013, 12:40 
Не в сети

Зарегистрирован: 30 ноя 2009, 09:50
Сообщения: 759
Благодарил (а): 191 раз.
Поблагодарили: 191 раз.
Заслуженная репутация: 14
Бравый Арматурщик
 Ответить с цитатой Ответить на тему 
ЧЗЭМ

ОРГРЭС немного не то давал. Поправьте, если можно.

"Энергомаш (Чехов)-ЧЗЭМ" - on-line консультации по арматуре / Привода.jpg
280.85 КБ, Просмотров: 78455


Вернуться к началу
  Ответить с цитатой Ответить на тему  Профиль   Рейтинг: 0  
Непрочитанное сообщениеДобавлено: 08 ноя 2013, 13:41 
Не в сети
Аватара пользователя

Зарегистрирован: 02 дек 2010, 14:02
Сообщения: 701
Откуда: г. Чехов
Благодарил (а): 8 раз.
Поблагодарили: 149 раз.
Заслуженная репутация: 12
Бравый Арматурщик
 Ответить с цитатой Ответить на тему 
Уставший писал(а):

ЧЗЭМ
ОРГРЭС немного не то давал. Поправьте, если можно.

Я дал обозначения по действующей на заводе КД для основных исполнений, соответсвенно для других исполнений обозначения деталей могут отличаться. 825-Э-0 в Вашей таблице нет, а 795 у Вас -05 исполнение для регуляторов.

_________________
ЧЗЭМ - качество проверенное временем!

"Энергомаш (Чехов)-ЧЗЭМ" - on-line консультации по арматуре - Изображение


Вернуться к началу
  Ответить с цитатой Ответить на тему  Профиль   Рейтинг: 0  
Непрочитанное сообщениеДобавлено: 08 ноя 2013, 18:22 
Не в сети

Зарегистрирован: 30 ноя 2009, 09:50
Сообщения: 759
Благодарил (а): 191 раз.
Поблагодарили: 191 раз.
Заслуженная репутация: 14
Бравый Арматурщик
 Ответить с цитатой Ответить на тему 
ЧЗЭМ
Ну да. Там буквовка Р- регулятор. Червяк одинаков для 825. А шестерня отличается шпоночным пазом, нежели сверловкой под стопора.
Я имел в виду, № чертежей! Т. е. при составлениии заказа не фраернуться. :cry:


Вернуться к началу
  Ответить с цитатой Ответить на тему  Профиль   Рейтинг: 0  
Непрочитанное сообщениеДобавлено: 09 ноя 2013, 07:55 
Аватара пользователя
 Ответить с цитатой Ответить на тему 
ЧЗЭМ писал(а):

гость писал(а):

Большое спасибо! Можно также узнать №№ чертежей колеса червячного и червяка для электропривода 795-Э-0 задвижки 882-250-Э и шестерни колонкового привода 825-Э-0?

Для электропривода 795-Э-0 колесо червячное черт. 825-Э-35, червяк черт. 825-Э-3-01; для электропривода 825-Э-0 колесо червячное черт. 825-Э-4в, червяк черт. 825-Э-3.

еще раз большое спасибо!


Вернуться к началу
  Ответить с цитатой Ответить на тему   
Непрочитанное сообщениеДобавлено: 13 ноя 2013, 14:55 
Не в сети
Аватара пользователя

Зарегистрирован: 02 дек 2010, 14:02
Сообщения: 701
Откуда: г. Чехов
Благодарил (а): 8 раз.
Поблагодарили: 149 раз.
Заслуженная репутация: 12
Бравый Арматурщик
 Ответить с цитатой Ответить на тему 
Уставший писал(а):

ЧЗЭМ
Ну да. Там буквовка Р- регулятор. Червяк одинаков для 825. А шестерня отличается шпоночным пазом, нежели сверловкой под стопора.
Я имел в виду, № чертежей! Т. е. при составлениии заказа не фраернуться. :cry:

Добрый день!
По Вашей таблице:
1. Привод 824-ЭР-0а заменен на 794-ЭР-0а (червяк у него 823-Э-3-01, червячное колесо 823-Э-42-05).
2. Привод 822-ЭР-0а (у Вас без буквы а) заменен на 792-ЭР-0а (червяк 822-Э-3-01, колесо 822-Э-29-02)
3. Привод 767-Э-0 заменен на 797-Э-0, соответственно червяк и колесо червячное у них одинаковое.
4. В приводе 821-Э-0а идет червяк 821-Э-2ц и колесо червячное 821-Э-3ц.
Замены связаны с введением металлического червячного колеса вместо деревянного. Т.е. если Вы будете заказывать по Вашей таблице, то Вам предложат замену для вышеперечисленных позиций, т.к. электропривода с деревянными колесами сняты с производства. По остальным позициям обозначения деталей у Вас правильные.

_________________
ЧЗЭМ - качество проверенное временем!

"Энергомаш (Чехов)-ЧЗЭМ" - on-line консультации по арматуре - Изображение


Вернуться к началу
  Ответить с цитатой Ответить на тему  Профиль   Рейтинг: 0  
Непрочитанное сообщениеДобавлено: 14 ноя 2013, 06:27 
Не в сети

Зарегистрирован: 30 ноя 2009, 09:50
Сообщения: 759
Благодарил (а): 191 раз.
Поблагодарили: 191 раз.
Заслуженная репутация: 14
Бравый Арматурщик
 Ответить с цитатой Ответить на тему 
ЧЗЭМ

Спасибо, добрый человек! sm_5


Вернуться к началу
  Ответить с цитатой Ответить на тему  Профиль   Рейтинг: 0  
Непрочитанное сообщениеДобавлено: 21 ноя 2013, 07:35 
Не в сети

Зарегистрирован: 21 ноя 2013, 07:14
Сообщения: 1
Благодарил (а): 0 раз.
Поблагодарили: 0 раз.
Заслуженная репутация: 0
 Ответить с цитатой Ответить на тему 
Добрый день, в 1978 году был выпущен охладитель пара Ду175/400 зав.№516040 Э-3454 (исполнение – 3). Прошу уточнить, возможно ли выполнить охладитель с такими же параметрами в настоящее время?


Вернуться к началу
  Ответить с цитатой Ответить на тему  Профиль   Рейтинг: 0  
Непрочитанное сообщениеДобавлено: 21 ноя 2013, 08:15 
Не в сети
Аватара пользователя

Зарегистрирован: 02 дек 2010, 14:02
Сообщения: 701
Откуда: г. Чехов
Благодарил (а): 8 раз.
Поблагодарили: 149 раз.
Заслуженная репутация: 12
Бравый Арматурщик
 Ответить с цитатой Ответить на тему 
Natalya писал(а):

Добрый день, в 1978 году был выпущен охладитель пара Ду175/400 зав.№516040 Э-3454 (исполнение – 3). Прошу уточнить, возможно ли выполнить охладитель с такими же параметрами в настоящее время?

У Вас установлен охладитель пара 820-175/400-ОП (Э-3454 - это эскизный номер, по сравнению с серийным изделием там изменены площади). Сейчас данные охладители пара не выпускаются, заменить на изделие из сегодняшней номенклатуры невозможно-в ОП серии 820 впрыск охлаждающей воды производится непосредственно в охладитель, сейчас впрыск идет через форсунки. По параметрам замена возможна, но изменится схема РОУ, т.е. потребуется помимо охладителя частичная замена арматуры. Вы можете прислать заявку со схемой установленной у Вас РОУ, мы посмотрим и напишем, что можно заменить. Наш факс (496) 727-23-17 или (496) 727-23-97. Электронная почта fdv_ogk@energomash.ru

_________________
ЧЗЭМ - качество проверенное временем!

"Энергомаш (Чехов)-ЧЗЭМ" - on-line консультации по арматуре - Изображение


Вернуться к началу
  Ответить с цитатой Ответить на тему  Профиль   Рейтинг: 0  
Непрочитанное сообщениеДобавлено: 21 ноя 2013, 15:32 
Аватара пользователя
E-mail: ManokhinNV@dtek.com
Телефон: +380995172827
Организация: Запорожская ТЭС
 Ответить с цитатой Ответить на тему 
Выпускаете оснастку для ремонта арматуры - присспособления для фрезеровки седел? Если да, то к кому обратиться за консультацией о покупке! Спасибо!


Вернуться к началу
  Ответить с цитатой Ответить на тему   
Непрочитанное сообщениеДобавлено: 22 ноя 2013, 10:02 
Не в сети

Зарегистрирован: 17 июл 2013, 19:08
Сообщения: 32
Благодарил (а): 11 раз.
Поблагодарили: 0 раз.
Заслуженная репутация: 0
 Ответить с цитатой Ответить на тему 
Здравствуйте.
Можно ли верить спецификации запасных частей клапана дроссельного 993-175-Эб (копия во вложении)?
Можете ли Вы выслать руководство по эксплуатации к данному клапану? (e-mail: grinvich2000@inbox.ru)
Не могу найти информацию по клапану 919-175-Э. Существовал ли такой клапан? Если да, то выпускается ли он в настоящее время, если не выпускается, посоветуйте чем его можно заменить?


Вернуться к началу
  Ответить с цитатой Ответить на тему  Профиль   Рейтинг: 0  
Непрочитанное сообщениеДобавлено: 22 ноя 2013, 10:57 
Не в сети
Аватара пользователя

Зарегистрирован: 02 дек 2010, 14:02
Сообщения: 701
Откуда: г. Чехов
Благодарил (а): 8 раз.
Поблагодарили: 149 раз.
Заслуженная репутация: 12
Бравый Арматурщик
 Ответить с цитатой Ответить на тему 
Nykolay писал(а):

Выпускаете оснастку для ремонта арматуры - присспособления для фрезеровки седел? Если да, то к кому обратиться за консультацией о покупке! Спасибо!

Обратитесь с запросом в Отдел продаж - начальник отдела Воронцов Сергей Александрович, телефон (495) 543-72-92, доб. 38-79

_________________
ЧЗЭМ - качество проверенное временем!

"Энергомаш (Чехов)-ЧЗЭМ" - on-line консультации по арматуре - Изображение


Вернуться к началу
  Ответить с цитатой Ответить на тему  Профиль   Рейтинг: 0  
Непрочитанное сообщениеДобавлено: 22 ноя 2013, 11:42 
Не в сети

Зарегистрирован: 30 ноя 2009, 09:50
Сообщения: 759
Благодарил (а): 191 раз.
Поблагодарили: 191 раз.
Заслуженная репутация: 14
Бравый Арматурщик
 Ответить с цитатой Ответить на тему 
konstruktor

Ошибка в размере сальника периферии. 170х150. А так, вроде , нормально.
919 серия существовала. Сейчас 993. Меняется на "раз". Геометрия подходит.
Если нужна будет спецификация на детали, скину в личку.
выкладываю основные.

"Энергомаш (Чехов)-ЧЗЭМ" - on-line консультации по арматуре / Др1.jpg
332.72 КБ, Просмотров: 77913

"Энергомаш (Чехов)-ЧЗЭМ" - on-line консультации по арматуре / Др1 - 1.jpg
371.91 КБ, Просмотров: 77913


Вернуться к началу
  Ответить с цитатой Ответить на тему  Профиль   Рейтинг: 0  
Непрочитанное сообщениеДобавлено: 22 ноя 2013, 12:00 
Не в сети

Зарегистрирован: 17 июл 2013, 19:08
Сообщения: 32
Благодарил (а): 11 раз.
Поблагодарили: 0 раз.
Заслуженная репутация: 0
 Ответить с цитатой Ответить на тему 
Уставший писал(а):

Если нужна будет спецификация на детали, скину в личку.

Буду благодарен.


Вернуться к началу
  Ответить с цитатой Ответить на тему  Профиль   Рейтинг: 0  
Непрочитанное сообщениеДобавлено: 22 ноя 2013, 12:31 
Не в сети
Аватара пользователя

Зарегистрирован: 02 дек 2010, 14:02
Сообщения: 701
Откуда: г. Чехов
Благодарил (а): 8 раз.
Поблагодарили: 149 раз.
Заслуженная репутация: 12
Бравый Арматурщик
 Ответить с цитатой Ответить на тему 
konstruktor писал(а):

Здравствуйте.
Можно ли верить спецификации запасных частей клапана дроссельного 993-175-Эб (копия во вложении)?
Можете ли Вы выслать руководство по эксплуатации к данному клапану? (e-mail: grinvich2000@inbox.ru)
Не могу найти информацию по клапану 919-175-Э. Существовал ли такой клапан? Если да, то выпускается ли он в настоящее время, если не выпускается, посоветуйте чем его можно заменить?

Добрый день!
По Вашей спецификации:
1. Вместо отдельных поз.6 и 7 у нас идет комплект К-04П-170х145х15 КГФ-Г ТУ 5728-004-13267785-99.
2. Поз.9 - вместо К-01Ш у нас комплект К-05Ш.
Все остальные обозначения правильные. РЭ отправил Вам на указанный адрес.
Клапан 919-175-Э сейчас не изготавливается, вместо него клапан 993-175-Эб-01.

_________________
ЧЗЭМ - качество проверенное временем!

"Энергомаш (Чехов)-ЧЗЭМ" - on-line консультации по арматуре - Изображение


Вернуться к началу
  Ответить с цитатой Ответить на тему  Профиль   Рейтинг: 0  
Непрочитанное сообщениеДобавлено: 22 ноя 2013, 12:54 
Не в сети

Зарегистрирован: 30 ноя 2009, 09:50
Сообщения: 759
Благодарил (а): 191 раз.
Поблагодарили: 191 раз.
Заслуженная репутация: 14
Бравый Арматурщик
 Ответить с цитатой Ответить на тему 
konstruktor

Чехи правы. Я фраернулся. 170х145. Периферия.Извините :oops:


Вернуться к началу
  Ответить с цитатой Ответить на тему  Профиль   Рейтинг: 0  
Непрочитанное сообщениеДобавлено: 22 ноя 2013, 13:47 
Не в сети

Зарегистрирован: 17 июл 2013, 19:08
Сообщения: 32
Благодарил (а): 11 раз.
Поблагодарили: 0 раз.
Заслуженная репутация: 0
 Ответить с цитатой Ответить на тему 
ЧЗЭМ
Спасибо за ответ.
Нашел копию чертежа клапана 919-179-Э (без спецификации). Там на графике площади открытия клапана в зависимости от хода - две кривые.
Также нашел чертеж 919-175-2 "Шибер". Шибер двух исполнеий.
Получается, клапан 919-175-2 был двух исполнений?
Можно ли узнать технические характеристики данных клапанов? Если клапан двух исполнений, то какой клапан сейчас выпускается вместо исполнения 01?


Вернуться к началу
  Ответить с цитатой Ответить на тему  Профиль   Рейтинг: 0  
Непрочитанное сообщениеДобавлено: 22 ноя 2013, 13:58 
Не в сети
Аватара пользователя

Зарегистрирован: 02 дек 2010, 14:02
Сообщения: 701
Откуда: г. Чехов
Благодарил (а): 8 раз.
Поблагодарили: 149 раз.
Заслуженная репутация: 12
Бравый Арматурщик
 Ответить с цитатой Ответить на тему 
konstruktor писал(а):

ЧЗЭМ
Спасибо за ответ.
Нашел копию чертежа клапана 919-179-Э (без спецификации). Там на графике площади открытия клапана в зависимости от хода - две кривые.
Также нашел чертеж 919-175-2 "Шибер". Шибер двух исполнеий.
Получается, клапан 919-175-2 был двух исполнений?
Можно ли узнать технические характеристики данных клапанов? Если клапан двух исполнений, то какой клапан сейчас выпускается вместо исполнения 01?

Да, клапан 919-175-Э был двух исполнений. При переработке оба исполнения перешли в 993-175-Эб, но поменялись местами: клапан 919-175-Э (площадь сечения 78,5 кв. см) стал 993-175-Эб-01, клапан 919-175-Э-01 (площадь сечения 54 кв. см) стал 993-175-Эб.

_________________
ЧЗЭМ - качество проверенное временем!

"Энергомаш (Чехов)-ЧЗЭМ" - on-line консультации по арматуре - Изображение


Вернуться к началу
  Ответить с цитатой Ответить на тему  Профиль   Рейтинг: 0  
Непрочитанное сообщениеДобавлено: 22 ноя 2013, 14:05 
Не в сети
Аватара пользователя

Зарегистрирован: 02 дек 2010, 14:02
Сообщения: 701
Откуда: г. Чехов
Благодарил (а): 8 раз.
Поблагодарили: 149 раз.
Заслуженная репутация: 12
Бравый Арматурщик
 Ответить с цитатой Ответить на тему 
del

_________________
ЧЗЭМ - качество проверенное временем!

"Энергомаш (Чехов)-ЧЗЭМ" - on-line консультации по арматуре - Изображение


Вернуться к началу
  Ответить с цитатой Ответить на тему  Профиль   Рейтинг: 0  
Непрочитанное сообщениеДобавлено: 25 ноя 2013, 21:15 
Не в сети

Зарегистрирован: 17 июл 2013, 19:08
Сообщения: 32
Благодарил (а): 11 раз.
Поблагодарили: 0 раз.
Заслуженная репутация: 0
 Ответить с цитатой Ответить на тему 
Здравствуйте.
Насколько я понял, клапаны 993-175-Эб и 993-175-Эб-01 отличаются только конструкцией шибера и, соответственно, по шиберу можно идентифицировать исполнение клапана.
Хотелось бы увидеть эскизы шиберов для нулевого и 01 исполнений, если это возможно.
В Вашем каталоге не нашел данный клапан, получается, его сейчас не выпускают? Чем его можно заменить?


Вернуться к началу
  Ответить с цитатой Ответить на тему  Профиль   Рейтинг: 0  
Непрочитанное сообщениеДобавлено: 26 ноя 2013, 07:44 
Не в сети
Аватара пользователя

Зарегистрирован: 02 дек 2010, 14:02
Сообщения: 701
Откуда: г. Чехов
Благодарил (а): 8 раз.
Поблагодарили: 149 раз.
Заслуженная репутация: 12
Бравый Арматурщик
 Ответить с цитатой Ответить на тему 
konstruktor писал(а):

Здравствуйте.
Насколько я понял, клапаны 993-175-Эб и 993-175-Эб-01 отличаются только конструкцией шибера и, соответственно, по шиберу можно идентифицировать исполнение клапана.
Хотелось бы увидеть эскизы шиберов для нулевого и 01 исполнений, если это возможно.
В Вашем каталоге не нашел данный клапан, получается, его сейчас не выпускают? Чем его можно заменить?

Доброе утро! Да, эти два исполнения отличаются площадью проходного сечения, т.е. шибером. Во вложении Вы можете посмотреть эскизы, для клапана 993-175-ЭБ шибер 977-175-1а-01, для клапана 993-175-Эб-01 шибер 977-175-1а-02.
Возможность изготовления данных клапанов связана с наличием литой заготовки корпуса из стали 20ХМФЛ. Вы можете обратится в отдел продаж - начальник отдела Воронцов Сергей Александрович, (495) 543-72-92, добавочный 38-79, там Вам подскажут по возможности изготовления.


"Энергомаш (Чехов)-ЧЗЭМ" - on-line консультации по арматуре / 977-175-1a-02.jpg
726.21 КБ, Просмотров: 78454 "Энергомаш (Чехов)-ЧЗЭМ" - on-line консультации по арматуре / 977-175-1a-01.jpg
896.29 КБ, Просмотров: 78454

_________________
ЧЗЭМ - качество проверенное временем!

"Энергомаш (Чехов)-ЧЗЭМ" - on-line консультации по арматуре - Изображение
Вернуться к началу
  Ответить с цитатой Ответить на тему  Профиль   Рейтинг: 0  
Непрочитанное сообщениеДобавлено: 26 ноя 2013, 08:27 
Не в сети

Зарегистрирован: 19 июн 2013, 19:40
Сообщения: 79
Благодарил (а): 18 раз.
Поблагодарили: 1 раз.
Заслуженная репутация: 0
 Ответить с цитатой Ответить на тему 
Здравствуйте. Подскажите по клапану шиберному 810-100-Э, можно ли глянуть общий вид, посмотреть конструкцию корпуса, присоединительные размеры к трубопроводу. Чем отличается этот клапан от аналога 976-100-ЭА? sm_6


Вернуться к началу
  Ответить с цитатой Ответить на тему  Профиль   Рейтинг: 0  
Непрочитанное сообщениеДобавлено: 26 ноя 2013, 09:13 
Не в сети
Аватара пользователя

Зарегистрирован: 02 дек 2010, 14:02
Сообщения: 701
Откуда: г. Чехов
Благодарил (а): 8 раз.
Поблагодарили: 149 раз.
Заслуженная репутация: 12
Бравый Арматурщик
 Ответить с цитатой Ответить на тему 
Баклажан писал(а):

Здравствуйте. Подскажите по клапану шиберному 810-100-Э, можно ли глянуть общий вид, посмотреть конструкцию корпуса, присоединительные размеры к трубопроводу. Чем отличается этот клапан от аналога 976-100-ЭА? sm_6

Доброе утро! Клапан 810-100-Э рассчитан на параметры 23 МПа/230 градусов, площадь проходного сечения 910 кв. мм, внутренний диаметр расточки патрубка 111 мм (см. вложение). Клапан 976-100-ЭА рассчитан на параметры 23,5 МПа/250 градусов, площадь проходного сечения - 4400 кв. мм (основное исполнение), 900 кв. мм (-01 исполнение), внутренний диаметр расточки патрубка - 109 мм. Кроме этого, в выходном патрубке клапана 976-100-ЭА установлена защитная рубашка. "Энергомаш (Чехов)-ЧЗЭМ" - on-line консультации по арматуре / 810-100-Э.jpg
2.28 МБ, Просмотров: 78443

_________________
ЧЗЭМ - качество проверенное временем!

"Энергомаш (Чехов)-ЧЗЭМ" - on-line консультации по арматуре - Изображение


Вернуться к началу
  Ответить с цитатой Ответить на тему  Профиль   Рейтинг: 0  
Непрочитанное сообщениеДобавлено: 26 ноя 2013, 21:53 
Не в сети

Зарегистрирован: 17 июл 2013, 19:08
Сообщения: 32
Благодарил (а): 11 раз.
Поблагодарили: 0 раз.
Заслуженная репутация: 0
 Ответить с цитатой Ответить на тему 
ЧЗЭМ
Спасибо за быстрый ответ.
Есть еще вопросы по клапанам 993-175-Эб:
1. Каким образом Вы определяете максимальную пропускную способность Кv100: аналитически, используя справочные данные или экспериментальным путем?
2. Принятая в данном клапане сборная конструкция бугеля - это результат унификации или есть более глубокие причины?
3. Вы можете разъяснить пункт 2.1.3 руководства по эксплуатации? Какой максимально допустимый перепад давлений для данного клапана?
4. Подскажите, пожалуйста, методику или дайте рекомендации для выбора исполнения клапана (определения необходимой пропускной способности).
Заранее благодарен.


Вернуться к началу
  Ответить с цитатой Ответить на тему  Профиль   Рейтинг: 0  
Непрочитанное сообщениеДобавлено: 27 ноя 2013, 08:03 
Не в сети
Аватара пользователя

Зарегистрирован: 02 дек 2010, 14:02
Сообщения: 701
Откуда: г. Чехов
Благодарил (а): 8 раз.
Поблагодарили: 149 раз.
Заслуженная репутация: 12
Бравый Арматурщик
 Ответить с цитатой Ответить на тему 
konstruktor писал(а):

ЧЗЭМ
Спасибо за быстрый ответ.
Есть еще вопросы по клапанам 993-175-Эб:
1. Каким образом Вы определяете максимальную пропускную способность Кv100: аналитически, используя справочные данные или экспериментальным путем?
2. Принятая в данном клапане сборная конструкция бугеля - это результат унификации или есть более глубокие причины?
3. Вы можете разъяснить пункт 2.1.3 руководства по эксплуатации? Какой максимально допустимый перепад давлений для данного клапана?
4. Подскажите, пожалуйста, методику или дайте рекомендации для выбора исполнения клапана (определения необходимой пропускной способности).
Заранее благодарен.

Доброе утро!
По Вашим вопросам:
1. Для этих клапанов Kv100 была определена экспериментальным путем.
2. Конструкция бугеля выполнена такой для обеспечения хода клапана в 140+5 мм.
3. Данные клапаны могут работать непрерывно при перепаде давления рабочей среды до 3 МПа, в пусковых режимах обеспечивается срабатывание перепада давления обусловленного условиями эксплуатации за период назначенного ресурса 300 часов за 4 года.
4. Максимальный расход пара при рабочих параметрах и критическом перепаде давления на клапане равен 473,7 т/ч (для основного исполнения) и 715,2 т/ч (-01 исполнение).
Обращаю Ваше внимание, что клапан 993-175-Эб довольно специфический, предназначен для тяжелых условий работы в пусковых режимах на воде и паре. Так как Вы не привели исходные технические требования и задаете столько вопросов по 993-175-Эб, то возможно Вы сомневаетесь в выборе клапана. Мы можем сбросить Вам опросный лист и после получения ИТТ поможем с подбором (т.к. возможно, что Вам нужен клапан попроще).

_________________
ЧЗЭМ - качество проверенное временем!

"Энергомаш (Чехов)-ЧЗЭМ" - on-line консультации по арматуре - Изображение


Вернуться к началу
  Ответить с цитатой Ответить на тему  Профиль   Рейтинг: 0  
Непрочитанное сообщениеДобавлено: 27 ноя 2013, 09:07 
Не в сети

Зарегистрирован: 17 июл 2013, 19:08
Сообщения: 32
Благодарил (а): 11 раз.
Поблагодарили: 0 раз.
Заслуженная репутация: 0
 Ответить с цитатой Ответить на тему 
ЧЗЭМ писал(а):

2. Конструкция бугеля выполнена такой для обеспечения хода клапана в 140+5 мм.

Интересует почему бугель не выполнен полностью из отливки, а представляет сборную конструкцию.


Вернуться к началу
  Ответить с цитатой Ответить на тему  Профиль   Рейтинг: 0  
Непрочитанное сообщениеДобавлено: 27 ноя 2013, 09:24 
Не в сети
Аватара пользователя

Зарегистрирован: 02 дек 2010, 14:02
Сообщения: 701
Откуда: г. Чехов
Благодарил (а): 8 раз.
Поблагодарили: 149 раз.
Заслуженная репутация: 12
Бравый Арматурщик
 Ответить с цитатой Ответить на тему 
konstruktor писал(а):

Интересует почему бугель не выполнен полностью из отливки, а представляет сборную конструкцию.

Особенности технологии литья, применяемые на нашем заводе не позволяли получить такую заготовку целиком.

_________________
ЧЗЭМ - качество проверенное временем!

"Энергомаш (Чехов)-ЧЗЭМ" - on-line консультации по арматуре - Изображение


Вернуться к началу
  Ответить с цитатой Ответить на тему  Профиль   Рейтинг: 0  
Непрочитанное сообщениеДобавлено: 27 ноя 2013, 21:26 
Не в сети

Зарегистрирован: 30 ноя 2009, 09:50
Сообщения: 759
Благодарил (а): 191 раз.
Поблагодарили: 191 раз.
Заслуженная репутация: 14
Бравый Арматурщик
 Ответить с цитатой Ответить на тему 
ЧЗЭМ

А почему Вы не желаете применять, или делаете вид, что не знаете о модернизации клапана серии 993,
предложенной много лет назад? Это позволяет уменьшить кавитационный износ рубашки, перехода 230х280 и, как правило, шибера?
А если , касаемо прямоточных котлов, , так срок службы увеличивается с 3 до 8 лет.


Вернуться к началу
  Ответить с цитатой Ответить на тему  Профиль   Рейтинг: 0  
Непрочитанное сообщениеДобавлено: 28 ноя 2013, 10:32 
Не в сети
Аватара пользователя

Зарегистрирован: 02 дек 2010, 14:02
Сообщения: 701
Откуда: г. Чехов
Благодарил (а): 8 раз.
Поблагодарили: 149 раз.
Заслуженная репутация: 12
Бравый Арматурщик
 Ответить с цитатой Ответить на тему 
Уставший писал(а):

ЧЗЭМ
А почему Вы не желаете применять, или делаете вид, что не знаете о модернизации клапана серии 993,
предложенной много лет назад? Это позволяет уменьшить кавитационный износ рубашки, перехода 230х280 и, как правило, шибера?
А если , касаемо прямоточных котлов, , так срок службы увеличивается с 3 до 8 лет.

Мы не против, т.к. эти клапаны возвращаются в текущую номенклатуру завода. Я так понимаю речь идет о работах ОРГРЭС, но к сожалению у нас нет информации о том, что они модернизировали - если поделитесь, обещаю, что информация будет рассмотрена и применена в новых клапанах.

_________________
ЧЗЭМ - качество проверенное временем!

"Энергомаш (Чехов)-ЧЗЭМ" - on-line консультации по арматуре - Изображение


Вернуться к началу
  Ответить с цитатой Ответить на тему  Профиль   Рейтинг: 0  
Непрочитанное сообщениеДобавлено: 28 ноя 2013, 19:27 
Не в сети

Зарегистрирован: 30 ноя 2009, 09:50
Сообщения: 759
Благодарил (а): 191 раз.
Поблагодарили: 191 раз.
Заслуженная репутация: 14
Бравый Арматурщик
 Ответить с цитатой Ответить на тему 
ЧЗЭМ

О,кеюшки! Завтра, при наличии времени, постараюсь подобрать всю документацию.
Это , по-моему, был Интерарм, но не ОРГРЭС.


Вернуться к началу
  Ответить с цитатой Ответить на тему  Профиль   Рейтинг: 0  
Непрочитанное сообщениеДобавлено: 29 ноя 2013, 12:14 
Не в сети

Зарегистрирован: 30 ноя 2009, 09:50
Сообщения: 759
Благодарил (а): 191 раз.
Поблагодарили: 191 раз.
Заслуженная репутация: 14
Бравый Арматурщик
 Ответить с цитатой Ответить на тему 
"Энергомаш (Чехов)-ЧЗЭМ" - on-line консультации по арматуре / РАЗ 1 001.jpg
406.21 КБ, Просмотров: 78255

"Энергомаш (Чехов)-ЧЗЭМ" - on-line консультации по арматуре / РАЗ 1 002.jpg
380.87 КБ, Просмотров: 78255

"Энергомаш (Чехов)-ЧЗЭМ" - on-line консультации по арматуре / РАЗ 1 003.jpg
211.85 КБ, Просмотров: 78255

"Энергомаш (Чехов)-ЧЗЭМ" - on-line консультации по арматуре / РАЗ 1 004.jpg
361.38 КБ, Просмотров: 78255

"Энергомаш (Чехов)-ЧЗЭМ" - on-line консультации по арматуре / РАЗ 1 005.jpg
243.32 КБ, Просмотров: 78255

"Энергомаш (Чехов)-ЧЗЭМ" - on-line консультации по арматуре / РАЗ 1 006.jpg
489.79 КБ, Просмотров: 78255

"Энергомаш (Чехов)-ЧЗЭМ" - on-line консультации по арматуре / РАЗ 1 007.jpg
534.6 КБ, Просмотров: 78255

"Энергомаш (Чехов)-ЧЗЭМ" - on-line консультации по арматуре / РАЗ 1 008.jpg
450.61 КБ, Просмотров: 78255

"Энергомаш (Чехов)-ЧЗЭМ" - on-line консультации по арматуре / РАЗ 1 009.jpg
524.94 КБ, Просмотров: 78255

"Энергомаш (Чехов)-ЧЗЭМ" - on-line консультации по арматуре / РАЗ 1 010.jpg
503.24 КБ, Просмотров: 78255


Вернуться к началу
  Ответить с цитатой Ответить на тему  Профиль   Рейтинг: 0  
Непрочитанное сообщениеДобавлено: 29 ноя 2013, 12:16 
Не в сети

Зарегистрирован: 30 ноя 2009, 09:50
Сообщения: 759
Благодарил (а): 191 раз.
Поблагодарили: 191 раз.
Заслуженная репутация: 14
Бравый Арматурщик
 Ответить с цитатой Ответить на тему 
"Энергомаш (Чехов)-ЧЗЭМ" - on-line консультации по арматуре / РАЗ 1 011.jpg
508.35 КБ, Просмотров: 78255

"Энергомаш (Чехов)-ЧЗЭМ" - on-line консультации по арматуре / РАЗ 1 012.jpg
546.54 КБ, Просмотров: 78255

"Энергомаш (Чехов)-ЧЗЭМ" - on-line консультации по арматуре / РАЗ 1 013.jpg
507.93 КБ, Просмотров: 78255

"Энергомаш (Чехов)-ЧЗЭМ" - on-line консультации по арматуре / РАЗ 1 014.jpg
450.53 КБ, Просмотров: 78255

"Энергомаш (Чехов)-ЧЗЭМ" - on-line консультации по арматуре / РАЗ 1 015.jpg
365.98 КБ, Просмотров: 78255


"Энергомаш (Чехов)-ЧЗЭМ" - on-line консультации по арматуре / РАЗ 1 016.jpg
370.58 КБ, Просмотров: 78255


Вернуться к началу
  Ответить с цитатой Ответить на тему  Профиль   Рейтинг: 0  
Непрочитанное сообщениеДобавлено: 02 дек 2013, 12:04 
Не в сети

Зарегистрирован: 17 июл 2013, 19:08
Сообщения: 32
Благодарил (а): 11 раз.
Поблагодарили: 0 раз.
Заслуженная репутация: 0
 Ответить с цитатой Ответить на тему 
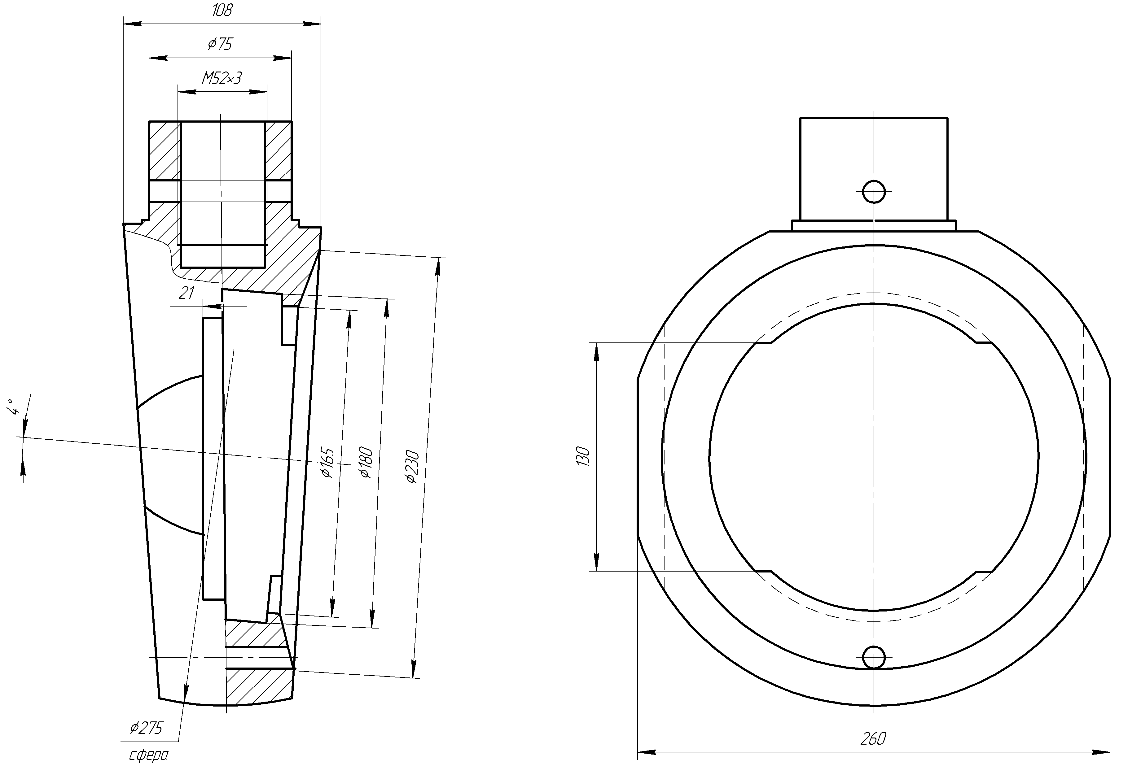
Добрый день!
Скажите обойма на эскизе похожа на обойму задвижки 884-250-Э, если не ошибаюсь обозначение чертежа 883-200-4А-01.
Все размеры приблизительные, рисовал на скорую руку.
Заранее благодарен.


"Энергомаш (Чехов)-ЧЗЭМ" - on-line консультации по арматуре / Обойма.png
45.1 КБ, Просмотров: 78154
Вернуться к началу
  Ответить с цитатой Ответить на тему  Профиль   Рейтинг: 0  
Непрочитанное сообщениеДобавлено: 02 дек 2013, 12:37 
Не в сети

Зарегистрирован: 30 ноя 2009, 09:50
Сообщения: 759
Благодарил (а): 191 раз.
Поблагодарили: 191 раз.
Заслуженная репутация: 14
Бравый Арматурщик
 Ответить с цитатой Ответить на тему 
konstruktor

Уточнённые

"Энергомаш (Чехов)-ЧЗЭМ" - on-line консультации по арматуре / обойма.jpg
329.37 КБ, Просмотров: 78210

"Энергомаш (Чехов)-ЧЗЭМ" - on-line консультации по арматуре / обойма 001.jpg
317.05 КБ, Просмотров: 78210

"Энергомаш (Чехов)-ЧЗЭМ" - on-line консультации по арматуре / обойма 002.jpg
299.81 КБ, Просмотров: 78210


Вернуться к началу
  Ответить с цитатой Ответить на тему  Профиль   Рейтинг: 0  
Непрочитанное сообщениеДобавлено: 03 дек 2013, 07:15 
Не в сети
Аватара пользователя

Зарегистрирован: 02 дек 2010, 14:02
Сообщения: 701
Откуда: г. Чехов
Благодарил (а): 8 раз.
Поблагодарили: 149 раз.
Заслуженная репутация: 12
Бравый Арматурщик
 Ответить с цитатой Ответить на тему 
konstruktor писал(а):

Добрый день!
Скажите обойма на эскизе похожа на обойму задвижки 884-250-Э, если не ошибаюсь обозначение чертежа 883-200-4А-01.
Все размеры приблизительные, рисовал на скорую руку.
Заранее благодарен.

Да, обойма похожа на 883-200-4А-01. Единственное есть некоторые отличия в размерах, например вместо 130 по чертежу 125, вместо 21 по чертежу 20, ну и допуски конечно есть на все размеры...

_________________
ЧЗЭМ - качество проверенное временем!

"Энергомаш (Чехов)-ЧЗЭМ" - on-line консультации по арматуре - Изображение


Вернуться к началу
  Ответить с цитатой Ответить на тему  Профиль   Рейтинг: 0  
Непрочитанное сообщениеДобавлено: 03 дек 2013, 23:11 
Не в сети
Аватара пользователя

Зарегистрирован: 12 май 2010, 13:24
Сообщения: 633
Благодарил (а): 36 раз.
Поблагодарили: 118 раз.
Заслуженная репутация: 4
 Ответить с цитатой Ответить на тему 
Уставший писал(а):

ЧЗЭМ

О,кеюшки! Завтра, при наличии времени, постараюсь подобрать всю документацию.
Это , по-моему, был Интерарм, но не ОРГРЭС.

Отличные документы, интересная доработка sm_40
Только самого главного вы не выложили - рис.4-10 :-D


Вернуться к началу
  Ответить с цитатой Ответить на тему  Профиль   Рейтинг: 0  
Непрочитанное сообщениеДобавлено: 04 дек 2013, 06:40 
Не в сети

Зарегистрирован: 30 ноя 2009, 09:50
Сообщения: 759
Благодарил (а): 191 раз.
Поблагодарили: 191 раз.
Заслуженная репутация: 14
Бравый Арматурщик
 Ответить с цитатой Ответить на тему 
dabad

При желании,есть №а.с. 675251. Ведь можно найти.


Вернуться к началу
  Ответить с цитатой Ответить на тему  Профиль   Рейтинг: 0  
Непрочитанное сообщениеДобавлено: 04 дек 2013, 08:40 
Не в сети
Аватара пользователя

Зарегистрирован: 02 дек 2010, 14:02
Сообщения: 701
Откуда: г. Чехов
Благодарил (а): 8 раз.
Поблагодарили: 149 раз.
Заслуженная репутация: 12
Бравый Арматурщик
 Ответить с цитатой Ответить на тему 
dabad писал(а):

Отличные документы, интересная доработка sm_40
Только самого главного вы не выложили - рис.4-10 :-D

Там по тексту в принципе многое понятно, у нас для АЭС есть такой клапан - 1074-100-Э. В шибере в верхних отверсиях, которые работают в самом начале хода устанавливаются специальные втулки, типа шнека. Ну и в выходном патрубке устанавливается завихритель.


"Энергомаш (Чехов)-ЧЗЭМ" - on-line консультации по арматуре / 1074-100.jpg
102.64 КБ, Просмотров: 78103

_________________
ЧЗЭМ - качество проверенное временем!

"Энергомаш (Чехов)-ЧЗЭМ" - on-line консультации по арматуре - Изображение
Вернуться к началу
  Ответить с цитатой Ответить на тему  Профиль   Рейтинг: 0  
Непрочитанное сообщениеДобавлено: 05 дек 2013, 13:47 
Аватара пользователя
E-mail: andrey.belousovrosep-m.by
Телефон: +375293746484
Организация: СООО "РосЭнергоПроект-М"
 Ответить с цитатой Ответить на тему 
Добрый день.
Можно ли на электропривод 795-Э-0(4,3)получить электрическую схему (задвижка 883-200-Э).
А также подскажите, согласно документа РД 153-34.1-39.504-00 если арматура управляется с АСУ ТП в качестве ограничителя крутящего момента должна применяться двухсторонняя муфта ограничения крутящего момента, комплектуется ли электропривод 795-Э-0(4,3) такой муфтой, если нет можно ли задвижку 883-200-Э укомплектовать другим электроприводом с такой муфтой.
Заранее благодарны.


Вернуться к началу
  Ответить с цитатой Ответить на тему   
Показать сообщения за:  Поле сортировки  
Начать новую тему Ответить на тему  Страница 10 из 34  [ Сообщений: 1697 ]  На страницу Пред.  1 ... 7, 8, 9, 10, 11, 12, 13 ... 34  След.

Быстрый ответ
Вы не можете оставлять комментарии и ответы, пожалуйста ЗАРЕГИСТРИРУЙТЕСЬ для возможности полноценного доступа к форумам этой ветки

Часовой пояс: UTC + 3 часа [ Летнее время ]


Кто сейчас на конференции

Сейчас этот форум просматривают: нет зарегистрированных пользователей и гости: 1


Вы не можете начинать темы
Вы не можете отвечать на сообщения
Вы не можете редактировать свои сообщения
Вы не можете удалять свои сообщения
Вы не можете добавлять вложения

Перейти: 
Powered by phpBB © 2000, 2002, 2005, 2007 phpBB Group [ Time : 1.324s | 165 Queries | GZIP : Off ]

@Mail.ru
Администрация портала не несёт ответственности за достоверность размещённой в сообщениях форума информации.