Часовой пояс: UTC + 3 часа [ Летнее время ]




Начать новую тему Ответить на тему
 Страница 19 из 34  [ Сообщений: 1697 ]  На страницу Пред.  1 ... 16, 17, 18, 19, 20, 21, 22 ... 34  След.
Автор Сообщение
Непрочитанное сообщениеДобавлено: 19 фев 2016, 18:52 
Аватара пользователя
Организация: Домнаремонт
 Ответить с цитатой Ответить на тему 
Здравствуйте.
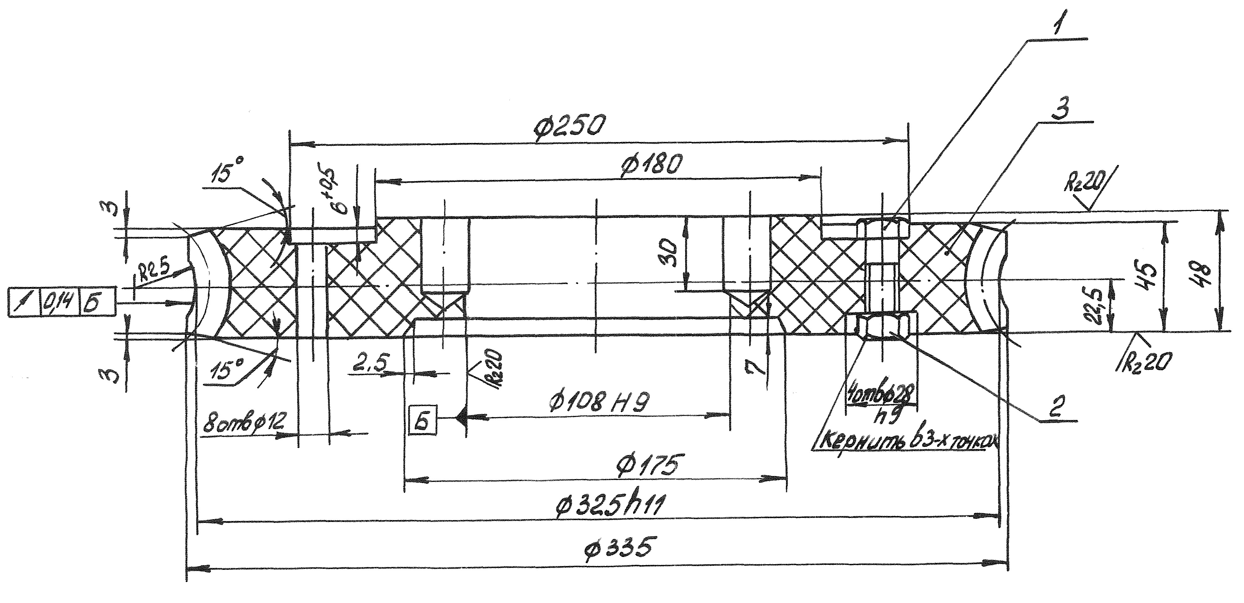
Требуется ваша помощь в опознании червячного колеса.
У нас в резерве лежит колесо как на чертеже,мы его пытались поставить на привод 823-э-о. Но оно почему то не подходит.
Это неправильный чертёж,или что то перепутали старые мастера ,когда перечерчивали колесо при предыдущем ремонте ?Если есть возможность помогите разобраться.


"Энергомаш (Чехов)-ЧЗЭМ" - on-line консультации по арматуре / P1180297.JPG
433.98 КБ, Просмотров: 58665
Вернуться к началу
  Ответить с цитатой Ответить на тему   
Непрочитанное сообщениеДобавлено: 19 фев 2016, 20:06 
Не в сети

Зарегистрирован: 30 ноя 2009, 09:50
Сообщения: 759
Благодарил (а): 191 раз.
Поблагодарили: 191 раз.
Заслуженная репутация: 14
Бравый Арматурщик
 Ответить с цитатой Ответить на тему 
С.А Корнеев
Если привод 823, то колесо - металл. А у Вас текстолит.
Это первое. потом не всегда совпадает модуль с червяком. И какой у Вас привод- Э или ЭР. Т.е. паз под шпонку, или палец?


Вернуться к началу
  Ответить с цитатой Ответить на тему  Профиль   Рейтинг: 0  
Непрочитанное сообщениеДобавлено: 20 фев 2016, 00:16 
Аватара пользователя
 Ответить с цитатой Ответить на тему 
823 это на водяную задвигу,колесо текстолит . 793 бронза на пар.


Вернуться к началу
  Ответить с цитатой Ответить на тему   
Непрочитанное сообщениеДобавлено: 20 фев 2016, 23:04 
Не в сети

Зарегистрирован: 30 ноя 2009, 09:50
Сообщения: 759
Благодарил (а): 191 раз.
Поблагодарили: 191 раз.
Заслуженная репутация: 14
Бравый Арматурщик
 Ответить с цитатой Ответить на тему 
ООО 1
Как правило, если в обозначении у Чехов последняя цифра нечетная, то пар . Будь то арматура или привод . И наоборот.
Разговор идет о номере чертежа привода , но не колеса.
Колесо есть такое 823-23-0. Это от привода 822. Пишу по памяти, чехи поправят, Ежели что!


Вернуться к началу
  Ответить с цитатой Ответить на тему  Профиль   Рейтинг: 0  
Непрочитанное сообщениеДобавлено: 22 фев 2016, 14:13 
Аватара пользователя
E-mail: Sheliah@turbopar.ru
Телефон: +375173870112
Организация: ГК Турбопар
 Ответить с цитатой Ответить на тему 
Добрый день.

Подскажите пожалуйста, есть ли у Вас в свободном доступе подробные габаритные чертежи энергетической арматуры для ТЭС, чертежи арматуры с различными электроприводами, крепящиеся напрямую или через редуктор?

Информация, представленная в Ваших каталогах не достаточна для полного понимания габаритных размеров арматуры (задвижек), зон обслуживания, выбор габаритных размеров/вылетов байпасных линий, а также расчет толщин изоляции.

Имеются ли у Вас чертежи арматуры в формате DWG(автокад)? 3Д - модели Вашей арматуры?


Вернуться к началу
  Ответить с цитатой Ответить на тему   
Непрочитанное сообщениеДобавлено: 24 фев 2016, 09:50 
Не в сети
Аватара пользователя

Зарегистрирован: 02 дек 2010, 14:02
Сообщения: 701
Откуда: г. Чехов
Благодарил (а): 8 раз.
Поблагодарили: 149 раз.
Заслуженная репутация: 12
Бравый Арматурщик
 Ответить с цитатой Ответить на тему 
С.А Корнеев писал(а):

Здравствуйте.
Требуется ваша помощь в опознании червячного колеса.
У нас в резерве лежит колесо как на чертеже,мы его пытались поставить на привод 823-э-о. Но оно почему то не подходит.
Это неправильный чертёж,или что то перепутали старые мастера ,когда перечерчивали колесо при предыдущем ремонте ?Если есть возможность помогите разобраться.

Добрый день!
Колесо на Вашем эскизе очень похоже на чертеж 823-Э-4в, единственное у нас посадочный размер отличается от Вашего (108 мм против 100 мм), ну и некоторые другие размеры немного отличаются. Эскиз нашего колеса Вы можете посмотреть во вложении. Это колесо идет как раз в электропривод 823-Э-0.


"Энергомаш (Чехов)-ЧЗЭМ" - on-line консультации по арматуре / 823-Э-4в СБ.jpg
906.56 КБ, Просмотров: 58175

_________________
ЧЗЭМ - качество проверенное временем!

"Энергомаш (Чехов)-ЧЗЭМ" - on-line консультации по арматуре - Изображение
Вернуться к началу
  Ответить с цитатой Ответить на тему  Профиль   Рейтинг: 0  
Непрочитанное сообщениеДобавлено: 24 фев 2016, 16:14 
Аватара пользователя
Организация: Домнаремонт
 Ответить с цитатой Ответить на тему 
ЧЗЭМ писал(а):

С.А Корнеев писал(а):

Здравствуйте.
Требуется ваша помощь в опознании червячного колеса.
У нас в резерве лежит колесо как на чертеже,мы его пытались поставить на привод 823-э-о. Но оно почему то не подходит.
Это неправильный чертёж,или что то перепутали старые мастера ,когда перечерчивали колесо при предыдущем ремонте ?Если есть возможность помогите разобраться.

Добрый день!
Колесо на Вашем эскизе очень похоже на чертеж 823-Э-4в, единственное у нас посадочный размер отличается от Вашего (108 мм против 100 мм), ну и некоторые другие размеры немного отличаются. Эскиз нашего колеса Вы можете посмотреть во вложении. Это колесо идет как раз в электропривод 823-Э-0.



Вот ещё информация с привода- завод ВАЗ чертеж 823-КЭ-0 , момент силы 100 кгсм , ТУ 24-3-05-001-68


Вернуться к началу
  Ответить с цитатой Ответить на тему   
Непрочитанное сообщениеДобавлено: 24 фев 2016, 16:56 
Не в сети
Аватара пользователя

Зарегистрирован: 02 дек 2010, 14:02
Сообщения: 701
Откуда: г. Чехов
Благодарил (а): 8 раз.
Поблагодарили: 149 раз.
Заслуженная репутация: 12
Бравый Арматурщик
 Ответить с цитатой Ответить на тему 
С.А Корнеев писал(а):

Вот ещё информация с привода- завод ВАЗ чертеж 823-КЭ-0 , момент силы 100 кгсм , ТУ 24-3-05-001-68

ТУ очень древние, такой электропривод в них входил, но технических характеристик в них минимум (так в те годы было принято). Колонковый электропривод состоит из электропривода встроенного и колонки, какой электропривод встроенный входил в 823-КЭ-0 установить можно, но нужно будет поднимать архивы, т.к. чертежи давно аннулированы. Возможно это был электропривод 823-Э-0. Что в результате Вы хотите узнать, по колесу мы вроде определились в каком электроприводе его можете применить...

_________________
ЧЗЭМ - качество проверенное временем!

"Энергомаш (Чехов)-ЧЗЭМ" - on-line консультации по арматуре - Изображение


Вернуться к началу
  Ответить с цитатой Ответить на тему  Профиль   Рейтинг: 0  
Непрочитанное сообщениеДобавлено: 25 фев 2016, 10:44 
Аватара пользователя
Организация: Домнаремонт
 Ответить с цитатой Ответить на тему 
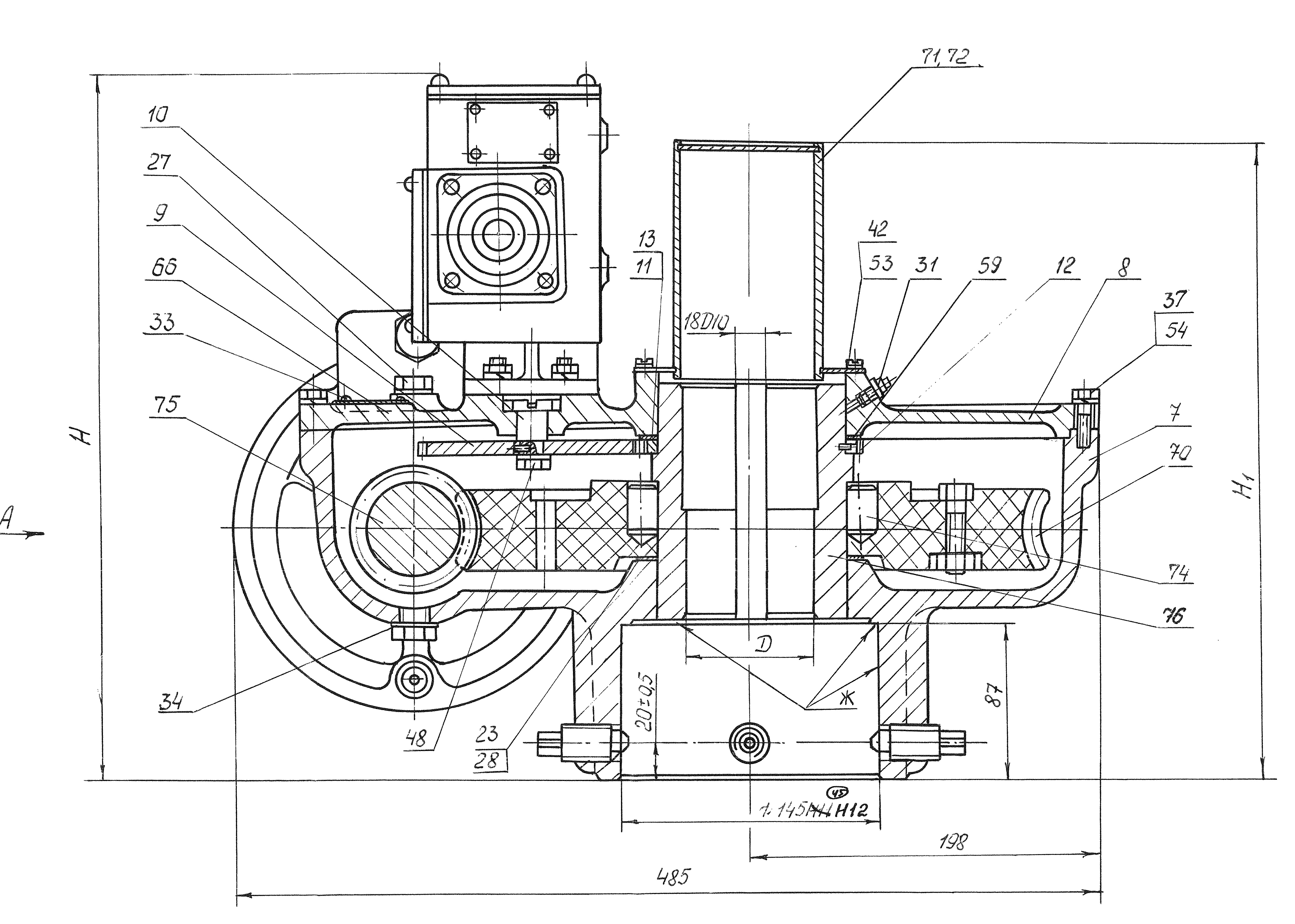
Спасибо. А нет ли у вас чертежа посадочного места редуктора 823-КЭ-0,только нового образца?


"Энергомаш (Чехов)-ЧЗЭМ" - on-line консультации по арматуре / image267.jpg
31.16 КБ, Просмотров: 57792
Вернуться к началу
  Ответить с цитатой Ответить на тему   
Непрочитанное сообщениеДобавлено: 25 фев 2016, 11:55 
Не в сети
Аватара пользователя

Зарегистрирован: 02 дек 2010, 14:02
Сообщения: 701
Откуда: г. Чехов
Благодарил (а): 8 раз.
Поблагодарили: 149 раз.
Заслуженная репутация: 12
Бравый Арматурщик
 Ответить с цитатой Ответить на тему 
С.А Корнеев писал(а):

Спасибо. А нет ли у вас чертежа посадочного места редуктора 823-КЭ-0,только нового образца?

В состав колонкового электропривода 823-КЭ-0 входит электропривод встроенный 823-Э-0. Посадочные размеры электропривода Вы можете посмотреть на эскизе во вложении. Размер D для данного электропривода равен 75H12.


"Энергомаш (Чехов)-ЧЗЭМ" - on-line консультации по арматуре / 823-Э-0.jpg
2.51 МБ, Просмотров: 57890

_________________
ЧЗЭМ - качество проверенное временем!

"Энергомаш (Чехов)-ЧЗЭМ" - on-line консультации по арматуре - Изображение
Вернуться к началу
  Ответить с цитатой Ответить на тему  Профиль   Рейтинг: 0  
Непрочитанное сообщениеДобавлено: 25 фев 2016, 20:30 
Аватара пользователя
Организация: Домнаремонт
 Ответить с цитатой Ответить на тему 
Спасибо.


Вернуться к началу
  Ответить с цитатой Ответить на тему   
Непрочитанное сообщениеДобавлено: 26 фев 2016, 18:11 
Аватара пользователя
Организация: Домнаремонт
 Ответить с цитатой Ответить на тему 
Уточните пожалуйста крутящий момент и тип электродвигателя привода 823-Э-0.


Вернуться к началу
  Ответить с цитатой Ответить на тему   
Непрочитанное сообщениеДобавлено: 29 фев 2016, 08:35 
Не в сети
Аватара пользователя

Зарегистрирован: 02 дек 2010, 14:02
Сообщения: 701
Откуда: г. Чехов
Благодарил (а): 8 раз.
Поблагодарили: 149 раз.
Заслуженная репутация: 12
Бравый Арматурщик
 Ответить с цитатой Ответить на тему 
С.А Корнеев писал(а):

Уточните пожалуйста крутящий момент и тип электродвигателя привода 823-Э-0.

Доброе утро!
Максимальный крутящий момент на выходном валу для электропривода 823-Э-0 равен 1300 Нм, электропривод комплектуется электродвигателем АИРС 100S4У2.380В.IM3081 ТУ 16-525.564-84 или АС100S4У2 50Гц 220/380В, IM3001 ТУ 3322-053-05757995-98.

_________________
ЧЗЭМ - качество проверенное временем!

"Энергомаш (Чехов)-ЧЗЭМ" - on-line консультации по арматуре - Изображение


Вернуться к началу
  Ответить с цитатой Ответить на тему  Профиль   Рейтинг: 0  
Непрочитанное сообщениеДобавлено: 29 фев 2016, 08:44 
Не в сети
Аватара пользователя

Зарегистрирован: 02 дек 2010, 14:02
Сообщения: 701
Откуда: г. Чехов
Благодарил (а): 8 раз.
Поблагодарили: 149 раз.
Заслуженная репутация: 12
Бравый Арматурщик
 Ответить с цитатой Ответить на тему 
Шеляг Иван Николаевич писал(а):

Добрый день.
Подскажите пожалуйста, есть ли у Вас в свободном доступе подробные габаритные чертежи энергетической арматуры для ТЭС, чертежи арматуры с различными электроприводами, крепящиеся напрямую или через редуктор?
Информация, представленная в Ваших каталогах не достаточна для полного понимания габаритных размеров арматуры (задвижек), зон обслуживания, выбор габаритных размеров/вылетов байпасных линий, а также расчет толщин изоляции.
Имеются ли у Вас чертежи арматуры в формате DWG(автокад)? 3Д - модели Вашей арматуры?

Доброе утро!
В каталоге арматуры ТЭС для каждого изделия приведены присоединительные (расточки патрубков, посадочные размеры опор) и габаритные размеры, дублирующие размеры приведенные на сборочном чертеже изделия. Более подробных чертежей мы не разрабатывали, т.к. проектантам применяющим нашу арматуру было достаточно сведений приведенных в ТУ и каталогах. Что касается 3D моделей, то по запросу можем предоставить, в формате Parasolid (*.x_t).

_________________
ЧЗЭМ - качество проверенное временем!

"Энергомаш (Чехов)-ЧЗЭМ" - on-line консультации по арматуре - Изображение


Вернуться к началу
  Ответить с цитатой Ответить на тему  Профиль   Рейтинг: 0  
Непрочитанное сообщениеДобавлено: 29 фев 2016, 13:17 
Не в сети
Аватара пользователя

Зарегистрирован: 15 сен 2012, 11:45
Сообщения: 148
Откуда: Ростов-на-Дону
Благодарил (а): 66 раз.
Поблагодарили: 4 раз.
Заслуженная репутация: 2
 Ответить с цитатой Ответить на тему 
Клапан 1052-65-0 выпускается по ту 37-022-05015348-98 ?

_________________
Взять всё, да и поделить…


Вернуться к началу
  Ответить с цитатой Ответить на тему  Профиль   Рейтинг: 0  
Непрочитанное сообщениеДобавлено: 29 фев 2016, 13:45 
Не в сети
Аватара пользователя

Зарегистрирован: 02 дек 2010, 14:02
Сообщения: 701
Откуда: г. Чехов
Благодарил (а): 8 раз.
Поблагодарили: 149 раз.
Заслуженная репутация: 12
Бравый Арматурщик
 Ответить с цитатой Ответить на тему 
Александр Сергеевич писал(а):

Клапан 1052-65-0 выпускается по ту 37-022-05015348-98 ?

Да, клапан запорный 1052-65-0 изготавливается по ТУ 37-022-05015348-98.

_________________
ЧЗЭМ - качество проверенное временем!

"Энергомаш (Чехов)-ЧЗЭМ" - on-line консультации по арматуре - Изображение


Вернуться к началу
  Ответить с цитатой Ответить на тему  Профиль   Рейтинг: 0  
Непрочитанное сообщениеДобавлено: 29 фев 2016, 16:14 
Не в сети
Аватара пользователя

Зарегистрирован: 15 сен 2012, 11:45
Сообщения: 148
Откуда: Ростов-на-Дону
Благодарил (а): 66 раз.
Поблагодарили: 4 раз.
Заслуженная репутация: 2
 Ответить с цитатой Ответить на тему 
Спасибо.

_________________
Взять всё, да и поделить…


Вернуться к началу
  Ответить с цитатой Ответить на тему  Профиль   Рейтинг: 0  
Непрочитанное сообщениеДобавлено: 03 мар 2016, 19:51 
Аватара пользователя
E-mail: serezha.kravchenko.1969@mail.ru
Организация: ООО
 Ответить с цитатой Ответить на тему 
Добрый день.

Подскажите пожалуйста марку и мощность двигателя на колонковый привод 822-кэ-0

Спасибо.


Вернуться к началу
  Ответить с цитатой Ответить на тему   
Непрочитанное сообщениеДобавлено: 04 мар 2016, 09:13 
Не в сети
Аватара пользователя

Зарегистрирован: 02 дек 2010, 14:02
Сообщения: 701
Откуда: г. Чехов
Благодарил (а): 8 раз.
Поблагодарили: 149 раз.
Заслуженная репутация: 12
Бравый Арматурщик
 Ответить с цитатой Ответить на тему 
С.А.Кравченко писал(а):

Добрый день.
Подскажите пожалуйста марку и мощность двигателя на колонковый привод 822-кэ-0
Спасибо.

Доброе утро!
В состав колонкового электропривода 822-КЭ-0 входит электропривод встроенный 792-Э-0а, электропривод комплектуется электродвигателем АИРС 80А4У2.380В.IM3081 ТУ 16-525.564-84 или АС80А4У2 50Гц 220/380В, IM3001 ТУ 3322-053-05757995-98. Мощность электродвигателя 1,1 кВт.

_________________
ЧЗЭМ - качество проверенное временем!

"Энергомаш (Чехов)-ЧЗЭМ" - on-line консультации по арматуре - Изображение


Вернуться к началу
  Ответить с цитатой Ответить на тему  Профиль   Рейтинг: 0  
Непрочитанное сообщениеДобавлено: 09 мар 2016, 14:50 
Не в сети

Зарегистрирован: 16 янв 2015, 09:48
Сообщения: 5
Благодарил (а): 0 раз.
Поблагодарили: 0 раз.
Заслуженная репутация: 0
 Ответить с цитатой Ответить на тему 
Помогите, пожалуйста, узнать обратный клапан по чертежу. Установлен на выходе подогревателей высокого давления турбины ПТ-25-90.


"Энергомаш (Чехов)-ЧЗЭМ" - on-line консультации по арматуре / 037 11 клапан обратный запрос чертёж  .jpg
84.42 КБ, Просмотров: 57285
Вернуться к началу
  Ответить с цитатой Ответить на тему  Профиль   Рейтинг: 0  
Непрочитанное сообщениеДобавлено: 10 мар 2016, 08:59 
Не в сети
Аватара пользователя

Зарегистрирован: 02 дек 2010, 14:02
Сообщения: 701
Откуда: г. Чехов
Благодарил (а): 8 раз.
Поблагодарили: 149 раз.
Заслуженная репутация: 12
Бравый Арматурщик
 Ответить с цитатой Ответить на тему 
lhagva писал(а):

Помогите, пожалуйста, узнать обратный клапан по чертежу. Установлен на выходе подогревателей высокого давления турбины ПТ-25-90.

Доброе утро! Таких клапанов в нашей номенклатуре нет. Вообще по конструкции это больше похоже на задвижку или клапан запорный, не встречал обратных клапанов с маховиком :-D .

_________________
ЧЗЭМ - качество проверенное временем!

"Энергомаш (Чехов)-ЧЗЭМ" - on-line консультации по арматуре - Изображение


Вернуться к началу
  Ответить с цитатой Ответить на тему  Профиль   Рейтинг: 0  
Непрочитанное сообщениеДобавлено: 10 мар 2016, 13:07 
Аватара пользователя
 Ответить с цитатой Ответить на тему 
lhagva
попробуйте обратиться к специалистам МосЦКБА


Вернуться к началу
  Ответить с цитатой Ответить на тему   
Непрочитанное сообщениеДобавлено: 11 мар 2016, 11:32 
Аватара пользователя
 Ответить с цитатой Ответить на тему 
lhagva писал(а):

Помогите, пожалуйста, узнать обратный клапан по чертежу. Установлен на выходе подогревателей высокого давления турбины ПТ-25-90.

это обратный клапан ПВД производства Таганрогского завода "Красный котельщик" (что-то типа Т-361бс). Обратитесь туда, они по № чертежа вам скажут, ну, или РД 34.40.509-93 вам в помощь - там в конце в приложении перечислена арматура Таганрога, устанавливаемая на разные ПВД.


Вернуться к началу
  Ответить с цитатой Ответить на тему   
Непрочитанное сообщениеДобавлено: 15 мар 2016, 10:31 
Аватара пользователя
E-mail: pkbren@yandex.ru
Телефон: 8863 2710074
Организация: ООО"Теплопроект"
 Ответить с цитатой Ответить на тему 
Здравствуйте,Дмитрий! Помогите,пожалуйста, подобрать задвижку на рабочее давление 100 кГс/см2, 400 гр Цельсия


Вернуться к началу
  Ответить с цитатой Ответить на тему   
Непрочитанное сообщениеДобавлено: 22 мар 2016, 14:38 
Не в сети
Аватара пользователя

Зарегистрирован: 02 дек 2010, 14:02
Сообщения: 701
Откуда: г. Чехов
Благодарил (а): 8 раз.
Поблагодарили: 149 раз.
Заслуженная репутация: 12
Бравый Арматурщик
 Ответить с цитатой Ответить на тему 
черемховская л а писал(а):

Здравствуйте,Дмитрий! Помогите,пожалуйста, подобрать задвижку на рабочее давление 100 кГс/см2, 400 гр Цельсия

Добрый день! Уточните пожалуйста какой условный проход Вам нужен, также если можно размеры стыкуемой трубы и материал трубопровода? Из нашей линейки можно использовать задвижки на параметры 25 МПа/545 градусов, 13,7 МПа/560 градусов или 9,8 МПа/540 градусов. Разделку патрубков выполним под Вашу трубу.

_________________
ЧЗЭМ - качество проверенное временем!

"Энергомаш (Чехов)-ЧЗЭМ" - on-line консультации по арматуре - Изображение


Вернуться к началу
  Ответить с цитатой Ответить на тему  Профиль   Рейтинг: 0  
Непрочитанное сообщениеДобавлено: 23 мар 2016, 01:58 
Аватара пользователя
 Ответить с цитатой Ответить на тему 
Добрый день! требуется установить вентиль запорный 1053-50 с электроприводом, что посоветуете. Спасибо.


Вернуться к началу
  Ответить с цитатой Ответить на тему   
Непрочитанное сообщениеДобавлено: 23 мар 2016, 10:59 
Не в сети
Аватара пользователя

Зарегистрирован: 02 дек 2010, 14:02
Сообщения: 701
Откуда: г. Чехов
Благодарил (а): 8 раз.
Поблагодарили: 149 раз.
Заслуженная репутация: 12
Бравый Арматурщик
 Ответить с цитатой Ответить на тему 
КТЭЦ писал(а):

Добрый день! требуется установить вентиль запорный 1053-50 с электроприводом, что посоветуете. Спасибо.

Добрый день! Клапан запорный 1053-50 изготавливается с разными электроприводами: -ЭМ (с электроприводом производства ЗАО "Тулаэлектропривод"), -ЭН (с электроприводом производства ОАО "БЭМЗ"), -ЭК (с электроприводом производства "ZPA Pecky") и -ЭД (с электроприводом производства AUMA). Вы можете выбрать любой из вышеперечисленных клапанов.

_________________
ЧЗЭМ - качество проверенное временем!

"Энергомаш (Чехов)-ЧЗЭМ" - on-line консультации по арматуре - Изображение


Вернуться к началу
  Ответить с цитатой Ответить на тему  Профиль   Рейтинг: 0  
Непрочитанное сообщениеДобавлено: 23 мар 2016, 16:21 
Аватара пользователя
 Ответить с цитатой Ответить на тему 
Добрый день!

Подскажите, пожалуйста, ориентировочный вес детали - Шпиндель 883-200-7-01 ЧЗЭМ

Заранее благодарю


Вернуться к началу
  Ответить с цитатой Ответить на тему   
Непрочитанное сообщениеДобавлено: 23 мар 2016, 16:56 
Не в сети
Аватара пользователя

Зарегистрирован: 02 дек 2010, 14:02
Сообщения: 701
Откуда: г. Чехов
Благодарил (а): 8 раз.
Поблагодарили: 149 раз.
Заслуженная репутация: 12
Бравый Арматурщик
 Ответить с цитатой Ответить на тему 
Srge писал(а):

Добрый день!

Подскажите, пожалуйста, ориентировочный вес детали - Шпиндель 883-200-7-01 ЧЗЭМ

Заранее благодарю

Добрый день! Шпиндель 883-200-7-01 весит 20,5 кг.

_________________
ЧЗЭМ - качество проверенное временем!

"Энергомаш (Чехов)-ЧЗЭМ" - on-line консультации по арматуре - Изображение


Вернуться к началу
  Ответить с цитатой Ответить на тему  Профиль   Рейтинг: 0  
Непрочитанное сообщениеДобавлено: 23 мар 2016, 23:32 
Аватара пользователя
 Ответить с цитатой Ответить на тему 
А какие технические характеристики этих электроприводов?


Вернуться к началу
  Ответить с цитатой Ответить на тему   
Непрочитанное сообщениеДобавлено: 24 мар 2016, 13:44 
Не в сети
Аватара пользователя

Зарегистрирован: 10 мар 2010, 11:45
Сообщения: 134
Благодарил (а): 13 раз.
Поблагодарили: 29 раз.
Заслуженная репутация: 3
 Ответить с цитатой Ответить на тему 
Добрый день, можно ли использовать задвижку 881-150-ЦЗ по ТУ 37-023-05015348-98 при данных параметрах Ру140 Т560?

_________________
Что делает ветер когда не дует?


Вернуться к началу
  Ответить с цитатой Ответить на тему  Профиль   Рейтинг: 0  
Непрочитанное сообщениеДобавлено: 24 мар 2016, 14:42 
Не в сети
Аватара пользователя

Зарегистрирован: 02 дек 2010, 14:02
Сообщения: 701
Откуда: г. Чехов
Благодарил (а): 8 раз.
Поблагодарили: 149 раз.
Заслуженная репутация: 12
Бравый Арматурщик
 Ответить с цитатой Ответить на тему 
Elephant писал(а):

Добрый день, можно ли использовать задвижку 881-150-ЦЗ по ТУ 37-023-05015348-98 при данных параметрах Ру140 Т560?

Добрый день! Использовать задвижку 881-150-ЦЗ на параметры 14,0 МПа/560 градусов можно.

_________________
ЧЗЭМ - качество проверенное временем!

"Энергомаш (Чехов)-ЧЗЭМ" - on-line консультации по арматуре - Изображение


Вернуться к началу
  Ответить с цитатой Ответить на тему  Профиль   Рейтинг: 0  
Непрочитанное сообщениеДобавлено: 24 мар 2016, 15:13 
Не в сети
Аватара пользователя

Зарегистрирован: 02 дек 2010, 14:02
Сообщения: 701
Откуда: г. Чехов
Благодарил (а): 8 раз.
Поблагодарили: 149 раз.
Заслуженная репутация: 12
Бравый Арматурщик
 Ответить с цитатой Ответить на тему 
КТЭЦ писал(а):

А какие технические характеристики этих электроприводов?

Обозначения электроприводов с указанием технических условий, а также мощность электродвигателя Вы можете посмотреть во вложении. Если Вам необходимы более подробные характеристики, то Вы можете обратиться на сайты соответствующих изготовителей, где по обозначению привода можно найти более подробную информацию. Или напишите, какие конкретные характеристики электропривода Вас интересуют, постараемся Вам помочь.


Привода_1053-50.doc [31 КБ]
Скачиваний: 598

_________________
ЧЗЭМ - качество проверенное временем!

"Энергомаш (Чехов)-ЧЗЭМ" - on-line консультации по арматуре - Изображение
Вернуться к началу
  Ответить с цитатой Ответить на тему  Профиль   Рейтинг: 0  
Непрочитанное сообщениеДобавлено: 25 мар 2016, 10:31 
Не в сети
Аватара пользователя

Зарегистрирован: 10 мар 2010, 11:45
Сообщения: 134
Благодарил (а): 13 раз.
Поблагодарили: 29 раз.
Заслуженная репутация: 3
 Ответить с цитатой Ответить на тему 
ЧЗЭМспасибо, подскажите, пожалуйста, кому направить запрос чтобы получить официальный ответ от завода? И какие данные должны быть включены в запрос.

_________________
Что делает ветер когда не дует?


Вернуться к началу
  Ответить с цитатой Ответить на тему  Профиль   Рейтинг: 0  
Непрочитанное сообщениеДобавлено: 25 мар 2016, 10:53 
Не в сети
Аватара пользователя

Зарегистрирован: 02 дек 2010, 14:02
Сообщения: 701
Откуда: г. Чехов
Благодарил (а): 8 раз.
Поблагодарили: 149 раз.
Заслуженная репутация: 12
Бравый Арматурщик
 Ответить с цитатой Ответить на тему 
Elephant писал(а):

ЧЗЭМспасибо, подскажите, пожалуйста, кому направить запрос чтобы получить официальный ответ от завода? И какие данные должны быть включены в запрос.

По данному вопросу Вы можете направить запрос на имя Главного конструктора Задойного Владимира Анатольевича, факс (496) 727-23-17, e-mail: zva_ogk@zavodchzem.ru. В запросе укажите обозначение задвижки и требуемые параметры рабочей среды (давление и температуру).

_________________
ЧЗЭМ - качество проверенное временем!

"Энергомаш (Чехов)-ЧЗЭМ" - on-line консультации по арматуре - Изображение


Вернуться к началу
  Ответить с цитатой Ответить на тему  Профиль   Рейтинг: 0  
Непрочитанное сообщениеДобавлено: 25 мар 2016, 12:39 
Не в сети

Зарегистрирован: 07 фев 2014, 09:23
Сообщения: 51
Благодарил (а): 0 раз.
Поблагодарили: 0 раз.
Заслуженная репутация: 0
 Ответить с цитатой Ответить на тему 
Добрый день, скажите пожалуйста, есть ли у Вас каталог встроенных электроприводов для регулирующей и запорной арматуры производства ЧЗЭМ.
И как его можно получить?


Вернуться к началу
  Ответить с цитатой Ответить на тему  Профиль   Рейтинг: 0  
Непрочитанное сообщениеДобавлено: 25 мар 2016, 13:22 
Не в сети
Аватара пользователя

Зарегистрирован: 02 дек 2010, 14:02
Сообщения: 701
Откуда: г. Чехов
Благодарил (а): 8 раз.
Поблагодарили: 149 раз.
Заслуженная репутация: 12
Бравый Арматурщик
 Ответить с цитатой Ответить на тему 
Engineer писал(а):

Добрый день, скажите пожалуйста, есть ли у Вас каталог встроенных электроприводов для регулирующей и запорной арматуры производства ЧЗЭМ.
И как его можно получить?

Добрый день! Каталога встроенных электроприводов у нас нет, т.к. мы не поставляем встроенные электропривода как отдельное изделие. Номенклатура колонковых электроприводов, которые мы поставляем, приведена в каталоге арматуры ТЭС. Но если Вас интересуют технические характеристики выпускаемых заводом электроприводов, то Вы можете посмотреть их в технических условиях во вложении.


ТУ 24.03.1525-89.pdf [3.03 МБ]
Скачиваний: 726

_________________
ЧЗЭМ - качество проверенное временем!

"Энергомаш (Чехов)-ЧЗЭМ" - on-line консультации по арматуре - Изображение
Вернуться к началу
  Ответить с цитатой Ответить на тему  Профиль   Рейтинг: 0  
Непрочитанное сообщениеДобавлено: 25 мар 2016, 13:29 
Не в сети

Зарегистрирован: 07 фев 2014, 09:23
Сообщения: 51
Благодарил (а): 0 раз.
Поблагодарили: 0 раз.
Заслуженная репутация: 0
 Ответить с цитатой Ответить на тему 
Добрый день! Каталога встроенных электроприводов у нас нет, т.к. мы не поставляем встроенные электропривода как отдельное изделие. Номенклатура колонковых электроприводов, которые мы поставляем, приведена в каталоге арматуры ТЭС. Но если Вас интересуют технические характеристики выпускаемых заводом электроприводов, то Вы можете посмотреть их в технических условиях во вложении.[/quote]

Огромное спасибо, как раз технические характеристики и нужны.


Вернуться к началу
  Ответить с цитатой Ответить на тему  Профиль   Рейтинг: 0  
Непрочитанное сообщениеДобавлено: 28 мар 2016, 12:04 
Аватара пользователя
E-mail: s.markin@ iton.ru
Телефон: 8-905-507-07-89
Организация: ООО "Итон-3"
 Ответить с цитатой Ответить на тему 
Здравствуйте!
Нам нужны: импульсный клапан SV-RMZ-ES-22NC-20-DC24V

Кол-во 8 шт.


Вернуться к началу
  Ответить с цитатой Ответить на тему   
Непрочитанное сообщениеДобавлено: 28 мар 2016, 13:54 
Не в сети
Аватара пользователя

Зарегистрирован: 02 дек 2010, 14:02
Сообщения: 701
Откуда: г. Чехов
Благодарил (а): 8 раз.
Поблагодарили: 149 раз.
Заслуженная репутация: 12
Бравый Арматурщик
 Ответить с цитатой Ответить на тему 
Сергей Маркин писал(а):

Здравствуйте!
Нам нужны: импульсный клапан SV-RMZ-ES-22NC-20-DC24V
Кол-во 8 шт.

Добрый день! Это мембранный клапан импульсной продувки рукавных фильтров с электромагнитным приводом на воздух давлением 3-8 бар, в нашей номенклатуре таких клапанов нет. Завод-изготовитель этих клапанов Вам могут подсказать в соседней ветке - консультации со специалистами МосЦКБА :-D .

_________________
ЧЗЭМ - качество проверенное временем!

"Энергомаш (Чехов)-ЧЗЭМ" - on-line консультации по арматуре - Изображение


Вернуться к началу
  Ответить с цитатой Ответить на тему  Профиль   Рейтинг: 0  
Непрочитанное сообщениеДобавлено: 30 мар 2016, 02:24 
Аватара пользователя
 Ответить с цитатой Ответить на тему 
Добрый день! Имеется не очень новая задвижка (если верно прочитали надпись 883 100-1 ХМФ) требуется шток и тарелка. Если можно геометрические размеры данных деталей, для сравнения. Заранее благодарю


Вернуться к началу
  Ответить с цитатой Ответить на тему   
Непрочитанное сообщениеДобавлено: 30 мар 2016, 08:53 
Не в сети
Аватара пользователя

Зарегистрирован: 02 дек 2010, 14:02
Сообщения: 701
Откуда: г. Чехов
Благодарил (а): 8 раз.
Поблагодарили: 149 раз.
Заслуженная репутация: 12
Бравый Арматурщик
 Ответить с цитатой Ответить на тему 
КТЭЦ писал(а):

Добрый день! Имеется не очень новая задвижка (если верно прочитали надпись 883 100-1 ХМФ) требуется шток и тарелка. Если можно геометрические размеры данных деталей, для сравнения. Заранее благодарю

Добрый день! Возможно у Вас задвижка 883-100-ЦЗ (-КЗ, -Э), в данной задвижке используется корпус 883-100-1-01 (сталь 15Х1МФЛ), что соответствует Вашей маркировке. Тогда тарелка может быть 883-100-3-01 (диаметр 120 мм, толщина 36,5 мм), шпиндель может быть 883-100-5 (длина 600 мм, диаметр в зоне сальника 36d11, ходовая резьба Tr36x6 LH, резьба со стороны обоймы М36х4).

_________________
ЧЗЭМ - качество проверенное временем!

"Энергомаш (Чехов)-ЧЗЭМ" - on-line консультации по арматуре - Изображение


Вернуться к началу
  Ответить с цитатой Ответить на тему  Профиль   Рейтинг: 0  
Непрочитанное сообщениеДобавлено: 30 мар 2016, 11:56 
Аватара пользователя
E-mail: ser-ious@yandex.ru
Телефон: 89276492764
Организация: Energia
 Ответить с цитатой Ответить на тему 
Добрый день.
Задвижка 1511-300-ЭНБ
Вопрос: какое у этой задвижки число оборотов вала до открытия/закрытия и какое посадочное место? "Г"?
Пояснение: Подбираем привод.

Спасибо.


Вернуться к началу
  Ответить с цитатой Ответить на тему   
Непрочитанное сообщениеДобавлено: 30 мар 2016, 14:02 
Не в сети
Аватара пользователя

Зарегистрирован: 02 дек 2010, 14:02
Сообщения: 701
Откуда: г. Чехов
Благодарил (а): 8 раз.
Поблагодарили: 149 раз.
Заслуженная репутация: 12
Бравый Арматурщик
 Ответить с цитатой Ответить на тему 
Snabjen писал(а):

Добрый день.
Задвижка 1511-300-ЭНБ
Вопрос: какое у этой задвижки число оборотов вала до открытия/закрытия и какое посадочное место? "Г"?
Пояснение: Подбираем привод.
Спасибо.

Добрый день! Для задвижки 1511-300 максимальный крутящий момент на втулке шпинделя 900 Нм, количество оборотов для осуществления полного хода - 30 (ход затвора 237 мм), тип присоединения по ОСТ 26-07-763-73 - Г. Приведенные выше данные для выпускаемой в настоящий момент задвижки 1511-300-ЭМШ, с корпусом из отливки ЭШП и электроприводом ЗАО "Тулаэлектропривод". Раньше еще выпускалась задвижка 1511-300-ЭН с литым корпусом, приводом ОАО "БЭМЗ" и цельным затвором (ход этой задвижки был 270 мм). Задвижка 1511-300-ЭНБ насколько я знаю нашим заводом еще никуда не поставлялась, если ее будут изготавливать, то она будет соответствовать по характеристикам 1511-300-ЭМШ.

_________________
ЧЗЭМ - качество проверенное временем!

"Энергомаш (Чехов)-ЧЗЭМ" - on-line консультации по арматуре - Изображение


Вернуться к началу
  Ответить с цитатой Ответить на тему  Профиль   Рейтинг: 0  
Непрочитанное сообщениеДобавлено: 04 апр 2016, 15:11 
Аватара пользователя
Организация: ООО
 Ответить с цитатой Ответить на тему 
Добрый день.
Подскажите по номеру на клапане можно узнать год выпуска?


"Энергомаш (Чехов)-ЧЗЭМ" - on-line консультации по арматуре / P1180709.JPG
807.96 КБ, Просмотров: 53818
Вернуться к началу
  Ответить с цитатой Ответить на тему   
Непрочитанное сообщениеДобавлено: 05 апр 2016, 14:48 
Не в сети
Аватара пользователя

Зарегистрирован: 02 дек 2010, 14:02
Сообщения: 701
Откуда: г. Чехов
Благодарил (а): 8 раз.
Поблагодарили: 149 раз.
Заслуженная репутация: 12
Бравый Арматурщик
 Ответить с цитатой Ответить на тему 
Сергей К. писал(а):

Добрый день.
Подскажите по номеру на клапане можно узнать год выпуска?

Добрый день! Данный клапан изготовлен в 2009 году.

_________________
ЧЗЭМ - качество проверенное временем!

"Энергомаш (Чехов)-ЧЗЭМ" - on-line консультации по арматуре - Изображение


Вернуться к началу
  Ответить с цитатой Ответить на тему  Профиль   Рейтинг: 0  
Непрочитанное сообщениеДобавлено: 13 апр 2016, 11:15 
Не в сети

Зарегистрирован: 07 фев 2014, 09:23
Сообщения: 51
Благодарил (а): 0 раз.
Поблагодарили: 0 раз.
Заслуженная репутация: 0
 Ответить с цитатой Ответить на тему 
Здравствуйте!
Скажите, возможно ли как то посчитать пропускную способность РОУ? И может ли вообще РОУ характеризоваться пропускной способностью?


Вернуться к началу
  Ответить с цитатой Ответить на тему  Профиль   Рейтинг: 0  
Непрочитанное сообщениеДобавлено: 13 апр 2016, 11:30 
Не в сети
Аватара пользователя

Зарегистрирован: 02 дек 2010, 14:02
Сообщения: 701
Откуда: г. Чехов
Благодарил (а): 8 раз.
Поблагодарили: 149 раз.
Заслуженная репутация: 12
Бравый Арматурщик
 Ответить с цитатой Ответить на тему 
Engineer писал(а):

Здравствуйте!
Скажите, возможно ли как то посчитать пропускную способность РОУ? И может ли вообще РОУ характеризоваться пропускной способностью?

Добрый день! Для проведения теплогидравлического расчета редукционной охладительной установки одним из исходных параметров является производительность РОУ по острому или редуцированному пару, измеряемая в тоннах в час. На основании этой величины считаются все элементы входящие в состав РОУ, т.е. определяется расход среды через дроссельный клапан и ИПУ, расход охлаждающей воды через регулирующий клапан, т.е. подбирается арматура для комплектации РОУ. С понятием пропускной способности РОУ в целом мы не сталкивались.

_________________
ЧЗЭМ - качество проверенное временем!

"Энергомаш (Чехов)-ЧЗЭМ" - on-line консультации по арматуре - Изображение


Вернуться к началу
  Ответить с цитатой Ответить на тему  Профиль   Рейтинг: 0  
Непрочитанное сообщениеДобавлено: 13 апр 2016, 12:12 
Не в сети

Зарегистрирован: 07 фев 2014, 09:23
Сообщения: 51
Благодарил (а): 0 раз.
Поблагодарили: 0 раз.
Заслуженная репутация: 0
 Ответить с цитатой Ответить на тему 
ЧЗЭМ писал(а):

Engineer писал(а):

Здравствуйте!
Скажите, возможно ли как то посчитать пропускную способность РОУ? И может ли вообще РОУ характеризоваться пропускной способностью?

Добрый день! Для проведения теплогидравлического расчета редукционной охладительной установки одним из исходных параметров является производительность РОУ по острому или редуцированному пару, измеряемая в тоннах в час. На основании этой величины считаются все элементы входящие в состав РОУ, т.е. определяется расход среды через дроссельный клапан и ИПУ, расход охлаждающей воды через регулирующий клапан, т.е. подбирается арматура для комплектации РОУ. С понятием пропускной способности РОУ в целом мы не сталкивались.


Спасибо за ответ! А как можно рассчитать пропускную способность сечения трубопровода? Возможно это имеют ввиду...


Вернуться к началу
  Ответить с цитатой Ответить на тему  Профиль   Рейтинг: 0  
Непрочитанное сообщениеДобавлено: 13 апр 2016, 12:49 
Не в сети

Зарегистрирован: 07 фев 2014, 09:23
Сообщения: 51
Благодарил (а): 0 раз.
Поблагодарили: 0 раз.
Заслуженная репутация: 0
 Ответить с цитатой Ответить на тему 
Engineer писал(а):

ЧЗЭМ писал(а):

Engineer писал(а):

Здравствуйте!
Скажите, возможно ли как то посчитать пропускную способность РОУ? И может ли вообще РОУ характеризоваться пропускной способностью?

Добрый день! Для проведения теплогидравлического расчета редукционной охладительной установки одним из исходных параметров является производительность РОУ по острому или редуцированному пару, измеряемая в тоннах в час. На основании этой величины считаются все элементы входящие в состав РОУ, т.е. определяется расход среды через дроссельный клапан и ИПУ, расход охлаждающей воды через регулирующий клапан, т.е. подбирается арматура для комплектации РОУ. С понятием пропускной способности РОУ в целом мы не сталкивались.


Спасибо за ответ! А как можно рассчитать пропускную способность сечения трубопровода? Возможно это имеют ввиду...



Или возможно ли рассчитать пропускная способность именно самого охладителя пара с установленными в нем дроссельными решетками?


Вернуться к началу
  Ответить с цитатой Ответить на тему  Профиль   Рейтинг: 0  
Показать сообщения за:  Поле сортировки  
Начать новую тему Ответить на тему  Страница 19 из 34  [ Сообщений: 1697 ]  На страницу Пред.  1 ... 16, 17, 18, 19, 20, 21, 22 ... 34  След.

Быстрый ответ
Вы не можете оставлять комментарии и ответы, пожалуйста ЗАРЕГИСТРИРУЙТЕСЬ для возможности полноценного доступа к форумам этой ветки

Часовой пояс: UTC + 3 часа [ Летнее время ]


Кто сейчас на конференции

Сейчас этот форум просматривают: нет зарегистрированных пользователей и гости: 1


Вы не можете начинать темы
Вы не можете отвечать на сообщения
Вы не можете редактировать свои сообщения
Вы не можете удалять свои сообщения
Вы не можете добавлять вложения

Перейти: 
cron
Powered by phpBB © 2000, 2002, 2005, 2007 phpBB Group [ Time : 1.048s | 141 Queries | GZIP : Off ]

@Mail.ru
Администрация портала не несёт ответственности за достоверность размещённой в сообщениях форума информации.