Часовой пояс: UTC + 3 часа [ Летнее время ]




Начать новую тему Ответить на тему
 Страница 1 из 1  [ Сообщений: 3 ] 
Автор Сообщение
 Заголовок сообщения: пружина для сппк
Непрочитанное сообщениеДобавлено: 23 авг 2018, 05:39 
Не в сети

Зарегистрирован: 26 сен 2013, 07:56
Сообщения: 11
Благодарил (а): 0 раз.
Поблагодарили: 0 раз.
Заслуженная репутация: 0
 Ответить с цитатой Ответить на тему 
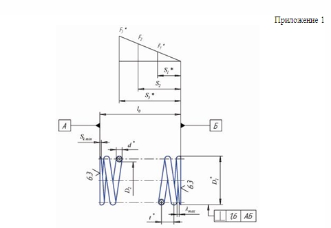
Здравствуйте, нужна помощь, есть ли у кого размеры пружины №13 ( диаметр прутка, наружний диаметр витка, общая длина пружины и полное количество витков) для благовещенского клапана 17с23нж Ду 50 ?


Вернуться к началу
  Ответить с цитатой Ответить на тему  Профиль   Рейтинг: 0  
 Заголовок сообщения: Re: пружина для сппк
Непрочитанное сообщениеДобавлено: 23 авг 2018, 16:29 
Не в сети
Аватара пользователя

Зарегистрирован: 05 ноя 2009, 15:56
Сообщения: 217
Благодарил (а): 12 раз.
Поблагодарили: 59 раз.
Заслуженная репутация: 1
 Ответить с цитатой Ответить на тему 
Вот


пружина для сппк / фото пр.jpg
34.03 КБ, Просмотров: 5773 пружина для сппк / размеры пр.JPG
188.83 КБ, Просмотров: 5773
Вернуться к началу
  Ответить с цитатой Ответить на тему  Профиль   Рейтинг: 0  
 Заголовок сообщения: Re: пружина для сппк
Непрочитанное сообщениеДобавлено: 24 авг 2018, 07:37 
Не в сети

Зарегистрирован: 26 сен 2013, 07:56
Сообщения: 11
Благодарил (а): 0 раз.
Поблагодарили: 0 раз.
Заслуженная репутация: 0
 Ответить с цитатой Ответить на тему 
Спасибо огромное !!


Вернуться к началу
  Ответить с цитатой Ответить на тему  Профиль   Рейтинг: 0  
Показать сообщения за:  Поле сортировки  
Начать новую тему Ответить на тему  Страница 1 из 1  [ Сообщений: 3 ] 

Быстрый ответ
Вы не можете оставлять комментарии и ответы, пожалуйста ЗАРЕГИСТРИРУЙТЕСЬ для возможности полноценного доступа к форумам этой ветки

Часовой пояс: UTC + 3 часа [ Летнее время ]


Кто сейчас на конференции

Сейчас этот форум просматривают: нет зарегистрированных пользователей и гости: 16


Вы не можете начинать темы
Вы не можете отвечать на сообщения
Вы не можете редактировать свои сообщения
Вы не можете удалять свои сообщения
Вы не можете добавлять вложения

Перейти: 
Powered by phpBB © 2000, 2002, 2005, 2007 phpBB Group [ Time : 1.250s | 35 Queries | GZIP : Off ]

@Mail.ru
Администрация портала не несёт ответственности за достоверность размещённой в сообщениях форума информации.