Часовой пояс: UTC + 3 часа [ Летнее время ]




Начать новую тему Ответить на тему
 Страница 1 из 1  [ Сообщений: 5 ] 
Автор Сообщение
 Заголовок сообщения: Помогите опознать...
Непрочитанное сообщениеДобавлено: 28 июл 2017, 06:48 
Не в сети
Аватара пользователя

Зарегистрирован: 06 окт 2013, 15:07
Сообщения: 181
Благодарил (а): 11 раз.
Поблагодарили: 3 раз.
Заслуженная репутация: 0
 Ответить с цитатой Ответить на тему 
Добрый день всем.
Помогите пожалуйста опознать затвор.
На нем нет никаких бирок и клейм.
Из того что есть:
Ду 300, Ответные фланцы по межцентрам
исходя из таблицы Ру10.
Уплотнение резина.
Похоже это изделие не для воды.
Либо для воздуха, либо для каких-то сыпучих.
Может кто знает правильную марку и производителя,
или хотя бы правильное название изделия.


Помогите опознать... / IMG_20170726_130227.jpg
1.88 МБ, Просмотров: 8792 Помогите опознать... / IMG_20170726_125927.jpg
1.85 МБ, Просмотров: 8792 Помогите опознать... / IMG_20170726_125920.jpg
2.05 МБ, Просмотров: 8792

_________________
ЭНЕРГЕТИЧЕСКАЯ АРМАТУРА с реальным количеством в наличии
и базовыми ценами тут:

http://www.promagrosnab24.ru/energetich-armatur.html
СКИДКИ до 20%, особые условия СНАБЖЕНЦАМ!!!
Вернуться к началу
  Ответить с цитатой Ответить на тему  Профиль   Рейтинг: 0  
 Заголовок сообщения: Re: Помогите опознать...
Непрочитанное сообщениеДобавлено: 31 июл 2017, 09:21 
Не в сети

Зарегистрирован: 17 июн 2013, 21:56
Сообщения: 3222
Благодарил (а): 354 раз.
Поблагодарили: 451 раз.
Заслуженная репутация: 22
Общепризнанный Арматурщик
 Ответить с цитатой Ответить на тему 
ПРОМАГРОСНАБ
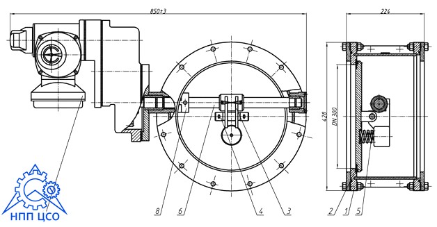
Видимо, никто не верит, что Вы не знаете, что это такое.Вот чертёж гермоклапана Ду 300 производства ООО НПП "Центр специального оборудования", г.Волжский, www.npp-cso.ru.


Помогите опознать... / ГК ИА 01009-300.jpg
59.59 КБ, Просмотров: 8595
Вернуться к началу
  Ответить с цитатой Ответить на тему  Профиль   Рейтинг: 0  
 Заголовок сообщения: Re: Помогите опознать...
Непрочитанное сообщениеДобавлено: 31 июл 2017, 10:27 
Не в сети
Аватара пользователя

Зарегистрирован: 06 окт 2013, 15:07
Сообщения: 181
Благодарил (а): 11 раз.
Поблагодарили: 3 раз.
Заслуженная репутация: 0
 Ответить с цитатой Ответить на тему 
Скориков Ю.И. писал(а):

ПРОМАГРОСНАБ
Видимо, никто не верит, что Вы не знаете, что это такое.Вот чертёж гермоклапана Ду 300 производства ООО НПП "Центр специального оборудования", г.Волжский, http://www.npp-cso.ru.

Спасибо большое, как всегда выручили.
sm_61
П.С. Реально с таким чудом техники не знаком,
лежат уже лет восемь, достались по случаю прицепом
с арматурой нашего направления.
Еще раз спасибо, буду изучать информацию. sm_40

_________________
ЭНЕРГЕТИЧЕСКАЯ АРМАТУРА с реальным количеством в наличии
и базовыми ценами тут:

http://www.promagrosnab24.ru/energetich-armatur.html
СКИДКИ до 20%, особые условия СНАБЖЕНЦАМ!!!


Вернуться к началу
  Ответить с цитатой Ответить на тему  Профиль   Рейтинг: 0  
 Заголовок сообщения: Re: Помогите опознать...
Непрочитанное сообщениеДобавлено: 31 июл 2017, 10:52 
Аватара пользователя
E-mail: v.yermilov@mail.ru
Организация: ООО
 Ответить с цитатой Ответить на тему 
Юрий Иванович, с таким же успехом это могут быть и московские, и хохлятские и казахстанские гермоклапаны.


Вернуться к началу
  Ответить с цитатой Ответить на тему   
 Заголовок сообщения: Re: Помогите опознать...
Непрочитанное сообщениеДобавлено: 31 июл 2017, 10:54 
Не в сети

Зарегистрирован: 17 июн 2013, 21:56
Сообщения: 3222
Благодарил (а): 354 раз.
Поблагодарили: 451 раз.
Заслуженная репутация: 22
Общепризнанный Арматурщик
 Ответить с цитатой Ответить на тему 
Владимир Романович
Несомненно.


Вернуться к началу
  Ответить с цитатой Ответить на тему  Профиль   Рейтинг: 0  
Показать сообщения за:  Поле сортировки  
Начать новую тему Ответить на тему  Страница 1 из 1  [ Сообщений: 5 ] 

Быстрый ответ
Вы не можете оставлять комментарии и ответы, пожалуйста ЗАРЕГИСТРИРУЙТЕСЬ для возможности полноценного доступа к форумам этой ветки

Часовой пояс: UTC + 3 часа [ Летнее время ]


Кто сейчас на конференции

Сейчас этот форум просматривают: нет зарегистрированных пользователей и гости: 28


Вы не можете начинать темы
Вы не можете отвечать на сообщения
Вы не можете редактировать свои сообщения
Вы не можете удалять свои сообщения
Вы не можете добавлять вложения

Перейти: 
Powered by phpBB © 2000, 2002, 2005, 2007 phpBB Group [ Time : 4.277s | 38 Queries | GZIP : Off ]

@Mail.ru
Администрация портала не несёт ответственности за достоверность размещённой в сообщениях форума информации.