Часовой пояс: UTC + 3 часа [ Летнее время ]




Начать новую тему Ответить на тему
 Страница 30 из 34  [ Сообщений: 1697 ]  На страницу Пред.  1 ... 27, 28, 29, 30, 31, 32, 33, 34  След.
Автор Сообщение
Непрочитанное сообщениеДобавлено: 21 июн 2019, 13:52 
Не в сети
Аватара пользователя

Зарегистрирован: 02 дек 2010, 14:02
Сообщения: 701
Откуда: г. Чехов
Благодарил (а): 8 раз.
Поблагодарили: 149 раз.
Заслуженная репутация: 12
Бравый Арматурщик
 Ответить с цитатой Ответить на тему 
Антон Павлович Чехов писал(а):

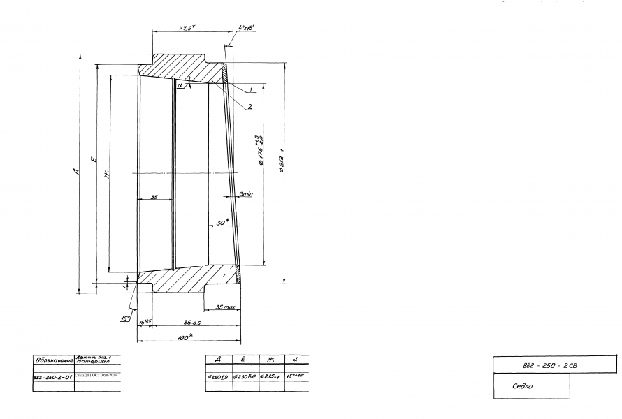
Здравствуйте! Помогите с эскизами седел (размеры) для задвижек 882-250-Э 23,5 мра 250°С и задвижки 883-250-Э01 13,7 мра 560°С.

Добрый день! В задвижке 882-250-Э используется седло 882-250-2-01, в задвижке 883-250-Э-01 используется седло 883-300-1-1. Эскизы с основными размерами Вы можете посмотреть во вложении.


"Энергомаш (Чехов)-ЧЗЭМ" - on-line консультации по арматуре / 883-300-1-1.jpg
131.75 КБ, Просмотров: 102117 "Энергомаш (Чехов)-ЧЗЭМ" - on-line консультации по арматуре / 882-250-2-01.jpg
161.63 КБ, Просмотров: 102121

_________________
ЧЗЭМ - качество проверенное временем!

"Энергомаш (Чехов)-ЧЗЭМ" - on-line консультации по арматуре - Изображение
Вернуться к началу
  Ответить с цитатой Ответить на тему  Профиль   Рейтинг: 0  
Непрочитанное сообщениеДобавлено: 25 июн 2019, 10:59 
Не в сети
Аватара пользователя

Зарегистрирован: 02 дек 2010, 14:02
Сообщения: 701
Откуда: г. Чехов
Благодарил (а): 8 раз.
Поблагодарили: 149 раз.
Заслуженная репутация: 12
Бравый Арматурщик
 Ответить с цитатой Ответить на тему 
гость писал(а):

Добрый день. Чем отличаются колонковые привода 824-КЭ-0 и 824-КЭ-0-01? Материалом червячного колеса или еще чем-то?
Задвижка 882-250-КЭ комплектуется сейчас приводом 824-КЭ-0-01 (в старой документации указан 824-КЭ-0)?

Добрый день! Извиняюсь за задержку с ответом. Электропривод колонковый 824-КЭ-0 аннулирован и заменен на 824-КЭ-0-01. Отличаются эти привода материалом червячного колеса (старый привод имел колесо из ДСП, новый из стали с бронзовым венцом), конструкцией шарнира Гука и габаритами. Сам привод 824-КЭ-0 был разработан в 1955 году и не имел исполнений, кроме основного.

_________________
ЧЗЭМ - качество проверенное временем!

"Энергомаш (Чехов)-ЧЗЭМ" - on-line консультации по арматуре - Изображение


Вернуться к началу
  Ответить с цитатой Ответить на тему  Профиль   Рейтинг: 0  
Непрочитанное сообщениеДобавлено: 13 авг 2019, 19:23 
Аватара пользователя
Организация: ОТК ТГК-1
 Ответить с цитатой Ответить на тему 
Добрый день.

Подскажите пожалуйста!
На клапана 1052-65-0 какая идёт разрешительная документация?
Спасибо.


Вернуться к началу
  Ответить с цитатой Ответить на тему   
Непрочитанное сообщениеДобавлено: 14 авг 2019, 15:16 
Не в сети
Аватара пользователя

Зарегистрирован: 02 дек 2010, 14:02
Сообщения: 701
Откуда: г. Чехов
Благодарил (а): 8 раз.
Поблагодарили: 149 раз.
Заслуженная репутация: 12
Бравый Арматурщик
 Ответить с цитатой Ответить на тему 
Мамонов Р.М писал(а):

Добрый день.
Подскажите пожалуйста!
На клапана 1052-65-0 какая идёт разрешительная документация?
Спасибо.

Добрый день! На клапан запорный 1052-65-0 (по параметрам рабочей среды и проходу) у нас получена Декларация о соответствии требованиям ТР ТС 010/2011 «О безопасности машин и оборудования».

_________________
ЧЗЭМ - качество проверенное временем!

"Энергомаш (Чехов)-ЧЗЭМ" - on-line консультации по арматуре - Изображение


Вернуться к началу
  Ответить с цитатой Ответить на тему  Профиль   Рейтинг: 0  
Непрочитанное сообщениеДобавлено: 21 авг 2019, 13:06 
Не в сети

Зарегистрирован: 08 авг 2016, 22:36
Сообщения: 63
Благодарил (а): 3 раз.
Поблагодарили: 0 раз.
Заслуженная репутация: 0
 Ответить с цитатой Ответить на тему 
Добрый день! Помогите пожалуйста с чертежом на штифт 883-100-19-06 фиксирующий шпиндель с обоймой для задвижки 882-250-Э... Спасибо!


Вернуться к началу
  Ответить с цитатой Ответить на тему  Профиль   Рейтинг: 0  
Непрочитанное сообщениеДобавлено: 03 сен 2019, 06:15 
Аватара пользователя
 Ответить с цитатой Ответить на тему 
Здравствуйте. Это ошибка???


"Энергомаш (Чехов)-ЧЗЭМ" - on-line консультации по арматуре / ГПК.jpg
448.1 КБ, Просмотров: 99161
Вернуться к началу
  Ответить с цитатой Ответить на тему   
Непрочитанное сообщениеДобавлено: 03 сен 2019, 06:53 
Аватара пользователя
 Ответить с цитатой Ответить на тему 
гость писал(а):

Здравствуйте. Это ошибка???

Все, разобрался. Это Ру, а Рр= 0,8-1,2 МПа


Вернуться к началу
  Ответить с цитатой Ответить на тему   
Непрочитанное сообщениеДобавлено: 09 сен 2019, 15:58 
Не в сети

Зарегистрирован: 30 май 2019, 14:08
Сообщения: 6
Благодарил (а): 0 раз.
Поблагодарили: 0 раз.
Заслуженная репутация: 0
 Ответить с цитатой Ответить на тему 
Здравствуйте!
В руководствах главных предохранительных клапанов:
111-250/400-0б РЭ
392-175/95-0Г РЭ
1203-150/200-О РЭ
приводятся значения реактивных сил.
Прошу подсказать отечественную нормативную методику их для расчета
Методика нужна не для перепроверки представленных данных,
а для использования в расчетах сбросов с предохранительных клапанов в химической промышленности.

Иностранные методики известны и не интересуют.

PS также очень интересна статистика или описание инцидентов связанных с недоучетом реактивной силы от срабатывания предохранительных клапанов (не зависимо от изготовителя ПК)


Вернуться к началу
  Ответить с цитатой Ответить на тему  Профиль   Рейтинг: 0  
Непрочитанное сообщениеДобавлено: 13 сен 2019, 15:14 
Не в сети
Аватара пользователя

Зарегистрирован: 02 дек 2010, 14:02
Сообщения: 701
Откуда: г. Чехов
Благодарил (а): 8 раз.
Поблагодарили: 149 раз.
Заслуженная репутация: 12
Бравый Арматурщик
 Ответить с цитатой Ответить на тему 
Антон Павлович Чехов писал(а):

Добрый день! Помогите пожалуйста с чертежом на штифт 883-100-19-06 фиксирующий шпиндель с обоймой для задвижки 882-250-Э... Спасибо!

Добрый день! Извиняюсь за задержку с ответом! Эскиз штифта направил Вам через личные сообщения.

_________________
ЧЗЭМ - качество проверенное временем!

"Энергомаш (Чехов)-ЧЗЭМ" - on-line консультации по арматуре - Изображение


Вернуться к началу
  Ответить с цитатой Ответить на тему  Профиль   Рейтинг: 0  
Непрочитанное сообщениеДобавлено: 13 сен 2019, 15:21 
Не в сети
Аватара пользователя

Зарегистрирован: 02 дек 2010, 14:02
Сообщения: 701
Откуда: г. Чехов
Благодарил (а): 8 раз.
Поблагодарили: 149 раз.
Заслуженная репутация: 12
Бравый Арматурщик
 Ответить с цитатой Ответить на тему 
_Юрий_ писал(а):

Здравствуйте!
В руководствах главных предохранительных клапанов:
111-250/400-0б РЭ
392-175/95-0Г РЭ
1203-150/200-О РЭ
приводятся значения реактивных сил.
Прошу подсказать отечественную нормативную методику их для расчета
Методика нужна не для перепроверки представленных данных,
а для использования в расчетах сбросов с предохранительных клапанов в химической промышленности.
Иностранные методики известны и не интересуют.
PS также очень интересна статистика или описание инцидентов связанных с недоучетом реактивной силы от срабатывания предохранительных клапанов (не зависимо от изготовителя ПК)

Добрый день! Да, мы считаем реактивное усилие для предохранительной и запорно-дроссельной арматуры. Пример расчета Вы можете посмотреть во вложении. Но это расчет для внутреннего использования, при проектировании арматуры. Официальной методики у нас нет.


Расчет реактивных усилий.pdf [36 КБ]
Скачиваний: 1069

_________________
ЧЗЭМ - качество проверенное временем!

"Энергомаш (Чехов)-ЧЗЭМ" - on-line консультации по арматуре - Изображение
Вернуться к началу
  Ответить с цитатой Ответить на тему  Профиль   Рейтинг: 0  
Непрочитанное сообщениеДобавлено: 18 сен 2019, 10:49 
Не в сети

Зарегистрирован: 30 май 2019, 14:08
Сообщения: 6
Благодарил (а): 0 раз.
Поблагодарили: 0 раз.
Заслуженная репутация: 0
 Ответить с цитатой Ответить на тему 
ЧЗЭМ писал(а):

Добрый день! Да, мы считаем реактивное усилие для предохранительной и запорно-дроссельной арматуры. Пример расчета Вы можете посмотреть во вложении. Но это расчет для внутреннего использования, при проектировании арматуры. Официальной методики у нас нет.

Благодарю за ответ!


Вернуться к началу
  Ответить с цитатой Ответить на тему  Профиль   Рейтинг: 0  
Непрочитанное сообщениеДобавлено: 19 сен 2019, 09:20 
Не в сети

Зарегистрирован: 17 сен 2019, 11:10
Сообщения: 5
Откуда: Норильск
Благодарил (а): 5 раз.
Поблагодарили: 0 раз.
Заслуженная репутация: 0
 Ответить с цитатой Ответить на тему 
Добрый день. На предохранительном клапане 111-250/100-0б-01 необходимо поменять/заказать пружину, в связи с чем подскажите пожалуйста тип/марку (черт. каталожный номер или ост и т.д.) пружины.


Вернуться к началу
  Ответить с цитатой Ответить на тему  Профиль   Рейтинг: 0  
Непрочитанное сообщениеДобавлено: 19 сен 2019, 09:50 
Не в сети
Аватара пользователя

Зарегистрирован: 02 дек 2010, 14:02
Сообщения: 701
Откуда: г. Чехов
Благодарил (а): 8 раз.
Поблагодарили: 149 раз.
Заслуженная репутация: 12
Бравый Арматурщик
 Ответить с цитатой Ответить на тему 
Kucher писал(а):

Добрый день. На предохранительном клапане 111-250/100-0б-01 необходимо поменять/заказать пружину, в связи с чем подскажите пожалуйста тип/марку (черт. каталожный номер или ост и т.д.) пружины.

Добрый день! В ГПК 111-250/400-0б-01 используется пружина винтовая цилиндрическая СТП 57-77-05 (2 штуки на 1 клапан).

_________________
ЧЗЭМ - качество проверенное временем!

"Энергомаш (Чехов)-ЧЗЭМ" - on-line консультации по арматуре - Изображение


Вернуться к началу
  Ответить с цитатой Ответить на тему  Профиль   Рейтинг: 0  
Непрочитанное сообщениеДобавлено: 23 сен 2019, 11:59 
Не в сети

Зарегистрирован: 17 сен 2019, 11:10
Сообщения: 5
Откуда: Норильск
Благодарил (а): 5 раз.
Поблагодарили: 0 раз.
Заслуженная репутация: 0
 Ответить с цитатой Ответить на тему 
ЧЗЭМ писал(а):

Добрый день! В ГПК 111-250/400-0б-01 используется пружина винтовая цилиндрическая СТП 57-77-05 (2 штуки на 1 клапан).


Подскажите, а ЧЗЭМ производит данные пружины?


Вернуться к началу
  Ответить с цитатой Ответить на тему  Профиль   Рейтинг: 0  
Непрочитанное сообщениеДобавлено: 23 сен 2019, 14:49 
Не в сети
Аватара пользователя

Зарегистрирован: 02 дек 2010, 14:02
Сообщения: 701
Откуда: г. Чехов
Благодарил (а): 8 раз.
Поблагодарили: 149 раз.
Заслуженная репутация: 12
Бравый Арматурщик
 Ответить с цитатой Ответить на тему 
Kucher писал(а):

Подскажите, а ЧЗЭМ производит данные пружины?

Да, это наш стандарт предприятия, и мы делаем по нему пружины для серийной арматуры. Контакты Отдела продаж: Директор по продажам - Воронцов Сергей Александрович, телефон +74967272275, электронная почта vorontsov_sa@zavodchzem.ru.

_________________
ЧЗЭМ - качество проверенное временем!

"Энергомаш (Чехов)-ЧЗЭМ" - on-line консультации по арматуре - Изображение


Вернуться к началу
  Ответить с цитатой Ответить на тему  Профиль   Рейтинг: 0  
Непрочитанное сообщениеДобавлено: 01 окт 2019, 02:30 
Не в сети

Зарегистрирован: 13 авг 2013, 14:47
Сообщения: 28
Благодарил (а): 0 раз.
Поблагодарили: 3 раз.
Заслуженная репутация: 0
 Ответить с цитатой Ответить на тему 
Добрый день.
Прошу прояснить по деталям предохранительного клапана 111-250/400-0б. Первый раз столкнулся с таким диким несоответствием между деталями, указанными на чертеже и в «Каталоге деталей». Я знаю, что «Каталог» полон ошибок, но в данном случае количество несоответствий просто зашкаливает, на чертеже также ошибки имеются (последнее изменение чертежа - апрель 1979г.). Возможно, данный чертеж впоследствии был полностью переработан? Несоответствия указаны в таблице (№ п/п приведены для удобства поиска). Основные моменты - несовпадение номеров чертежей деталей, разные марки стали и масса (устаревшее обозначение марок сталей мной учтено, вопросов не вызывает и в таблицу не включено)
"Энергомаш (Чехов)-ЧЗЭМ" - on-line консультации по арматуре / таблица.jpg
374.28 КБ, Просмотров: 94084
Дополнительно. Прошу прояснить следующие вопросы:
1. При переходе на Графлекс доработка не требуется? Можно просто вместо сальника ставить комплект колец?
2. В ответе от 31.03.2014 на вопрос о прокладке зубчатой (поз.9 по чертежу) вы указали на ошибку в номере СТП (не 14-71, а 29-72), можно узнать исполнение (по чертежу - исполнение 25) данной прокладки по СТП 29-72 (в «Каталоге» указано - СТП 29-72-117?)? Там же вы рекомендовали замену на прокладку ПОГФ-Г-3,2-У-4-280х260х3,5 - смущают размеры прокладки ПОГФ (у старой 265х225) или на чертеже ошибка не только в СТП, но еще и в исполнении/диаметрах?
3. Прокладка зубчатая 22×12 (поз.5 по чертежу) - исполнение 1, т.е. обозначение СТП 29-72-101? Имеется ли замена данной прокладки на прокладку ПОГФ?


Вернуться к началу
  Ответить с цитатой Ответить на тему  Профиль   Рейтинг: 0  
Непрочитанное сообщениеДобавлено: 07 окт 2019, 23:23 
Не в сети

Зарегистрирован: 30 ноя 2009, 09:50
Сообщения: 759
Благодарил (а): 191 раз.
Поблагодарили: 191 раз.
Заслуженная репутация: 14
Бравый Арматурщик
 Ответить с цитатой Ответить на тему 
sm_66


Вернуться к началу
  Ответить с цитатой Ответить на тему  Профиль   Рейтинг: 0  
Непрочитанное сообщениеДобавлено: 18 окт 2019, 07:47 
Не в сети

Зарегистрирован: 16 окт 2019, 13:44
Сообщения: 12
Благодарил (а): 6 раз.
Поблагодарили: 0 раз.
Заслуженная репутация: 0
 Ответить с цитатой Ответить на тему 
Всем доброго времени суток! Вопрос:
1. Изготавливаете ли вы детали арматуры выпускаемой в 60-е годы. (Интересует 448-250-1 Корпус; 448-100-Э5 Крышка)
2. Можно ознакомиться со сборочными чертежами электроприводов 822-Э-0 и 823-Э-0 и с таблицей деталировки
3. Что можете предложить взамен клапана регулирующего 448-250-Э (требование по весу чтоб не превышал существующий 448-250-Э)


Вернуться к началу
  Ответить с цитатой Ответить на тему  Профиль   Рейтинг: 0  
Непрочитанное сообщениеДобавлено: 18 окт 2019, 10:04 
Не в сети

Зарегистрирован: 17 сен 2019, 11:10
Сообщения: 5
Откуда: Норильск
Благодарил (а): 5 раз.
Поблагодарили: 0 раз.
Заслуженная репутация: 0
 Ответить с цитатой Ответить на тему 
Добрый день. Вышла в ремонт задвижка (885-225-ЦЗ, зав.№706124) на пояске зеркала клина имеется дефект, решили не много наплавить и проточить после. Мы всегда использовали электроды марки ЭА-395/9, а новый подрядчик утверждает что они мягковаты для этого надо ЦЛ (какие именно не уточнил). Если не сложно подскажите какие лучше электроды использовать для ремонта уплотнительный поверхностей (поясков) клина и корпуса задвижки 885-225-ЦЗ.


Вернуться к началу
  Ответить с цитатой Ответить на тему  Профиль   Рейтинг: 0  
Непрочитанное сообщениеДобавлено: 21 окт 2019, 17:21 
Не в сети
Аватара пользователя

Зарегистрирован: 02 дек 2010, 14:02
Сообщения: 701
Откуда: г. Чехов
Благодарил (а): 8 раз.
Поблагодарили: 149 раз.
Заслуженная репутация: 12
Бравый Арматурщик
 Ответить с цитатой Ответить на тему 
Kucher писал(а):

Добрый день. Вышла в ремонт задвижка (885-225-ЦЗ, зав.№706124) на пояске зеркала клина имеется дефект, решили не много наплавить и проточить после. Мы всегда использовали электроды марки ЭА-395/9, а новый подрядчик утверждает что они мягковаты для этого надо ЦЛ (какие именно не уточнил). Если не сложно подскажите какие лучше электроды использовать для ремонта уплотнительный поверхностей (поясков) клина и корпуса задвижки 885-225-ЦЗ.

Добрый день! Электроды марок ЭА-395/9 и ЦЛ применяются для сварки и исправления дефектов деталей из сталей перлитного класса. Для наплавки уплотнительных поверхностей задвижки 885-225-ЦЗ используются порошок ПР-НХ15СР2 ТУ 14-22-33-90 (уплотнительная поверхность седла) и электроды ЦН-6Л ОСТ 24.948.01-90 (уплотнительная поверхность тарелки). В соответствии с нормативной документацией для исправления дефектов наплавленных поверхностей должны применяться те же марки материалов, которыми и была выполнена наплавка. На заводе мы выполняем ремонт ручной аргонодуговой наплавкой с помощью прутков, изготовленных из наплавленного металла, в соответствии с технологическими инструкциями, согласованными головной материаловедческой организацией. Если Вам нужны технологические рекомендации на ремонт или консультации по исправлению дефектов, то вы можете связаться со специалистом по материалам - Святной Людмилой Михайловной, телефон (496) 727-23-24, электронная почта slm_ogsv@zavodchzem.ru.

_________________
ЧЗЭМ - качество проверенное временем!

"Энергомаш (Чехов)-ЧЗЭМ" - on-line консультации по арматуре - Изображение


Вернуться к началу
  Ответить с цитатой Ответить на тему  Профиль   Рейтинг: 0  
Непрочитанное сообщениеДобавлено: 13 дек 2019, 12:40 
Не в сети
Аватара пользователя

Зарегистрирован: 15 сен 2012, 11:45
Сообщения: 148
Откуда: Ростов-на-Дону
Благодарил (а): 66 раз.
Поблагодарили: 4 раз.
Заслуженная репутация: 2
 Ответить с цитатой Ответить на тему 
Добрый день.

Прошу разъяснение по разрешительной документации на клапана 589-10-0 ,999-20-0,1052-65-0,1057-65-0,1053-50-0.
При приёмке на предприятии затребовали декларацию ТР ТС 032 на эти клапана. Обосновано их требование?

Спасибо.

_________________
Взять всё, да и поделить…


Вернуться к началу
  Ответить с цитатой Ответить на тему  Профиль   Рейтинг: 0  
Непрочитанное сообщениеДобавлено: 13 дек 2019, 13:53 
Не в сети
Аватара пользователя

Зарегистрирован: 02 дек 2010, 14:02
Сообщения: 701
Откуда: г. Чехов
Благодарил (а): 8 раз.
Поблагодарили: 149 раз.
Заслуженная репутация: 12
Бравый Арматурщик
 Ответить с цитатой Ответить на тему 
Александр Сергеевич писал(а):

Добрый день.
Прошу разъяснение по разрешительной документации на клапана 589-10-0 ,999-20-0,1052-65-0,1057-65-0,1053-50-0.
При приёмке на предприятии затребовали декларацию ТР ТС 032 на эти клапана. Обосновано их требование?
Спасибо.

Добрый день! Клапаны 589-10-0, 999-20-0 и 1052-65-0 по условному проходу и параметрам рабочей среды не подпадают под действие ТР ТС 032/2013 (на них получена декларация соответствия требованиям ТР ТС 010/2011). На клапаны 1057-65-0 и 1053-50-0 получена декларация соответствия требованиям ТР ТС 032/2013.

_________________
ЧЗЭМ - качество проверенное временем!

"Энергомаш (Чехов)-ЧЗЭМ" - on-line консультации по арматуре - Изображение


Вернуться к началу
  Ответить с цитатой Ответить на тему  Профиль   Рейтинг: 0  
Непрочитанное сообщениеДобавлено: 16 янв 2020, 14:02 
Не в сети
Аватара пользователя

Зарегистрирован: 16 янв 2020, 13:41
Сообщения: 1
Благодарил (а): 0 раз.
Поблагодарили: 0 раз.
Заслуженная репутация: 0
 Ответить с цитатой Ответить на тему 
Здравствуйте! Чудом наткнулся на Ваш форум.
Подскажите пожалуйста, кто изготавливает пружины из ст. ХН77ТЮР:
Пружина 881-150-20
Пружина 880-325-8А
Пружина 883-200-8.
Или возможно у Вас приобрести? sm_10


Вернуться к началу
  Ответить с цитатой Ответить на тему  Профиль   Рейтинг: 0  
Непрочитанное сообщениеДобавлено: 30 янв 2020, 17:01 
Не в сети

Зарегистрирован: 30 ноя 2009, 09:50
Сообщения: 759
Благодарил (а): 191 раз.
Поблагодарили: 191 раз.
Заслуженная репутация: 14
Бравый Арматурщик
 Ответить с цитатой Ответить на тему 
Что то чехи задумались...
Пружины я в свое время заказывал у них.
Попробуйте найти отдел снабжения и скинуть им заявку.
Еше привозили из Уфы. НПП Мотор


Вернуться к началу
  Ответить с цитатой Ответить на тему  Профиль   Рейтинг: 0  
Непрочитанное сообщениеДобавлено: 31 янв 2020, 08:47 
Не в сети
Аватара пользователя

Зарегистрирован: 02 дек 2010, 14:02
Сообщения: 701
Откуда: г. Чехов
Благодарил (а): 8 раз.
Поблагодарили: 149 раз.
Заслуженная репутация: 12
Бравый Арматурщик
 Ответить с цитатой Ответить на тему 
Александров Алексей писал(а):

Здравствуйте! Чудом наткнулся на Ваш форум.
Подскажите пожалуйста, кто изготавливает пружины из ст. ХН77ТЮР:
Пружина 881-150-20
Пружина 880-325-8А
Пружина 883-200-8.
Или возможно у Вас приобрести? sm_10

Доброе утро! Извините за задержку с ответом. Да, это наши пружины и мы их изготавливаем. По вопросам заказа Вы можете обратиться в Отдел продаж, Директор по продажам - Воронцов Сергей Александрович, телефон +7 (49672) 7-22-75, электронная почта vorontsov_sa@zavodchzem.ru.

_________________
ЧЗЭМ - качество проверенное временем!

"Энергомаш (Чехов)-ЧЗЭМ" - on-line консультации по арматуре - Изображение


Вернуться к началу
  Ответить с цитатой Ответить на тему  Профиль   Рейтинг: 0  
Непрочитанное сообщениеДобавлено: 03 мар 2020, 16:33 
Не в сети

Зарегистрирован: 08 авг 2016, 22:36
Сообщения: 63
Благодарил (а): 3 раз.
Поблагодарили: 0 раз.
Заслуженная репутация: 0
 Ответить с цитатой Ответить на тему 
Здравствуйте! Чему равен угол уплотнения корпус-шток в клапанах 588-10-0, 589-10-0...? Если возможно, то сбросьте чертеж штока... Спасибо


Вернуться к началу
  Ответить с цитатой Ответить на тему  Профиль   Рейтинг: 0  
Непрочитанное сообщениеДобавлено: 10 мар 2020, 10:27 
Не в сети
Аватара пользователя

Зарегистрирован: 02 дек 2010, 14:02
Сообщения: 701
Откуда: г. Чехов
Благодарил (а): 8 раз.
Поблагодарили: 149 раз.
Заслуженная репутация: 12
Бравый Арматурщик
 Ответить с цитатой Ответить на тему 
Антон Павлович Чехов писал(а):

Здравствуйте! Чему равен угол уплотнения корпус-шток в клапанах 588-10-0, 589-10-0...? Если возможно, то сбросьте чертеж штока... Спасибо

Добрый день! Угол на штоке и наплавленной поверхности седла в корпусе равен 60 градусов.


"Энергомаш (Чехов)-ЧЗЭМ" - on-line консультации по арматуре / Шток.bmp
55.24 КБ, Просмотров: 87301

_________________
ЧЗЭМ - качество проверенное временем!

"Энергомаш (Чехов)-ЧЗЭМ" - on-line консультации по арматуре - Изображение
Вернуться к началу
  Ответить с цитатой Ответить на тему  Профиль   Рейтинг: 0  
Непрочитанное сообщениеДобавлено: 22 апр 2020, 13:11 
Не в сети

Зарегистрирован: 12 ноя 2015, 22:07
Сообщения: 34
Благодарил (а): 4 раз.
Поблагодарили: 0 раз.
Заслуженная репутация: 0
 Ответить с цитатой Ответить на тему 
Добрый день! Подскажите пожалуйста на задвижках 848-250-Э и 848-300-Э обойма изготовливается по одному и тому же чертежу №883-200-4А-02 ?
Спасибо!


Вернуться к началу
  Ответить с цитатой Ответить на тему  Профиль   Рейтинг: 0  
Непрочитанное сообщениеДобавлено: 24 апр 2020, 14:00 
Не в сети
Аватара пользователя

Зарегистрирован: 02 дек 2010, 14:02
Сообщения: 701
Откуда: г. Чехов
Благодарил (а): 8 раз.
Поблагодарили: 149 раз.
Заслуженная репутация: 12
Бравый Арматурщик
 Ответить с цитатой Ответить на тему 
Fandorin писал(а):

Добрый день! Подскажите пожалуйста на задвижках 848-250-Э и 848-300-Э обойма изготовливается по одному и тому же чертежу №883-200-4А-02 ?
Спасибо!

Добрый день! Да, и в 848-250-Э и в 848-300-Э используется обойма 883-200-4А-02.

_________________
ЧЗЭМ - качество проверенное временем!

"Энергомаш (Чехов)-ЧЗЭМ" - on-line консультации по арматуре - Изображение


Вернуться к началу
  Ответить с цитатой Ответить на тему  Профиль   Рейтинг: 0  
Непрочитанное сообщениеДобавлено: 08 май 2020, 14:10 
Не в сети

Зарегистрирован: 08 авг 2016, 22:36
Сообщения: 63
Благодарил (а): 3 раз.
Поблагодарили: 0 раз.
Заслуженная репутация: 0
 Ответить с цитатой Ответить на тему 
Здравствуйте! Подскажите пожалуйста, какие отличительные особенности имеет шток ч. 839-60-3 вентиля 838-65-О (а именно длина, диаметр, угол уплотняющей поверхности) и можно ли его использовать на вентиле 1052-65-0? Спасибо


Вернуться к началу
  Ответить с цитатой Ответить на тему  Профиль   Рейтинг: 0  
Непрочитанное сообщениеДобавлено: 08 май 2020, 14:52 
Не в сети
Аватара пользователя

Зарегистрирован: 02 дек 2010, 14:02
Сообщения: 701
Откуда: г. Чехов
Благодарил (а): 8 раз.
Поблагодарили: 149 раз.
Заслуженная репутация: 12
Бравый Арматурщик
 Ответить с цитатой Ответить на тему 
Антон Павлович Чехов писал(а):

Здравствуйте! Подскажите пожалуйста, какие отличительные особенности имеет шток ч. 839-60-3 вентиля 838-65-О (а именно длина, диаметр, угол уплотняющей поверхности) и можно ли его использовать на вентиле 1052-65-0? Спасибо

Добрый день! Шток 839-60-3 имеет длину 300 мм, диаметр в зоне сальника 36Х4 и угол уплотнительной поверхности 60 градусов. Использовать его в клапане 1052-65-0 нельзя, т.к. у штока 1052-65-2 угол уплотнительной поверхности 40 градусов, да и длина 280 мм.

_________________
ЧЗЭМ - качество проверенное временем!

"Энергомаш (Чехов)-ЧЗЭМ" - on-line консультации по арматуре - Изображение


Вернуться к началу
  Ответить с цитатой Ответить на тему  Профиль   Рейтинг: 0  
Непрочитанное сообщениеДобавлено: 25 май 2020, 17:42 
Не в сети

Зарегистрирован: 08 авг 2016, 22:36
Сообщения: 63
Благодарил (а): 3 раз.
Поблагодарили: 0 раз.
Заслуженная репутация: 0
 Ответить с цитатой Ответить на тему 
Здравствуйте! Подскажите, пожалуйста, по клапану обратному 935-250-0б 23.5 МПа, Т 250 С. Необходимы чертежи для деталей Ось (935-225-3в) и втулки рычага 935-225-4б. Если нет такой возможности, то необходимы основные размеры втулки рычага (внутренний и наружний диаметры с допусками сопрягаемых поверхностей), а также диаметр оси в месте сопряжения со втулкой. А также твёрдость с видом термообработки либо упрочнением поверхности? И существует ли допуск на выработку сопрягаемых поверхностей? Спасибо


Вернуться к началу
  Ответить с цитатой Ответить на тему  Профиль   Рейтинг: 0  
Непрочитанное сообщениеДобавлено: 27 май 2020, 18:09 
Не в сети
Аватара пользователя

Зарегистрирован: 02 дек 2010, 14:02
Сообщения: 701
Откуда: г. Чехов
Благодарил (а): 8 раз.
Поблагодарили: 149 раз.
Заслуженная репутация: 12
Бравый Арматурщик
 Ответить с цитатой Ответить на тему 
Антон Павлович Чехов писал(а):

Здравствуйте! Подскажите, пожалуйста, по клапану обратному 935-250-0б 23.5 МПа, Т 250 С. Необходимы чертежи для деталей Ось (935-225-3в) и втулки рычага 935-225-4б. Если нет такой возможности, то необходимы основные размеры втулки рычага (внутренний и наружний диаметры с допусками сопрягаемых поверхностей), а также диаметр оси в месте сопряжения со втулкой. А также твёрдость с видом термообработки либо упрочнением поверхности? И существует ли допуск на выработку сопрягаемых поверхностей? Спасибо

Добрый вечер! Чертежи деталей я предоставить не могу, это конфиденциальная информация.
По Вашим вопросам:
1. Ось 935-225-3в изготовлена из стали 30Х13 ГОСТ 5632-72, имеет твердость 207...241 НВ, размер в месте посадки - диаметр 40f9.
2. Втулка рычага 935-225-4б изготавливается из бронзовой трубы БрАЖМц 10-3-1,5 58х13,5 ТУ 1846-06-323-2001, твердость чертежом не нормируется (в состоянии поставки), размер в месте посадки - диаметр 40Н11, наружный размер - диаметр 50f9.
По поводу допуска на выработку - есть общее требование в п.3.7 912-150-0 РЭ, что один из критериев предельного состояния - достижение минимальных значений размеров, указанных в КД, как следствие механического износа, т.е. берем размер и считаем минимальный с учетом поля допуска.

_________________
ЧЗЭМ - качество проверенное временем!

"Энергомаш (Чехов)-ЧЗЭМ" - on-line консультации по арматуре - Изображение


Вернуться к началу
  Ответить с цитатой Ответить на тему  Профиль   Рейтинг: 0  
Непрочитанное сообщениеДобавлено: 27 май 2020, 19:35 
Не в сети

Зарегистрирован: 08 авг 2016, 22:36
Сообщения: 63
Благодарил (а): 3 раз.
Поблагодарили: 0 раз.
Заслуженная репутация: 0
 Ответить с цитатой Ответить на тему 
Спасибо за быстрый ответ!!! Сбросьте пожалуйста это руководство 912-150-0 РЭ в котором имеется этот подпункт 3.7


Вернуться к началу
  Ответить с цитатой Ответить на тему  Профиль   Рейтинг: 0  
Непрочитанное сообщениеДобавлено: 28 май 2020, 09:48 
Не в сети
Аватара пользователя

Зарегистрирован: 02 дек 2010, 14:02
Сообщения: 701
Откуда: г. Чехов
Благодарил (а): 8 раз.
Поблагодарили: 149 раз.
Заслуженная репутация: 12
Бравый Арматурщик
 Ответить с цитатой Ответить на тему 
Антон Павлович Чехов писал(а):

Спасибо за быстрый ответ!!! Сбросьте пожалуйста это руководство 912-150-0 РЭ в котором имеется этот подпункт 3.7

Руководство по эксплуатации 912-150-0 РЭ Вы можете посмотреть во вложении.


912-150-0 РЭ.pdf [4.04 МБ]
Скачиваний: 961

_________________
ЧЗЭМ - качество проверенное временем!

"Энергомаш (Чехов)-ЧЗЭМ" - on-line консультации по арматуре - Изображение
Вернуться к началу
  Ответить с цитатой Ответить на тему  Профиль   Рейтинг: 0  
Непрочитанное сообщениеДобавлено: 26 июн 2020, 14:18 
Не в сети

Зарегистрирован: 16 окт 2019, 13:44
Сообщения: 12
Благодарил (а): 6 раз.
Поблагодарили: 0 раз.
Заслуженная репутация: 0
 Ответить с цитатой Ответить на тему 
Здравствуйте!!! Помогите пожалуйста с эскизом седла клапана 868-250-Э. Заранее благодарен


Вернуться к началу
  Ответить с цитатой Ответить на тему  Профиль   Рейтинг: 0  
Непрочитанное сообщениеДобавлено: 29 июн 2020, 09:52 
Не в сети
Аватара пользователя

Зарегистрирован: 02 дек 2010, 14:02
Сообщения: 701
Откуда: г. Чехов
Благодарил (а): 8 раз.
Поблагодарили: 149 раз.
Заслуженная репутация: 12
Бравый Арматурщик
 Ответить с цитатой Ответить на тему 
Алексей Валерьевич писал(а):

Здравствуйте!!! Помогите пожалуйста с эскизом седла клапана 868-250-Э. Заранее благодарен

Добрый день! В клапане 868-250-Эм два исполнения: в основное идет седло 870-250-6-01 (рисунок 1), в 868-250-Эм-01 идет седло 870-250-6-03 (рисунок 3). Эскиз седла 870-250-6 с основными размерами Вы можете посмотреть во вложении.


870-250-6.pdf [220.73 КБ]
Скачиваний: 870

_________________
ЧЗЭМ - качество проверенное временем!

"Энергомаш (Чехов)-ЧЗЭМ" - on-line консультации по арматуре - Изображение
Вернуться к началу
  Ответить с цитатой Ответить на тему  Профиль   Рейтинг: 0  
Непрочитанное сообщениеДобавлено: 16 июл 2020, 13:41 
Не в сети

Зарегистрирован: 16 окт 2019, 13:44
Сообщения: 12
Благодарил (а): 6 раз.
Поблагодарили: 0 раз.
Заслуженная репутация: 0
 Ответить с цитатой Ответить на тему 
Здравствуйте!!! помогите с эскизами шпинделей задвижек 590-250-ЦЗ и 880-250-ЦЗ (есть ли в них разница?)


Вернуться к началу
  Ответить с цитатой Ответить на тему  Профиль   Рейтинг: 0  
Непрочитанное сообщениеДобавлено: 16 июл 2020, 14:14 
Не в сети
Аватара пользователя

Зарегистрирован: 02 дек 2010, 14:02
Сообщения: 701
Откуда: г. Чехов
Благодарил (а): 8 раз.
Поблагодарили: 149 раз.
Заслуженная репутация: 12
Бравый Арматурщик
 Ответить с цитатой Ответить на тему 
Алексей Валерьевич писал(а):

Здравствуйте!!! помогите с эскизами шпинделей задвижек 590-250-ЦЗ и 880-250-ЦЗ (есть ли в них разница?)

Добрый день! Шпиндель 590-300-10 (задвижка 590-250-ЦЗ) от шпинделя 881-200-10 (задвижка 880-250-ЦЗ) отличается общей длиной - 1425 мм (вместо 1240 мм) и длиной резьбовой части (резьба Tr70x10LH-9c) - 605 (вместо 570 мм). Материал обоих шпинделей - сталь 25Х2М1Ф ТУ 14-1-552-72, остальные размеры идентичны.

_________________
ЧЗЭМ - качество проверенное временем!

"Энергомаш (Чехов)-ЧЗЭМ" - on-line консультации по арматуре - Изображение


Вернуться к началу
  Ответить с цитатой Ответить на тему  Профиль   Рейтинг: 0  
Непрочитанное сообщениеДобавлено: 18 авг 2020, 17:26 
Не в сети

Зарегистрирован: 08 авг 2016, 22:36
Сообщения: 63
Благодарил (а): 3 раз.
Поблагодарили: 0 раз.
Заслуженная репутация: 0
 Ответить с цитатой Ответить на тему 
Здравствуйте! Подскажите пожалуйста по электроприводy 793-Э-0-II? Какой диаметр отверстий с допуском в корпусе электропривода под подшипники 7507


Вернуться к началу
  Ответить с цитатой Ответить на тему  Профиль   Рейтинг: 0  
Непрочитанное сообщениеДобавлено: 25 авг 2020, 14:11 
Не в сети
Аватара пользователя

Зарегистрирован: 02 дек 2010, 14:02
Сообщения: 701
Откуда: г. Чехов
Благодарил (а): 8 раз.
Поблагодарили: 149 раз.
Заслуженная репутация: 12
Бравый Арматурщик
 Ответить с цитатой Ответить на тему 
Антон Павлович Чехов писал(а):

Здравствуйте! Подскажите пожалуйста по электроприводy 793-Э-0-II? Какой диаметр отверстий с допуском в корпусе электропривода под подшипники 7507

Добрый день! Извиняюсь за задержку с ответом, был в отпуске. В корпусе электропривода посадочное место под подшипники 7507 по ТУ 37.006.162-89 имеет диаметр 72Н7.

_________________
ЧЗЭМ - качество проверенное временем!

"Энергомаш (Чехов)-ЧЗЭМ" - on-line консультации по арматуре - Изображение


Вернуться к началу
  Ответить с цитатой Ответить на тему  Профиль   Рейтинг: 0  
Непрочитанное сообщениеДобавлено: 17 сен 2020, 12:02 
Не в сети

Зарегистрирован: 08 авг 2016, 22:36
Сообщения: 63
Благодарил (а): 3 раз.
Поблагодарили: 0 раз.
Заслуженная репутация: 0
 Ответить с цитатой Ответить на тему 
ЗДРАВСТВУЙТЕ! Подскажите, пожалуйста, для задвижки 883-100-Э-02 Р 9,8Мпа t 545c Номера чертежей :
1.Тарелка.
2.Шпиндель.
3.Прокладка регулирующая.
4.Штифты для тарелок и шпинделя
5.Втулка резьбовая.
6.Втулка шпинделя.
И какая глубина проточки на крышке под кольца графлекс? Спасибо


Вернуться к началу
  Ответить с цитатой Ответить на тему  Профиль   Рейтинг: 0  
Непрочитанное сообщениеДобавлено: 25 сен 2020, 12:05 
Не в сети
Аватара пользователя

Зарегистрирован: 02 дек 2010, 14:02
Сообщения: 701
Откуда: г. Чехов
Благодарил (а): 8 раз.
Поблагодарили: 149 раз.
Заслуженная репутация: 12
Бравый Арматурщик
 Ответить с цитатой Ответить на тему 
Антон Павлович Чехов писал(а):

ЗДРАВСТВУЙТЕ! Подскажите, пожалуйста, для задвижки 883-100-Э-02 Р 9,8Мпа t 545c Номера чертежей :
1.Тарелка.
2.Шпиндель.
3.Прокладка регулирующая.
4.Штифты для тарелок и шпинделя
5.Втулка резьбовая.
6.Втулка шпинделя.
И какая глубина проточки на крышке под кольца графлекс? Спасибо

Добрый день! Для задвижки 883-100-Э-02 обозначения деталей следующие:
1. Тарелка 883-100-3-02
2. Шпиндель 883-100-5
3. Прокладки регулирующие 883-100-10 и 883-100-10-01
4. Штифт специальный 881-150-16 (для затвора) и штифт 883-100-19 (для шпинделя)
5. Втулка резьбовая СТП 24-71-104
6. Втулка шпинделя СТП 53-75-103
Глубина проточки под сальник в крышке 883-100-6А-04 - 62 мм.

_________________
ЧЗЭМ - качество проверенное временем!

"Энергомаш (Чехов)-ЧЗЭМ" - on-line консультации по арматуре - Изображение


Вернуться к началу
  Ответить с цитатой Ответить на тему  Профиль   Рейтинг: 0  
Непрочитанное сообщениеДобавлено: 25 сен 2020, 12:13 
Не в сети

Зарегистрирован: 08 авг 2016, 22:36
Сообщения: 63
Благодарил (а): 3 раз.
Поблагодарили: 0 раз.
Заслуженная репутация: 0
 Ответить с цитатой Ответить на тему 
Спасибо большое! А материал, из которого сделана крышка и чем её можно наплавить?


Вернуться к началу
  Ответить с цитатой Ответить на тему  Профиль   Рейтинг: 0  
Непрочитанное сообщениеДобавлено: 25 сен 2020, 13:13 
Не в сети
Аватара пользователя

Зарегистрирован: 02 дек 2010, 14:02
Сообщения: 701
Откуда: г. Чехов
Благодарил (а): 8 раз.
Поблагодарили: 149 раз.
Заслуженная репутация: 12
Бравый Арматурщик
 Ответить с цитатой Ответить на тему 
Антон Павлович Чехов писал(а):

Спасибо большое! А материал, из которого сделана крышка и чем её можно наплавить?

В зависимости от заготовки там может быть 12Х1МФ (поковка) или 15Х1М1ФЛ (литье). Если изделие совсем старое, то там скорее всего литье. В любом случае наплавить можно электродами ЦЛ-20 (но с подогревом и термообработкой) или ЦТ-36 (без подогрева и термообработки).

_________________
ЧЗЭМ - качество проверенное временем!

"Энергомаш (Чехов)-ЧЗЭМ" - on-line консультации по арматуре - Изображение


Вернуться к началу
  Ответить с цитатой Ответить на тему  Профиль   Рейтинг: 0  
Непрочитанное сообщениеДобавлено: 06 окт 2020, 09:36 
Не в сети
Аватара пользователя

Зарегистрирован: 06 окт 2020, 09:30
Сообщения: 2
Благодарил (а): 0 раз.
Поблагодарили: 0 раз.
Заслуженная репутация: 0
 Ответить с цитатой Ответить на тему 
Здравствуйте! Интересует клапан предохранительный 392-175/95-0г. Нашла в технической литературе, что в демпферную камеру клапана должна подводиться вода для предотвращения ударов при открытии и закрытии клапана. В той же технической литературе написано, что опыт эксплуатации ряда ТЭС показал, что клапаны срабатывают безударно и при отсутствии жидкости в демпферной камере за счет наличия воздушной подушки. Рекомендуете ли вы, как производитель данной арматуры, подвод воды в демпферную камеру?


Вернуться к началу
  Ответить с цитатой Ответить на тему  Профиль   Рейтинг: 0  
Непрочитанное сообщениеДобавлено: 06 окт 2020, 11:36 
Не в сети
Аватара пользователя

Зарегистрирован: 02 дек 2010, 14:02
Сообщения: 701
Откуда: г. Чехов
Благодарил (а): 8 раз.
Поблагодарили: 149 раз.
Заслуженная репутация: 12
Бравый Арматурщик
 Ответить с цитатой Ответить на тему 
Чуева Александра писал(а):

Здравствуйте! Интересует клапан предохранительный 392-175/95-0г. Нашла в технической литературе, что в демпферную камеру клапана должна подводиться вода для предотвращения ударов при открытии и закрытии клапана. В той же технической литературе написано, что опыт эксплуатации ряда ТЭС показал, что клапаны срабатывают безударно и при отсутствии жидкости в демпферной камере за счет наличия воздушной подушки. Рекомендуете ли вы, как производитель данной арматуры, подвод воды в демпферную камеру?

Руководство по эксплуатации на ГПК 392-175/95-0г требует, чтобы камера демпфера была заполнена водой, что обеспечивает безударную работу клапана. Вода, в отличии от воздуха, является несжимаемым телом, так что за работу демпфера на воздушной подушке я не уверен. Многое еще зависит от используемого с ГПК импульсного клапана, некоторые исполнения могут открываться достаточно плавно, так что удара не будет.

_________________
ЧЗЭМ - качество проверенное временем!

"Энергомаш (Чехов)-ЧЗЭМ" - on-line консультации по арматуре - Изображение


Вернуться к началу
  Ответить с цитатой Ответить на тему  Профиль   Рейтинг: 0  
Непрочитанное сообщениеДобавлено: 06 окт 2020, 12:24 
Не в сети
Аватара пользователя

Зарегистрирован: 06 окт 2020, 09:30
Сообщения: 2
Благодарил (а): 0 раз.
Поблагодарили: 0 раз.
Заслуженная репутация: 0
 Ответить с цитатой Ответить на тему 
С клапаном ГПК используется импульсный клапан типа 586-20-ЭМ-02


Вернуться к началу
  Ответить с цитатой Ответить на тему  Профиль   Рейтинг: 0  
Непрочитанное сообщениеДобавлено: 06 окт 2020, 14:56 
Не в сети
Аватара пользователя

Зарегистрирован: 02 дек 2010, 14:02
Сообщения: 701
Откуда: г. Чехов
Благодарил (а): 8 раз.
Поблагодарили: 149 раз.
Заслуженная репутация: 12
Бравый Арматурщик
 Ответить с цитатой Ответить на тему 
Чуева Александра писал(а):

С клапаном ГПК используется импульсный клапан типа 586-20-ЭМ-02

Проверить его совместную работу с ГПК можно только экспериментально, если не будет сильного удара, то можно воду и не использовать. Но всё же мы рекомендуем эксплуатировать ГПК в соответствии с требованиями РЭ.

_________________
ЧЗЭМ - качество проверенное временем!

"Энергомаш (Чехов)-ЧЗЭМ" - on-line консультации по арматуре - Изображение


Вернуться к началу
  Ответить с цитатой Ответить на тему  Профиль   Рейтинг: 0  
Непрочитанное сообщениеДобавлено: 18 ноя 2020, 13:36 
Не в сети

Зарегистрирован: 30 ноя 2009, 09:50
Сообщения: 759
Благодарил (а): 191 раз.
Поблагодарили: 191 раз.
Заслуженная репутация: 14
Бравый Арматурщик
 Ответить с цитатой Ответить на тему 
Чуева Александра писал(а):

Здравствуйте! Интересует клапан предохранительный 392-175/95-0г. Нашла в технической литературе, что в демпферную камеру клапана должна подводиться вода для предотвращения ударов при открытии и закрытии клапана. В той же технической литературе написано, что опыт эксплуатации ряда ТЭС показал, что клапаны срабатывают безударно и при отсутствии жидкости в демпферной камере за счет наличия воздушной подушки. Рекомендуете ли вы, как производитель данной арматуры, подвод воды в демпферную камеру?


Как ремонтник, могу посоветовать заливать глицерин.
Не выкипает, как вода. А подвод воды проходили. Потом все эти линии демонтировали.


Вернуться к началу
  Ответить с цитатой Ответить на тему  Профиль   Рейтинг: 0  
Показать сообщения за:  Поле сортировки  
Начать новую тему Ответить на тему  Страница 30 из 34  [ Сообщений: 1697 ]  На страницу Пред.  1 ... 27, 28, 29, 30, 31, 32, 33, 34  След.

Быстрый ответ
Вы не можете оставлять комментарии и ответы, пожалуйста ЗАРЕГИСТРИРУЙТЕСЬ для возможности полноценного доступа к форумам этой ветки

Часовой пояс: UTC + 3 часа [ Летнее время ]


Кто сейчас на конференции

Сейчас этот форум просматривают: нет зарегистрированных пользователей и гости: 36


Вы не можете начинать темы
Вы не можете отвечать на сообщения
Вы не можете редактировать свои сообщения
Вы не можете удалять свои сообщения
Вы не можете добавлять вложения

Перейти: 
Powered by phpBB © 2000, 2002, 2005, 2007 phpBB Group [ Time : 5.904s | 170 Queries | GZIP : Off ]

@Mail.ru
Администрация портала не несёт ответственности за достоверность размещённой в сообщениях форума информации.