Часовой пояс: UTC + 3 часа [ Летнее время ]




Начать новую тему Ответить на тему
 Страница 19 из 34  [ Сообщений: 1697 ]  На страницу Пред.  1 ... 16, 17, 18, 19, 20, 21, 22 ... 34  След.
Автор Сообщение
Непрочитанное сообщениеДобавлено: 19 фев 2016, 18:52 
Аватара пользователя
Организация: Домнаремонт
 Ответить с цитатой Ответить на тему 
Здравствуйте.
Требуется ваша помощь в опознании червячного колеса.
У нас в резерве лежит колесо как на чертеже,мы его пытались поставить на привод 823-э-о. Но оно почему то не подходит.
Это неправильный чертёж,или что то перепутали старые мастера ,когда перечерчивали колесо при предыдущем ремонте ?Если есть возможность помогите разобраться.


"Энергомаш (Чехов)-ЧЗЭМ" - on-line консультации по арматуре / P1180297.JPG
433.98 КБ, Просмотров: 59706
Вернуться к началу
  Ответить с цитатой Ответить на тему   
Непрочитанное сообщениеДобавлено: 19 фев 2016, 20:06 
Не в сети

Зарегистрирован: 30 ноя 2009, 09:50
Сообщения: 759
Благодарил (а): 191 раз.
Поблагодарили: 191 раз.
Заслуженная репутация: 14
Бравый Арматурщик
 Ответить с цитатой Ответить на тему 
С.А Корнеев
Если привод 823, то колесо - металл. А у Вас текстолит.
Это первое. потом не всегда совпадает модуль с червяком. И какой у Вас привод- Э или ЭР. Т.е. паз под шпонку, или палец?


Вернуться к началу
  Ответить с цитатой Ответить на тему  Профиль   Рейтинг: 0  
Непрочитанное сообщениеДобавлено: 20 фев 2016, 00:16 
Аватара пользователя
 Ответить с цитатой Ответить на тему 
823 это на водяную задвигу,колесо текстолит . 793 бронза на пар.


Вернуться к началу
  Ответить с цитатой Ответить на тему   
Непрочитанное сообщениеДобавлено: 20 фев 2016, 23:04 
Не в сети

Зарегистрирован: 30 ноя 2009, 09:50
Сообщения: 759
Благодарил (а): 191 раз.
Поблагодарили: 191 раз.
Заслуженная репутация: 14
Бравый Арматурщик
 Ответить с цитатой Ответить на тему 
ООО 1
Как правило, если в обозначении у Чехов последняя цифра нечетная, то пар . Будь то арматура или привод . И наоборот.
Разговор идет о номере чертежа привода , но не колеса.
Колесо есть такое 823-23-0. Это от привода 822. Пишу по памяти, чехи поправят, Ежели что!


Вернуться к началу
  Ответить с цитатой Ответить на тему  Профиль   Рейтинг: 0  
Непрочитанное сообщениеДобавлено: 22 фев 2016, 14:13 
Аватара пользователя
E-mail: Sheliah@turbopar.ru
Телефон: +375173870112
Организация: ГК Турбопар
 Ответить с цитатой Ответить на тему 
Добрый день.

Подскажите пожалуйста, есть ли у Вас в свободном доступе подробные габаритные чертежи энергетической арматуры для ТЭС, чертежи арматуры с различными электроприводами, крепящиеся напрямую или через редуктор?

Информация, представленная в Ваших каталогах не достаточна для полного понимания габаритных размеров арматуры (задвижек), зон обслуживания, выбор габаритных размеров/вылетов байпасных линий, а также расчет толщин изоляции.

Имеются ли у Вас чертежи арматуры в формате DWG(автокад)? 3Д - модели Вашей арматуры?


Вернуться к началу
  Ответить с цитатой Ответить на тему   
Непрочитанное сообщениеДобавлено: 24 фев 2016, 09:50 
Не в сети
Аватара пользователя

Зарегистрирован: 02 дек 2010, 14:02
Сообщения: 701
Откуда: г. Чехов
Благодарил (а): 8 раз.
Поблагодарили: 149 раз.
Заслуженная репутация: 12
Бравый Арматурщик
 Ответить с цитатой Ответить на тему 


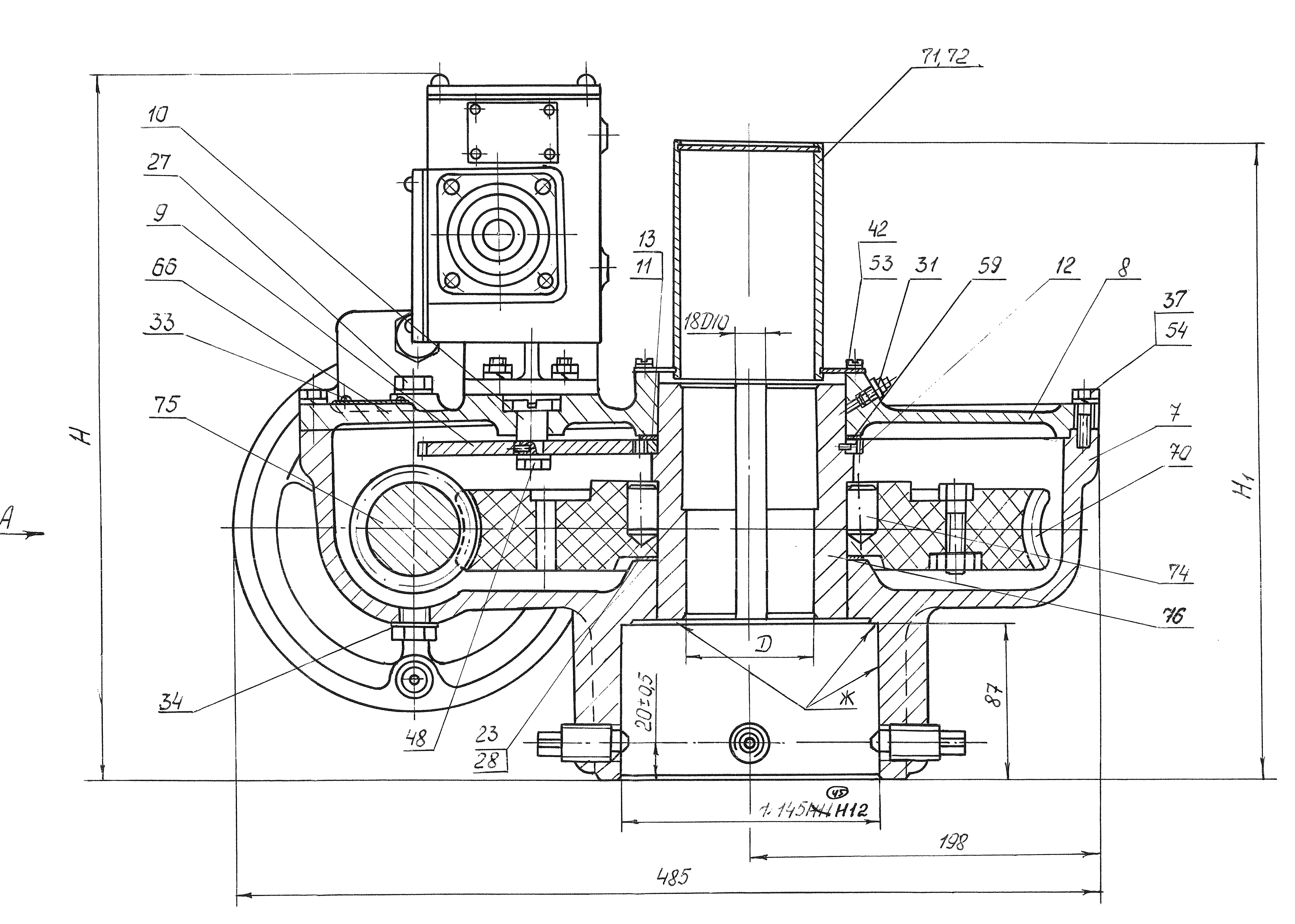
"Энергомаш (Чехов)-ЧЗЭМ" - on-line консультации по арматуре / 823-Э-4в СБ.jpg
906.56 КБ, Просмотров: 59216

_________________


Вернуться к началу
  Ответить с цитатой Ответить на тему  Профиль   Рейтинг: 0  
Непрочитанное сообщениеДобавлено: 24 фев 2016, 16:14 
Аватара пользователя
Организация: Домнаремонт
 Ответить с цитатой Ответить на тему 


Вернуться к началу
  Ответить с цитатой Ответить на тему   
Непрочитанное сообщениеДобавлено: 24 фев 2016, 16:56 
Не в сети
Аватара пользователя

Зарегистрирован: 02 дек 2010, 14:02
Сообщения: 701
Откуда: г. Чехов
Благодарил (а): 8 раз.
Поблагодарили: 149 раз.
Заслуженная репутация: 12
Бравый Арматурщик
 Ответить с цитатой Ответить на тему 

_________________




Вернуться к началу
  Ответить с цитатой Ответить на тему  Профиль   Рейтинг: 0  
Непрочитанное сообщениеДобавлено: 25 фев 2016, 10:44 
Аватара пользователя
Организация: Домнаремонт
 Ответить с цитатой Ответить на тему 
Спасибо. А нет ли у вас чертежа посадочного места редуктора 823-КЭ-0,только нового образца?


"Энергомаш (Чехов)-ЧЗЭМ" - on-line консультации по арматуре / image267.jpg
31.16 КБ, Просмотров: 58833
Вернуться к началу
  Ответить с цитатой Ответить на тему   
Непрочитанное сообщениеДобавлено: 25 фев 2016, 11:55 
Не в сети
Аватара пользователя

Зарегистрирован: 02 дек 2010, 14:02
Сообщения: 701
Откуда: г. Чехов
Благодарил (а): 8 раз.
Поблагодарили: 149 раз.
Заслуженная репутация: 12
Бравый Арматурщик
 Ответить с цитатой Ответить на тему 


"Энергомаш (Чехов)-ЧЗЭМ" - on-line консультации по арматуре / 823-Э-0.jpg
2.51 МБ, Просмотров: 58931

_________________


Вернуться к началу
  Ответить с цитатой Ответить на тему  Профиль   Рейтинг: 0  
Непрочитанное сообщениеДобавлено: 25 фев 2016, 20:30 
Аватара пользователя
Организация: Домнаремонт
 Ответить с цитатой Ответить на тему 
Спасибо.


Вернуться к началу
  Ответить с цитатой Ответить на тему   
Непрочитанное сообщениеДобавлено: 26 фев 2016, 18:11 
Аватара пользователя
Организация: Домнаремонт
 Ответить с цитатой Ответить на тему 
Уточните пожалуйста крутящий момент и тип электродвигателя привода 823-Э-0.


Вернуться к началу
  Ответить с цитатой Ответить на тему   
Непрочитанное сообщениеДобавлено: 29 фев 2016, 08:35 
Не в сети
Аватара пользователя

Зарегистрирован: 02 дек 2010, 14:02
Сообщения: 701
Откуда: г. Чехов
Благодарил (а): 8 раз.
Поблагодарили: 149 раз.
Заслуженная репутация: 12
Бравый Арматурщик
 Ответить с цитатой Ответить на тему 

_________________




Вернуться к началу
  Ответить с цитатой Ответить на тему  Профиль   Рейтинг: 0  
Непрочитанное сообщениеДобавлено: 29 фев 2016, 08:44 
Не в сети
Аватара пользователя

Зарегистрирован: 02 дек 2010, 14:02
Сообщения: 701
Откуда: г. Чехов
Благодарил (а): 8 раз.
Поблагодарили: 149 раз.
Заслуженная репутация: 12
Бравый Арматурщик
 Ответить с цитатой Ответить на тему 

_________________




Вернуться к началу
  Ответить с цитатой Ответить на тему  Профиль   Рейтинг: 0  
Непрочитанное сообщениеДобавлено: 29 фев 2016, 13:17 
Не в сети
Аватара пользователя

Зарегистрирован: 15 сен 2012, 11:45
Сообщения: 148
Откуда: Ростов-на-Дону
Благодарил (а): 66 раз.
Поблагодарили: 4 раз.
Заслуженная репутация: 2
 Ответить с цитатой Ответить на тему 
Клапан 1052-65-0 выпускается по ту 37-022-05015348-98 ?

_________________
Взять всё, да и поделить…


Вернуться к началу
  Ответить с цитатой Ответить на тему  Профиль   Рейтинг: 0  
Непрочитанное сообщениеДобавлено: 29 фев 2016, 13:45 
Не в сети
Аватара пользователя

Зарегистрирован: 02 дек 2010, 14:02
Сообщения: 701
Откуда: г. Чехов
Благодарил (а): 8 раз.
Поблагодарили: 149 раз.
Заслуженная репутация: 12
Бравый Арматурщик
 Ответить с цитатой Ответить на тему 

_________________




Вернуться к началу
  Ответить с цитатой Ответить на тему  Профиль   Рейтинг: 0  
Непрочитанное сообщениеДобавлено: 29 фев 2016, 16:14 
Не в сети
Аватара пользователя

Зарегистрирован: 15 сен 2012, 11:45
Сообщения: 148
Откуда: Ростов-на-Дону
Благодарил (а): 66 раз.
Поблагодарили: 4 раз.
Заслуженная репутация: 2
 Ответить с цитатой Ответить на тему 
Спасибо.

_________________
Взять всё, да и поделить…


Вернуться к началу
  Ответить с цитатой Ответить на тему  Профиль   Рейтинг: 0  
Непрочитанное сообщениеДобавлено: 03 мар 2016, 19:51 
Аватара пользователя
E-mail: serezha.kravchenko.1969@mail.ru
Организация: ООО
 Ответить с цитатой Ответить на тему 
Добрый день.

Подскажите пожалуйста марку и мощность двигателя на колонковый привод 822-кэ-0

Спасибо.


Вернуться к началу
  Ответить с цитатой Ответить на тему   
Непрочитанное сообщениеДобавлено: 04 мар 2016, 09:13 
Не в сети
Аватара пользователя

Зарегистрирован: 02 дек 2010, 14:02
Сообщения: 701
Откуда: г. Чехов
Благодарил (а): 8 раз.
Поблагодарили: 149 раз.
Заслуженная репутация: 12
Бравый Арматурщик
 Ответить с цитатой Ответить на тему 

_________________




Вернуться к началу
  Ответить с цитатой Ответить на тему  Профиль   Рейтинг: 0  
Непрочитанное сообщениеДобавлено: 09 мар 2016, 14:50 
Не в сети

Зарегистрирован: 16 янв 2015, 09:48
Сообщения: 5
Благодарил (а): 0 раз.
Поблагодарили: 0 раз.
Заслуженная репутация: 0
 Ответить с цитатой Ответить на тему 
Помогите, пожалуйста, узнать обратный клапан по чертежу. Установлен на выходе подогревателей высокого давления турбины ПТ-25-90.


"Энергомаш (Чехов)-ЧЗЭМ" - on-line консультации по арматуре / 037 11 клапан обратный запрос чертёж  .jpg
84.42 КБ, Просмотров: 58326
Вернуться к началу
  Ответить с цитатой Ответить на тему  Профиль   Рейтинг: 0  
Непрочитанное сообщениеДобавлено: 10 мар 2016, 08:59 
Не в сети
Аватара пользователя

Зарегистрирован: 02 дек 2010, 14:02
Сообщения: 701
Откуда: г. Чехов
Благодарил (а): 8 раз.
Поблагодарили: 149 раз.
Заслуженная репутация: 12
Бравый Арматурщик
 Ответить с цитатой Ответить на тему 

_________________




Вернуться к началу
  Ответить с цитатой Ответить на тему  Профиль   Рейтинг: 0  
Непрочитанное сообщениеДобавлено: 10 мар 2016, 13:07 
Аватара пользователя
 Ответить с цитатой Ответить на тему 
lhagva
попробуйте обратиться


Вернуться к началу
  Ответить с цитатой Ответить на тему   
Непрочитанное сообщениеДобавлено: 11 мар 2016, 11:32 
Аватара пользователя
 Ответить с цитатой Ответить на тему 


Вернуться к началу
  Ответить с цитатой Ответить на тему   
Непрочитанное сообщениеДобавлено: 15 мар 2016, 10:31 
Аватара пользователя
E-mail: pkbren@yandex.ru
Телефон: 8863 2710074
Организация: ООО"Теплопроект"
 Ответить с цитатой Ответить на тему 
Здравствуйте,Дмитрий! Помогите,пожалуйста, подобрать задвижку на рабочее давление 100 кГс/см2, 400 гр Цельсия


Вернуться к началу
  Ответить с цитатой Ответить на тему   
Непрочитанное сообщениеДобавлено: 22 мар 2016, 14:38 
Не в сети
Аватара пользователя

Зарегистрирован: 02 дек 2010, 14:02
Сообщения: 701
Откуда: г. Чехов
Благодарил (а): 8 раз.
Поблагодарили: 149 раз.
Заслуженная репутация: 12
Бравый Арматурщик
 Ответить с цитатой Ответить на тему 

_________________




Вернуться к началу
  Ответить с цитатой Ответить на тему  Профиль   Рейтинг: 0  
Непрочитанное сообщениеДобавлено: 23 мар 2016, 01:58 
Аватара пользователя
 Ответить с цитатой Ответить на тему 
Добрый день! требуется установить вентиль запорный 1053-50 с электроприводом, что посоветуете. Спасибо.


Вернуться к началу
  Ответить с цитатой Ответить на тему   
Непрочитанное сообщениеДобавлено: 23 мар 2016, 10:59 
Не в сети
Аватара пользователя

Зарегистрирован: 02 дек 2010, 14:02
Сообщения: 701
Откуда: г. Чехов
Благодарил (а): 8 раз.
Поблагодарили: 149 раз.
Заслуженная репутация: 12
Бравый Арматурщик
 Ответить с цитатой Ответить на тему 

_________________




Вернуться к началу
  Ответить с цитатой Ответить на тему  Профиль   Рейтинг: 0  
Непрочитанное сообщениеДобавлено: 23 мар 2016, 16:21 
Аватара пользователя
 Ответить с цитатой Ответить на тему 
Добрый день!

Подскажите, пожалуйста, ориентировочный вес детали - Шпиндель 883-200-7-01 ЧЗЭМ

Заранее благодарю


Вернуться к началу
  Ответить с цитатой Ответить на тему   
Непрочитанное сообщениеДобавлено: 23 мар 2016, 16:56 
Не в сети
Аватара пользователя

Зарегистрирован: 02 дек 2010, 14:02
Сообщения: 701
Откуда: г. Чехов
Благодарил (а): 8 раз.
Поблагодарили: 149 раз.
Заслуженная репутация: 12
Бравый Арматурщик
 Ответить с цитатой Ответить на тему 

_________________




Вернуться к началу
  Ответить с цитатой Ответить на тему  Профиль   Рейтинг: 0  
Непрочитанное сообщениеДобавлено: 23 мар 2016, 23:32 
Аватара пользователя
 Ответить с цитатой Ответить на тему 
А какие технические характеристики этих электроприводов?


Вернуться к началу
  Ответить с цитатой Ответить на тему   
Непрочитанное сообщениеДобавлено: 24 мар 2016, 13:44 
Не в сети
Аватара пользователя

Зарегистрирован: 10 мар 2010, 11:45
Сообщения: 134
Благодарил (а): 13 раз.
Поблагодарили: 29 раз.
Заслуженная репутация: 3
 Ответить с цитатой Ответить на тему 
Добрый день, можно ли использовать задвижку 881-150-ЦЗ по ТУ 37-023-05015348-98 при данных параметрах Ру140 Т560?

_________________
Что делает ветер когда не дует?


Вернуться к началу
  Ответить с цитатой Ответить на тему  Профиль   Рейтинг: 0  
Непрочитанное сообщениеДобавлено: 24 мар 2016, 14:42 
Не в сети
Аватара пользователя

Зарегистрирован: 02 дек 2010, 14:02
Сообщения: 701
Откуда: г. Чехов
Благодарил (а): 8 раз.
Поблагодарили: 149 раз.
Заслуженная репутация: 12
Бравый Арматурщик
 Ответить с цитатой Ответить на тему 

_________________




Вернуться к началу
  Ответить с цитатой Ответить на тему  Профиль   Рейтинг: 0  
Непрочитанное сообщениеДобавлено: 24 мар 2016, 15:13 
Не в сети
Аватара пользователя

Зарегистрирован: 02 дек 2010, 14:02
Сообщения: 701
Откуда: г. Чехов
Благодарил (а): 8 раз.
Поблагодарили: 149 раз.
Заслуженная репутация: 12
Бравый Арматурщик
 Ответить с цитатой Ответить на тему 


Привода_1053-50.doc [31 КБ]
Скачиваний: 612

_________________


Вернуться к началу
  Ответить с цитатой Ответить на тему  Профиль   Рейтинг: 0  
Непрочитанное сообщениеДобавлено: 25 мар 2016, 10:31 
Не в сети
Аватара пользователя

Зарегистрирован: 10 мар 2010, 11:45
Сообщения: 134
Благодарил (а): 13 раз.
Поблагодарили: 29 раз.
Заслуженная репутация: 3
 Ответить с цитатой Ответить на тему 
ЧЗЭМспасибо, подскажите, пожалуйста, кому направить запрос чтобы получить официальный ответ от завода? И какие данные должны быть включены в запрос.

_________________
Что делает ветер когда не дует?


Вернуться к началу
  Ответить с цитатой Ответить на тему  Профиль   Рейтинг: 0  
Непрочитанное сообщениеДобавлено: 25 мар 2016, 10:53 
Не в сети
Аватара пользователя

Зарегистрирован: 02 дек 2010, 14:02
Сообщения: 701
Откуда: г. Чехов
Благодарил (а): 8 раз.
Поблагодарили: 149 раз.
Заслуженная репутация: 12
Бравый Арматурщик
 Ответить с цитатой Ответить на тему 

_________________




Вернуться к началу
  Ответить с цитатой Ответить на тему  Профиль   Рейтинг: 0  
Непрочитанное сообщениеДобавлено: 25 мар 2016, 12:39 
Не в сети

Зарегистрирован: 07 фев 2014, 09:23
Сообщения: 51
Благодарил (а): 0 раз.
Поблагодарили: 0 раз.
Заслуженная репутация: 0
 Ответить с цитатой Ответить на тему 
Добрый день, скажите пожалуйста, есть ли у Вас каталог встроенных электроприводов для регулирующей и запорной арматуры производства ЧЗЭМ.
И как его можно получить?


Вернуться к началу
  Ответить с цитатой Ответить на тему  Профиль   Рейтинг: 0  
Непрочитанное сообщениеДобавлено: 25 мар 2016, 13:22 
Не в сети
Аватара пользователя

Зарегистрирован: 02 дек 2010, 14:02
Сообщения: 701
Откуда: г. Чехов
Благодарил (а): 8 раз.
Поблагодарили: 149 раз.
Заслуженная репутация: 12
Бравый Арматурщик
 Ответить с цитатой Ответить на тему 


ТУ 24.03.1525-89.pdf [3.03 МБ]
Скачиваний: 741

_________________


Вернуться к началу
  Ответить с цитатой Ответить на тему  Профиль   Рейтинг: 0  
Непрочитанное сообщениеДобавлено: 25 мар 2016, 13:29 
Не в сети

Зарегистрирован: 07 фев 2014, 09:23
Сообщения: 51
Благодарил (а): 0 раз.
Поблагодарили: 0 раз.
Заслуженная репутация: 0
 Ответить с цитатой Ответить на тему 
Добрый день! Каталога встроенных электроприводов у нас нет, т.к. мы не поставляем встроенные электропривода как отдельное изделие. Номенклатура колонковых электроприводов, которые мы поставляем, приведена в каталоге арматуры ТЭС. Но если Вас интересуют технические характеристики выпускаемых заводом электроприводов, то Вы можете посмотреть их в технических условиях во вложении.[/quote]

Огромное спасибо, как раз технические характеристики и нужны.


Вернуться к началу
  Ответить с цитатой Ответить на тему  Профиль   Рейтинг: 0  
Непрочитанное сообщениеДобавлено: 28 мар 2016, 12:04 
Аватара пользователя
E-mail: s.markin@ iton.ru
Телефон: 8-905-507-07-89
Организация: ООО "Итон-3"
 Ответить с цитатой Ответить на тему 
Здравствуйте!
Нам нужны: импульсный клапан SV-RMZ-ES-22NC-20-DC24V

Кол-во 8 шт.


Вернуться к началу
  Ответить с цитатой Ответить на тему   
Непрочитанное сообщениеДобавлено: 28 мар 2016, 13:54 
Не в сети
Аватара пользователя

Зарегистрирован: 02 дек 2010, 14:02
Сообщения: 701
Откуда: г. Чехов
Благодарил (а): 8 раз.
Поблагодарили: 149 раз.
Заслуженная репутация: 12
Бравый Арматурщик
 Ответить с цитатой Ответить на тему 

_________________




Вернуться к началу
  Ответить с цитатой Ответить на тему  Профиль   Рейтинг: 0  
Непрочитанное сообщениеДобавлено: 30 мар 2016, 02:24 
Аватара пользователя
 Ответить с цитатой Ответить на тему 
Добрый день! Имеется не очень новая задвижка (если верно прочитали надпись 883 100-1 ХМФ) требуется шток и тарелка. Если можно геометрические размеры данных деталей, для сравнения. Заранее благодарю


Вернуться к началу
  Ответить с цитатой Ответить на тему   
Непрочитанное сообщениеДобавлено: 30 мар 2016, 08:53 
Не в сети
Аватара пользователя

Зарегистрирован: 02 дек 2010, 14:02
Сообщения: 701
Откуда: г. Чехов
Благодарил (а): 8 раз.
Поблагодарили: 149 раз.
Заслуженная репутация: 12
Бравый Арматурщик
 Ответить с цитатой Ответить на тему 

_________________




Вернуться к началу
  Ответить с цитатой Ответить на тему  Профиль   Рейтинг: 0  
Непрочитанное сообщениеДобавлено: 30 мар 2016, 11:56 
Аватара пользователя
E-mail: ser-ious@yandex.ru
Телефон: 89276492764
Организация: Energia
 Ответить с цитатой Ответить на тему 
Добрый день.
Задвижка 1511-300-ЭНБ
Вопрос: какое у этой задвижки число оборотов вала до открытия/закрытия и какое посадочное место? "Г"?
Пояснение: Подбираем привод.

Спасибо.


Вернуться к началу
  Ответить с цитатой Ответить на тему   
Непрочитанное сообщениеДобавлено: 30 мар 2016, 14:02 
Не в сети
Аватара пользователя

Зарегистрирован: 02 дек 2010, 14:02
Сообщения: 701
Откуда: г. Чехов
Благодарил (а): 8 раз.
Поблагодарили: 149 раз.
Заслуженная репутация: 12
Бравый Арматурщик
 Ответить с цитатой Ответить на тему 

_________________




Вернуться к началу
  Ответить с цитатой Ответить на тему  Профиль   Рейтинг: 0  
Непрочитанное сообщениеДобавлено: 04 апр 2016, 15:11 
Аватара пользователя
Организация: ООО
 Ответить с цитатой Ответить на тему 
Добрый день.
Подскажите по номеру на клапане можно узнать год выпуска?


"Энергомаш (Чехов)-ЧЗЭМ" - on-line консультации по арматуре / P1180709.JPG
807.96 КБ, Просмотров: 54859
Вернуться к началу
  Ответить с цитатой Ответить на тему   
Непрочитанное сообщениеДобавлено: 05 апр 2016, 14:48 
Не в сети
Аватара пользователя

Зарегистрирован: 02 дек 2010, 14:02
Сообщения: 701
Откуда: г. Чехов
Благодарил (а): 8 раз.
Поблагодарили: 149 раз.
Заслуженная репутация: 12
Бравый Арматурщик
 Ответить с цитатой Ответить на тему 

_________________




Вернуться к началу
  Ответить с цитатой Ответить на тему  Профиль   Рейтинг: 0  
Непрочитанное сообщениеДобавлено: 13 апр 2016, 11:15 
Не в сети

Зарегистрирован: 07 фев 2014, 09:23
Сообщения: 51
Благодарил (а): 0 раз.
Поблагодарили: 0 раз.
Заслуженная репутация: 0
 Ответить с цитатой Ответить на тему 
Здравствуйте!
Скажите, возможно ли как то посчитать пропускную способность РОУ? И может ли вообще РОУ характеризоваться пропускной способностью?


Вернуться к началу
  Ответить с цитатой Ответить на тему  Профиль   Рейтинг: 0  
Непрочитанное сообщениеДобавлено: 13 апр 2016, 11:30 
Не в сети
Аватара пользователя

Зарегистрирован: 02 дек 2010, 14:02
Сообщения: 701
Откуда: г. Чехов
Благодарил (а): 8 раз.
Поблагодарили: 149 раз.
Заслуженная репутация: 12
Бравый Арматурщик
 Ответить с цитатой Ответить на тему 

_________________




Вернуться к началу
  Ответить с цитатой Ответить на тему  Профиль   Рейтинг: 0  
Непрочитанное сообщениеДобавлено: 13 апр 2016, 12:12 
Не в сети

Зарегистрирован: 07 фев 2014, 09:23
Сообщения: 51
Благодарил (а): 0 раз.
Поблагодарили: 0 раз.
Заслуженная репутация: 0
 Ответить с цитатой Ответить на тему 


Вернуться к началу
  Ответить с цитатой Ответить на тему  Профиль   Рейтинг: 0  
Непрочитанное сообщениеДобавлено: 13 апр 2016, 12:49 
Не в сети

Зарегистрирован: 07 фев 2014, 09:23
Сообщения: 51
Благодарил (а): 0 раз.
Поблагодарили: 0 раз.
Заслуженная репутация: 0
 Ответить с цитатой Ответить на тему 


Вернуться к началу
  Ответить с цитатой Ответить на тему  Профиль   Рейтинг: 0  
Показать сообщения за:  Поле сортировки  
Начать новую тему Ответить на тему  Страница 19 из 34  [ Сообщений: 1697 ]  На страницу Пред.  1 ... 16, 17, 18, 19, 20, 21, 22 ... 34  След.

Быстрый ответ
Вы не можете оставлять комментарии и ответы, пожалуйста ЗАРЕГИСТРИРУЙТЕСЬ для возможности полноценного доступа к форумам этой ветки

Часовой пояс: UTC + 3 часа [ Летнее время ]


Кто сейчас на конференции

Сейчас этот форум просматривают: нет зарегистрированных пользователей и гости: 0


Вы не можете начинать темы
Вы не можете отвечать на сообщения
Вы не можете редактировать свои сообщения
Вы не можете удалять свои сообщения
Вы не можете добавлять вложения

Перейти: 
cron
Powered by phpBB © 2000, 2002, 2005, 2007 phpBB Group [ Time : 0.145s | 139 Queries | GZIP : Off ]

@Mail.ru
Администрация портала не несёт ответственности за достоверность размещённой в сообщениях форума информации.